Operation CHARM
: Car repair manuals for everyone.
Home
>>
Porsche
>>
2005
>>
911 Targa (996) F6-3.6L
>>
Parts and Labor
>>
Steering and Suspension
>>
Suspension
>>
Images
Images
Front Suspension:
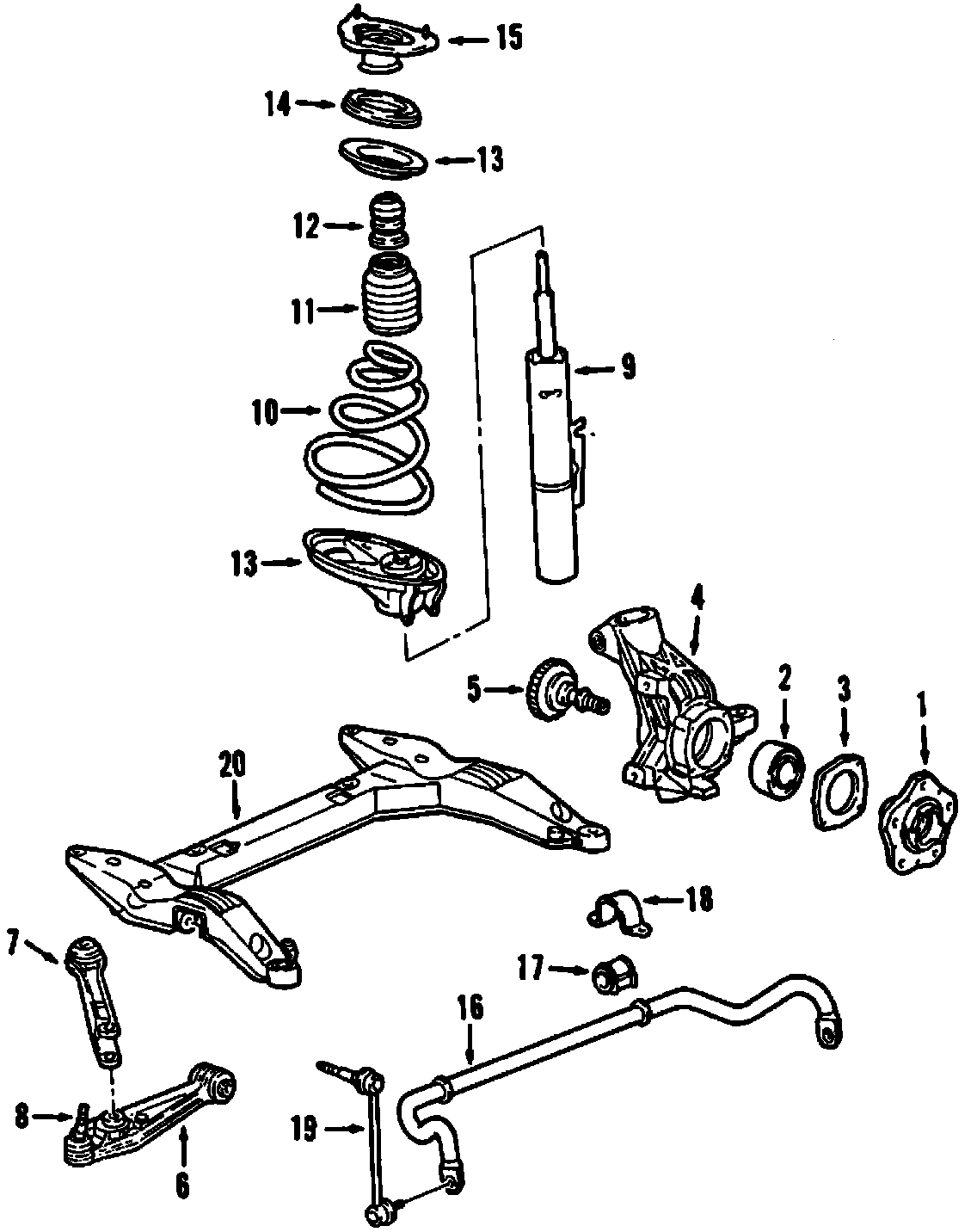
Rear Suspension: