Operation CHARM: Car repair manuals for everyone.
Manuals through 2025 now available!

Our trusted friends have launched a new website named LEMON, which has newer manuals. It also contains all the CHARM manuals.

LEMON is the spiritual successor to CHARM, I recommend you try it!

Link: lemon-manuals.la or lemon-manuals.org.ua

(Some people have issue connecting. LEMON is investigating. For now, use Firefox or change your DNS server)

Or, hide this message: temporarily or permanently

A/T Torque Data

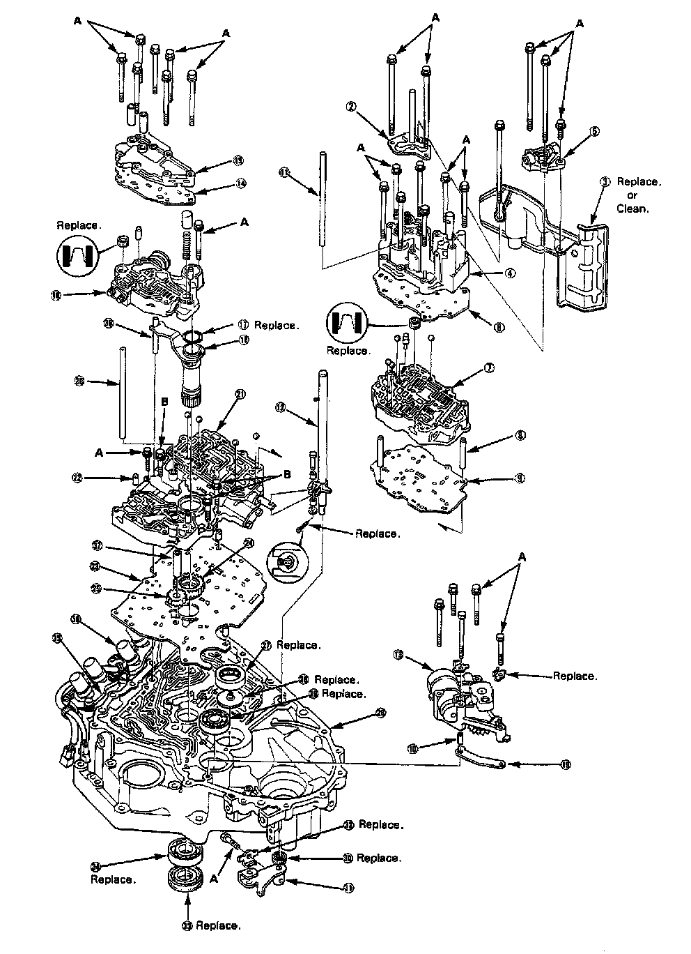
MPRA 4-spd A/T, R.Side Cover Assembly 1 Of 6:



MPRA 4-spd A/T, R. Side Cover Legend 2 Of 2:



MPRA 4-spd A/T, Transmission Housing 3 Of 6:



MPRA 4-spd A/T, Transmission Housing Legend 4 Of 6:



MPRA 4-spd A/T, Torque Converter Housing 5 Of 6:



MPRA 4-spd A/T, Torque Converter Housing Legend 6 Of 6:



MPRA 4-spd A/T, Regulator Valve Body Torque:



MPRA 4-spd A/T, Reverse Idler Bearing Holder Torque:



MPRA 4-spd A/T, Parking Brake Stopper Lock Bolt:



MPRA 4-spd A/T, Torque Converter Assembly:



MPRA 4-spd A/T, Transmission Mounting:



MPRA 4-spd A/T, Transmission Housing Mounting Bolts:



MPRA 4-spd A/T, Gearshift Selector Assembly:



MPRA 4-spd A/T, Shift Cable Assembly:



MPRA 4-spd A/T, Vacuum Modulator Assembly: