Operation CHARM: Car repair manuals for everyone.
Manuals through 2025 now available!

Our trusted friends have launched a new website named LEMON, which has newer manuals. It also contains all the CHARM manuals.

LEMON is the spiritual successor to CHARM, I recommend you try it!

Link: lemon-manuals.la or lemon-manuals.org.ua

(Some people have issue connecting. LEMON is investigating. For now, use Firefox or change your DNS server)

Or, hide this message: temporarily or permanently

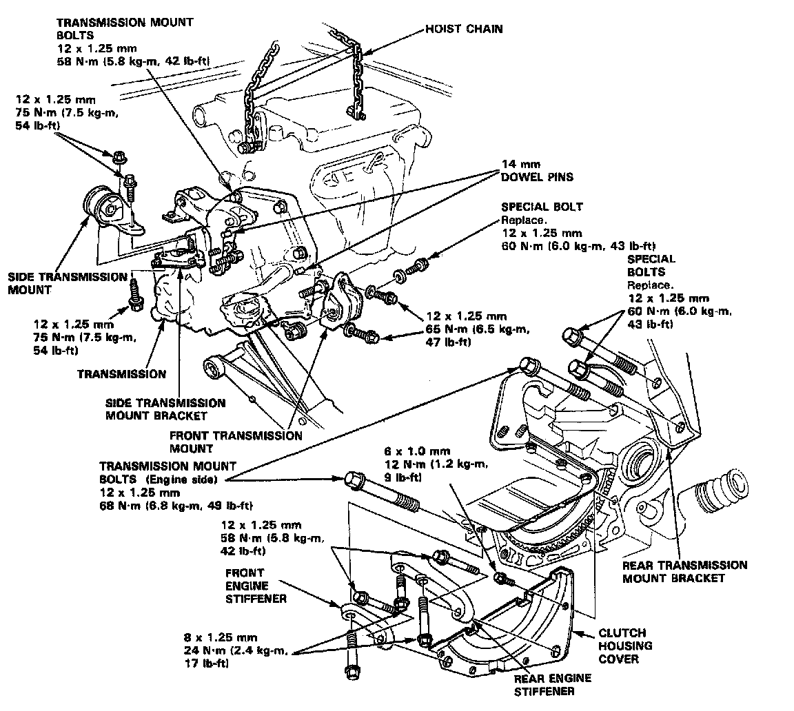
M/T Torque Data

YS1 5-spd M/T, Clutch Assembly:



YS1 5-spd M/T, Clutch Pedal (w/0 Cruise Control):



YS1 5-spd M/T, Clutch Pedal (w/Cruise Control):



YS1 5-spd M/T, Clutch Release Fork:



YS1 5-spd M/T, Flywheel Torque & Sequence:



YS1 5-spd M/T, Pressure Plate Torque & Sequence:



YS1 5-spd M/T, Gearshift Mechanism:



YS1 5-spd M/T, Transmission Assembly 1 Of 2:



YS1 5-spd M/T, Transmission Assembly Legend 2 Of 2:



YS1 5-spd M/T, Shift Rod & Chamber Plate:



YS1 5-spd M/T, Change Holder Assembly:



YS1 5-spd M/T, Transmission Housing Torque & Sequence:



YS1 5-spd M/T, Idler Gear Shaft Bolt:



YS1 5-spd M/T, Clutch Cable Bracket:



YS1 5-spd M/T, Transmission Assembly: