Operation CHARM: Car repair manuals for everyone.
Manuals through 2025 now available!

Our trusted friends have launched a new website named LEMON, which has newer manuals. It also contains all the CHARM manuals.

LEMON is the spiritual successor to CHARM, I recommend you try it!

Link: lemon-manuals.la or lemon-manuals.org.ua

(Some people have issue connecting. LEMON is investigating. For now, use Firefox or change your DNS server)

Or, hide this message: temporarily or permanently

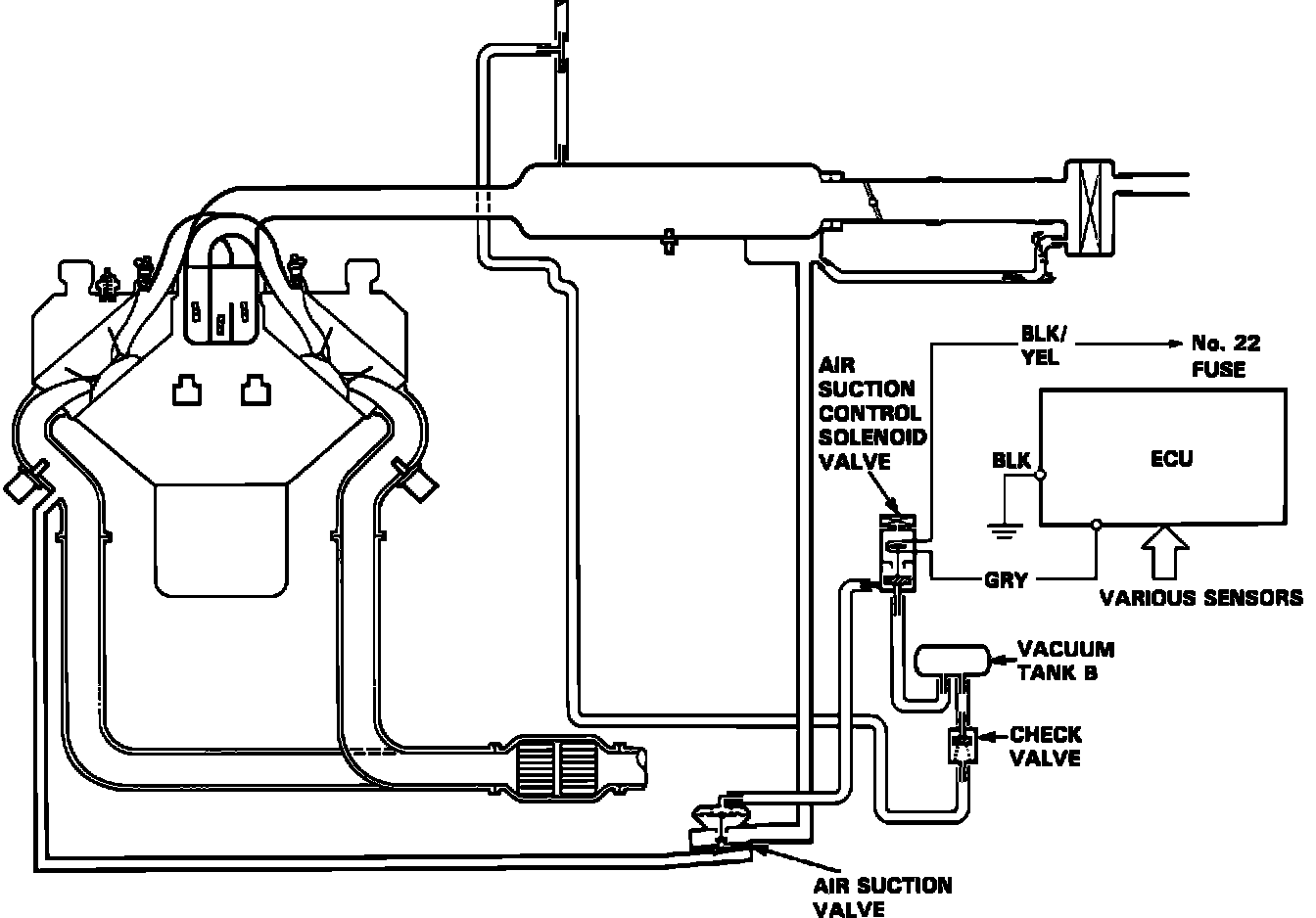
Air Injection: Testing and Inspection

Air Injection System:







1. Check the vacuum lines for proper connections, cracks, blockage, or disconnected hose.
2. Start and warm up the engine (cooling fan comes on).
3. Stop the engine.
4. Restart the engine.


Fig. 46 Air Suction Valve Test Components:




Checking For Air Suction Noise (bubbling Noise):







5. Within 10 seconds after restart, check for air suction noise (bubbling sound) from the air suction valve at idle.
6. If bubbling sound is not heard, disconnect #7 vacuum hose from the top of the air suction valve, attach a vacuum gauge, and check for vacuum within 10 seconds after restart.


Checking For Vacuum:







7. There should be vacuum.
a. If there is vacuum, replace the air suction valve and retest.
b. If there is no vacuum, go to air suction control solenoid valve test 1. SEE "COMPUTERIZED ENGINE CONTROLS"

8. Stop the engine.
9. Check for air suction sound from the air suction valve at idle 15 seconds after start.
10. Bubbling sound should not be heard.
a. If bubbling sound is not heard, test is complete.
b. If bubbling sound is heard, go to air suction control solenoid valve test 2. SEE "COMPUTERIZED ENGINE CONTROLS"