Operation CHARM: Car repair manuals for everyone.
Manuals through 2025 now available!

Our trusted friends have launched a new website named LEMON, which has newer manuals. It also contains all the CHARM manuals.

LEMON is the spiritual successor to CHARM, I recommend you try it!

Link: lemon-manuals.la or lemon-manuals.org.ua

(Some people have issue connecting. LEMON is investigating. For now, use Firefox or change your DNS server)

Or, hide this message: temporarily or permanently

A/T Torque Data

MP7A 4-spd A/T, R. Side Cover Assembly (1 Of 6):



MP7A 4-spd A/T, R. Side Cover Assembly Legend (2 Of 6):



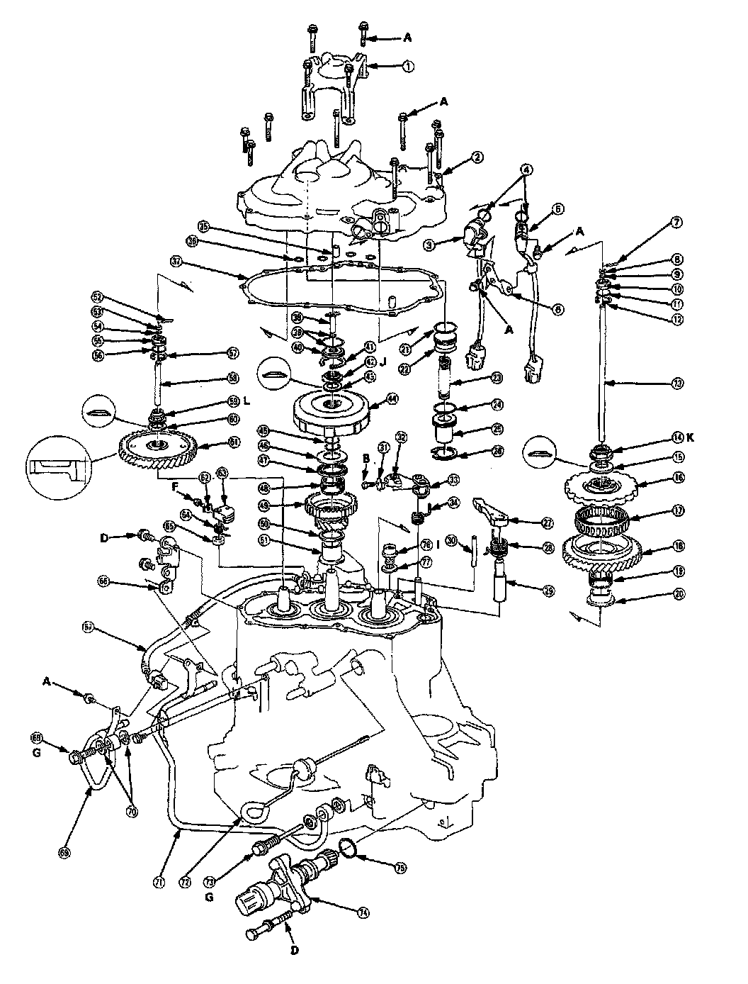
MP7A 4-spd A/T, Transmission Housing Assembly (3 Of 6):



MP7A 4-spd A/T, Transmission Housing Legend (4 Of 6):



MP7A 4-spd A/T, Torque Converter Housing/Valve Body (5 Of 6):



MP7A 4-spd A/T, Torque Converter / Valve Body Legend (6 Of 6):



MP7A 4-spd A/T, Torque Converter/Drive Plate:



MP7A 4-spd A/T, Transmission Housing Mounting:



MP7A 4-spd A/T, Torque Converter Cover / Shift Cable: