Operation CHARM: Car repair manuals for everyone.
Manuals through 2025 now available!

Our trusted friends have launched a new website named LEMON, which has newer manuals. It also contains all the CHARM manuals.

LEMON is the spiritual successor to CHARM, I recommend you try it!

Link: lemon-manuals.la or lemon-manuals.org.ua

(Some people have issue connecting. LEMON is investigating. For now, use Firefox or change your DNS server)

Or, hide this message: temporarily or permanently

Engine Assembly

Intake:






Exhaust Manifold:






Upper Engine:





















Tighten head bolts, in sequence, in two steps:

1st step: Tighten to 30 N.m (3.0 kg-m, 22 lb.ft)
2nd step: Tighten to 81 N.m (8.3 kg-m, 60 lb.ft)



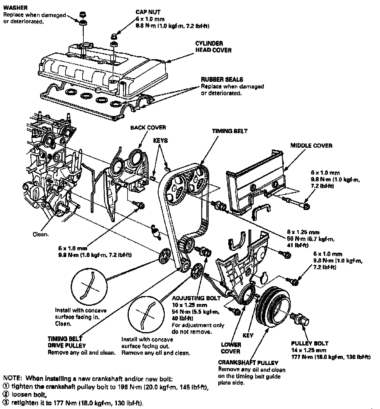
Timing Components:






Water Pump:






Lower Engine:
















Main Bearing Torque/Sequence:






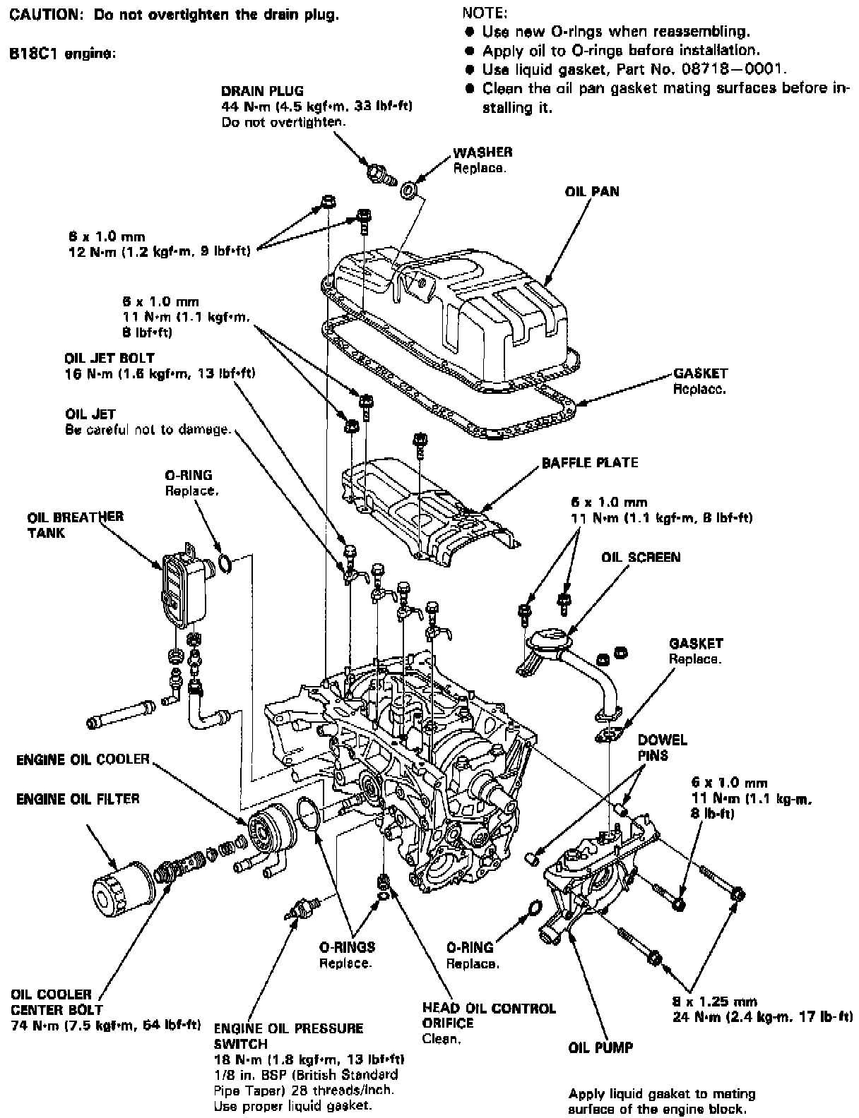
Engine Lubrication:






Flywheel (M/T) Torque/Sequence:






Drive Plate (A/T) Torque/Sequence: