Operation CHARM: Car repair manuals for everyone.
Manuals through 2025 now available!

Our trusted friends have launched a new website named LEMON, which has newer manuals. It also contains all the CHARM manuals.

LEMON is the spiritual successor to CHARM, I recommend you try it!

Link: lemon-manuals.la or lemon-manuals.org.ua

(Some people have issue connecting. LEMON is investigating. For now, use Firefox or change your DNS server)

Or, hide this message: temporarily or permanently

Component Locations


Heating System:




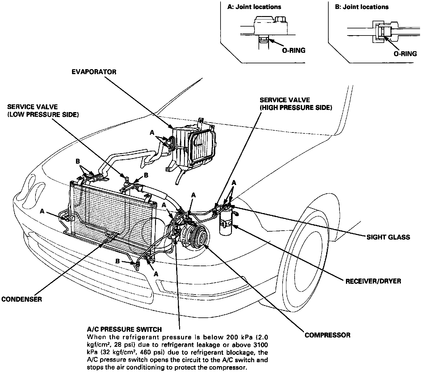
A/C System:






Heating and Air Conditioning System







CAUTION:
- All SRS wire harnesses are covered with yellow insulation. Before you disconnect any part of an SRS wire harness, disconnect the airbag connectors.
- Whenever the ignition switch is ON (II), or has been turned OFF for less than three minutes. be careful not to bump the SRS unit; the airbags could accidentally deploy and cause damage or injuries.
- For additional precautions, refer to AIR BAGS AND SEAT BELTS / SERVICE PRECAUTIONS. Service Precautions


NOTE: The original radio has a coded theft protection circuit. Be sure to get the customer 5 code number before:
- Disconnecting the battery.
- Removing the No. 32 (7.5 A) fuse from the under hood fuse/relay box.
- Removing the radio.

After service, reconnect power to the radio and turn it ON. When the word "CODE" is displayed, enter the customer's 5-digit code to restore radio operation.