Operation CHARM: Car repair manuals for everyone.
Manuals through 2025 now available!

Our trusted friends have launched a new website named LEMON, which has newer manuals. It also contains all the CHARM manuals.

LEMON is the spiritual successor to CHARM, I recommend you try it!

Link: lemon-manuals.la or lemon-manuals.org.ua

(Some people have issue connecting. LEMON is investigating. For now, use Firefox or change your DNS server)

Or, hide this message: temporarily or permanently

System Specifications

Intake:






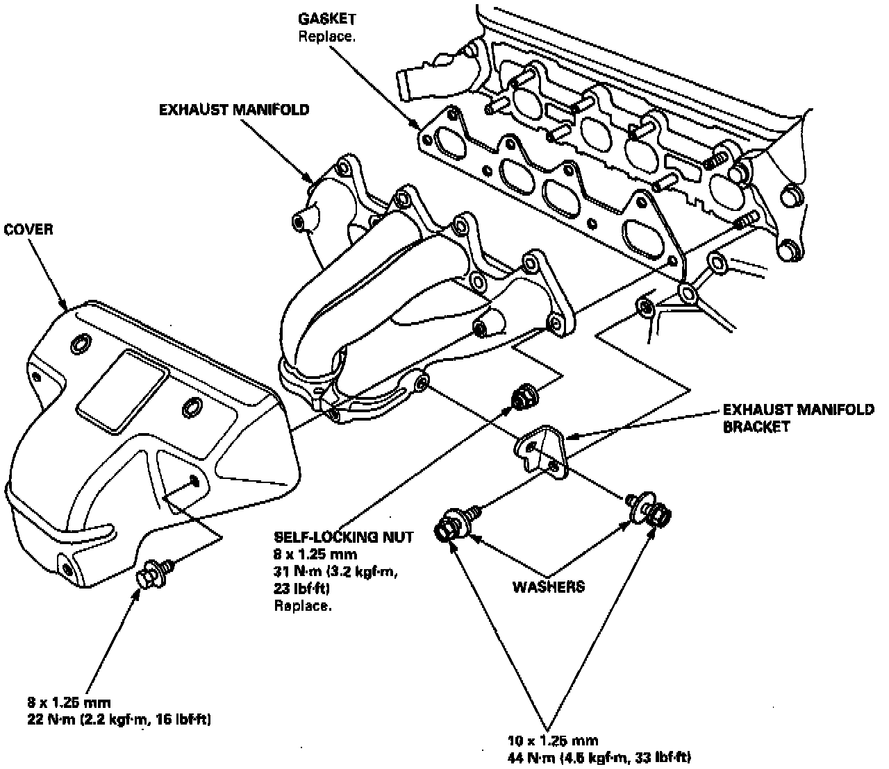
Exhaust Manifold:






Upper Engine:












Camshaft Torque Sequence:






Head Torque Sequence:






Torque cylinder head bolts in sequence in four steps:

Step 1. Torque cylinder head bolts to 29 N.m (3.0kgf-m, 22 lb-ft.)
Step 2. Mark one mark on each bolt head and three more at 90° intervals on the cylinder head boss.
Step 3. Torque each cylinder head bolt 90° in numbered sequence, then tighten them another 90° in sequence.
Step 4. If you are using new bolts, tighten them an additional 90° in sequence.


Lower Engine:
















Main Bearing Caps:
Check clearances with plastigage, then tighten the 11 mm bolts in two steps. In the first step, tighten all bolts in sequence to about 29 Nm (22 ft. lbs.): in the final step, tighten in same sequence to 78 Nm (58 ft. lbs.).







Main Bearing Cap Bridge:
Tighten the 6 mm bolts in sequence to 12 Nm (8.7 ft. lbs.).







Timing Components:











Flywheel (M/T) Torque/Sequence:






Drive Plate (A/T) Torque/Sequence: