Operation CHARM: Car repair manuals for everyone.
Manuals through 2025 now available!

Our trusted friends have launched a new website named LEMON, which has newer manuals. It also contains all the CHARM manuals.

LEMON is the spiritual successor to CHARM, I recommend you try it!

Link: lemon-manuals.la or lemon-manuals.org.ua

(Some people have issue connecting. LEMON is investigating. For now, use Firefox or change your DNS server)

Or, hide this message: temporarily or permanently

System Diagram





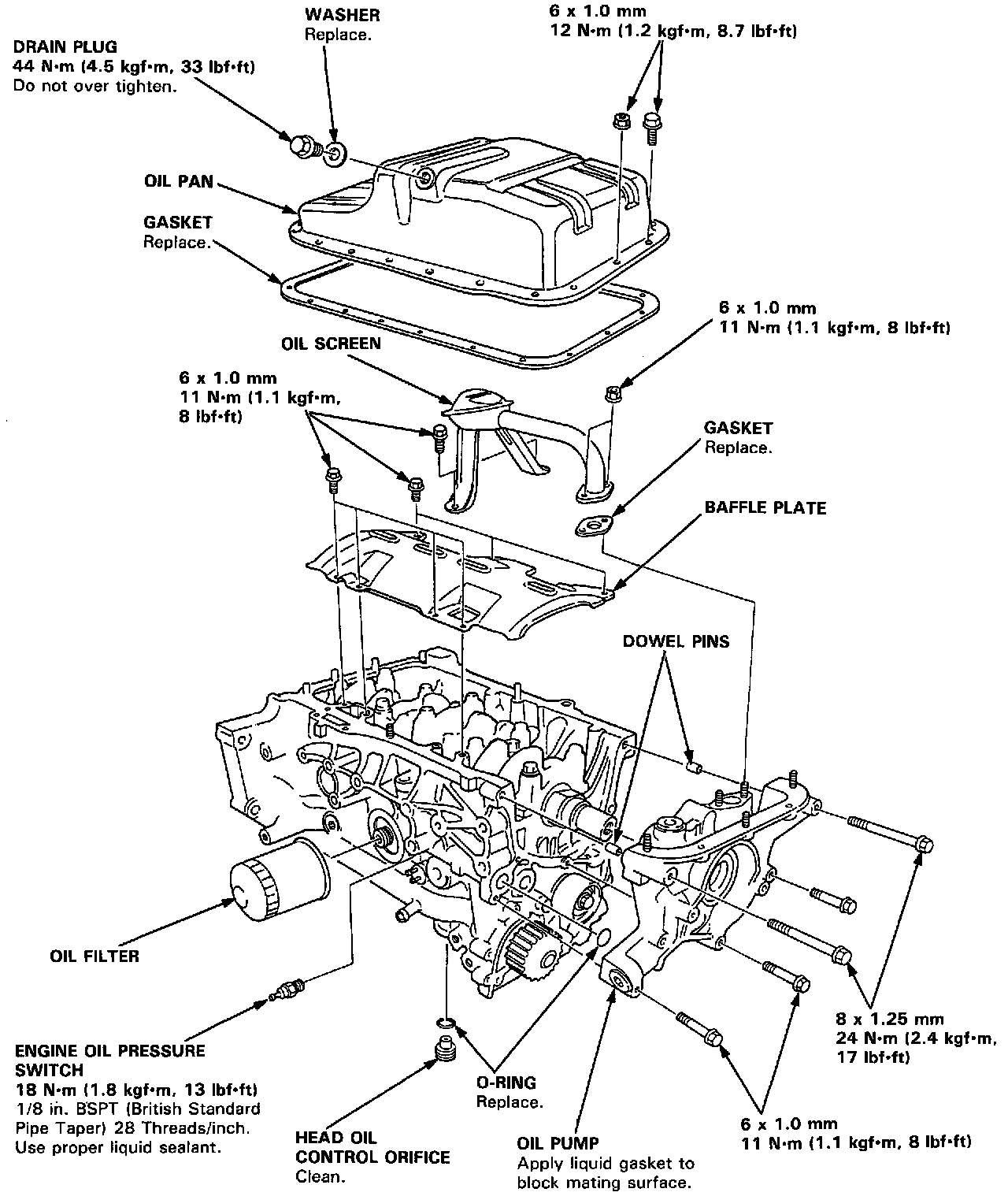
CAUTION: Do not overtighten the drain plug.

NOTE:
- Use new O-rings when reassembling.
- Apply oil to O-rings before installation.
- Use liquid gasket, Part No. 08718 - 0001 or 08718 -0003.
- Clean the oil pan gasket mating surfaces before installing it.