Operation CHARM: Car repair manuals for everyone.
Manuals through 2025 now available!

Our trusted friends have launched a new website named LEMON, which has newer manuals. It also contains all the CHARM manuals.

LEMON is the spiritual successor to CHARM, I recommend you try it!

Link: lemon-manuals.la or lemon-manuals.org.ua

(Some people have issue connecting. LEMON is investigating. For now, use Firefox or change your DNS server)

Or, hide this message: temporarily or permanently

Coolant: Service and Repair

CAUTION: When pouring engine coolant, be sure to shut the relay box lid and not let coolant spill on the electrical parts or the paint. If any coolant spills, rinse it off immediately.

NOTE:
- Perform this maintenance when the engine is cool.
- Before replacing the coolant, turn the ignition ON, slowly turn the climate control temperature knob to 90° and turn off the ignition. This will allow the coolant in the heater to drain out with the rest of the system.

1. Open the hood, the rear window and the engine cover.
2. Remove the cover protecting the water pipes and shift cables on the underside of the car.
3. Before removing the expansion tank cap, first loosen the cap to lower pressure.

CAUTION: Do not remove the expansion tank cap when engine is hot. The coolant is under pressure and may blow out and scald you. Open the cap slowly when the engine is cool.

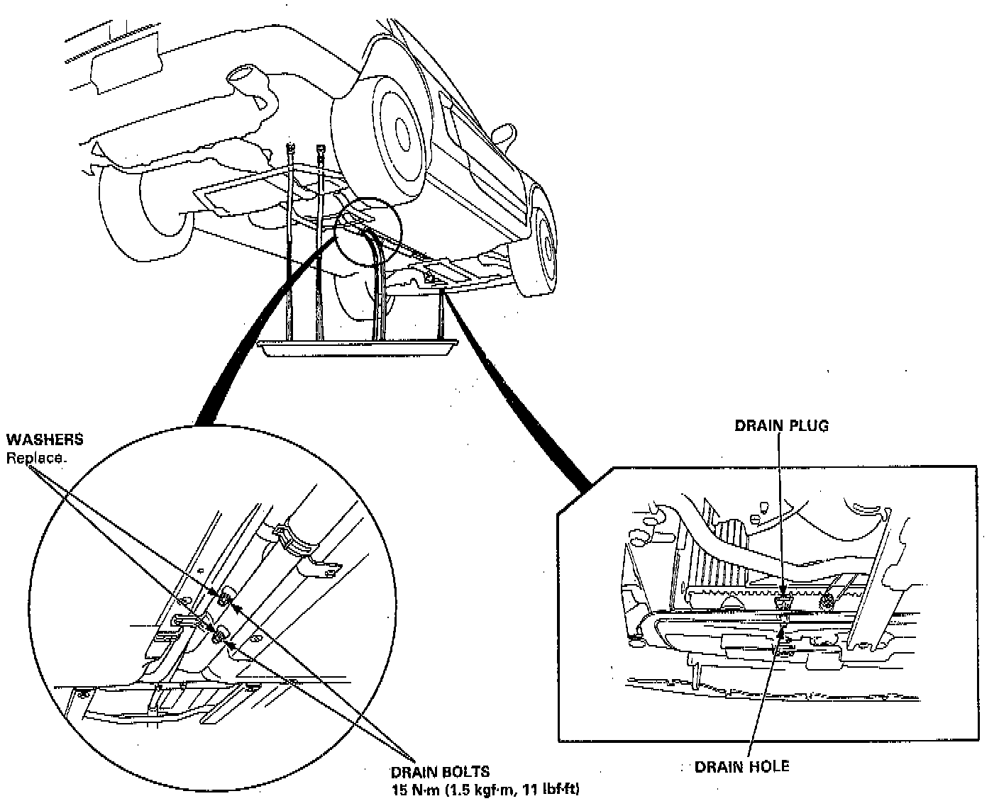
4. Loosen the drain plug in the bottom of the radiator, and drain the coolant.





5. Remove the two drain bolts from the water pipes, and drain the coolant.
6. Install rubber hoses on the drain bolts at the front and rear of the engine under the cylinder banks. Loosen the drain bolts to drain the coolant.
- Draining can be done more quickly if all the bleed bolts and plug are also opened. Before opening them, make sure the coolant level in the expansion tank has come down completely so that the coolant will not pour out of the bleed bolts and plug.





7. When the coolant stops draining, tighten the radiator drain plug, water pipe drain bolts and engine drain bolts.
- Be sure to replace the water pipe drain bolt washers with new ones.
8. Open all four bleeders.
1) Loosen the radiator bleed plug.
2) Remove the heater pipe bleed bolt.
3) Loosen the water pipe bleed bolt.
4) Loosen the engine bleed bolt on the therms cover.
9. Mix the recommended antifreeze/coolant with an equal amount of water in a clean container.

NOTE:
- Always use Genuine Honda Antifreeze/Coolant.
- If genuine Honda coolant is not available you may use another major-brand non-silicate coolant as a temporary replacement. Make sure it is a high quality coolant recommended for aluminum engines. However, continued use of any non-Honda coolant can result in corrosion, causing the cooling system to malfunction or fail. Have the cooling system flushed and refilled with Honda antifreeze/coolant as soon as possible.
- For best corrosion protection, the coolant concentrations must be maintained year-round at 50% minimum. Coolant concentrations less than 50% may not provide sufficient protection against corrosion or freezing.
- Coolant concentrations greater than 60% will impair cooling efficiency and are not recommended.

CAUTION:
- Do not mix different brands of antifreeze/coolant.
- Do not use additional rust inhibitors or anti-rust products; they may not be compatible with the recommended coolant.

Engine Coolant Refill Capacity: Including expansion tank 2.1 ~ (2.2 US quart, 1.8 Imp quart)

Manual: 12.0 l (12.7 US quart, 10.6 Imp quart)
Automatic: 12.0 l (12.7 US quart, 10.6 Imp quart)


10. Fill the expansion tank with engine coolant. As coolant starts to run out in a steady stream without bubbles, tighten the bleeders in sequence: thermo cover bleed bolt, radiator bleed plug, heater pipe bleed and water pipe bleed bolt.
11. After tightening all the bleeding bolts and plug, fill the expansion tank with coolant up to the MAX line.
12. Loosen the thermo cover bleed bolt to remove any remaining air.





13. When bleeding is completed, retighten the thermo cover bleed bolt and fill the expansion tank up to 0.5 l (0.53 US quart, 0.44 Imp quart) or 30 mm (1.2 inch) over the MAX line.
14. Install the expansion tank cap, and turn it 60 degrees (where it engages the first lock tab of filler neck).
15. Start the engine, and let it run until warmed up (until the thermostat opens and the radiator cooling fan runs).
16. Turn off the engine. Check the expansion tank and, if needed, add engine coolant to bring it up to the MAX line.
17. Tighten the expansion tank cap securely.
18. Reinstall the cover on the car's underside.