Transmission Installation
Transmission Installation1. Install the transmission lower front mount.
2. Install the torque converter assembly (A) on the mainshaft (B) with a new O-ring (C).
3. Install the 14 mm dowel pin (D) and 10 mm dowel pin (E) in the torque converter housing (F).
4. Place the transmission on a jack, and raise it to engine level.
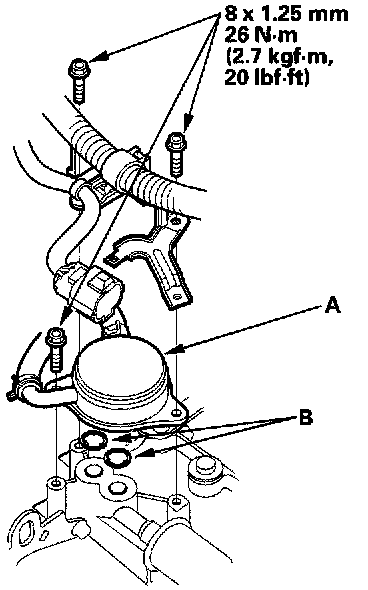
5. Attach the transmission to the engine, then install the transmission housing mounting bolts (A) and rear mount bracket bolt (B).
6. Install the transmission housing mounting bolts.
7. install the front mount bracket.
8. Install the engine stiffener mounting bolts (A).
9. Attach the torque converter to the drive plate (B) with eight bolts (C). Rotate the crankshaft pulley as necessary to tighten the bolts to 1/2 of the specified torque, then to the final torque, in a crisscross pattern. After tightening the last bolt, check that the crankshaft rotates freely.
10. Install the torque converter cover (D).
11. Tighten the crankshaft pulley bolt as necessary.
12. Install the control lever (A) with the shift cable (B) on the control shaft (C). Do not bend the shift cable excessively.
13. Install the lock bolt (D) with a new lock washer (E), then bend the lock washer tab against the bolt.
14. Install the shift cable cover (F), then install the shift cable holder (G) on the shift cable cover.
NOTE: To prevent damage to the control lever joint, be sure to install the shift cable holder after installing the shift cable cover to the torque converter housing.
15. Clean the areas where the intermediate shaft contacts the transmission (differential) with solvent or carburetor cleaner, and dry with compressed air. Then install the intermediate shaft in the differential. While installing the intermediate shaft, be sure not to allow dust or other foreign particles to enter the transmission.
16. Install new set rings on the right and left driveshafts.
17. Install the right and left driveshafts. While installing the left driveshaft in the differential, be sure not to allow dust or other foreign particles to enter the transmission.
NOTE:
- Clean the areas where the left driveshaft contacts the transmission (differential) with solvent or carburetor cleaner, and dry with compressed air.
- Turn the both steering knuckles fully outward, and slide the left driveshaft into the differential until you feel its spring clip engage the side gear. Slide the right driveshaft into the intermediate shaft until you feel its spring clip engage the intermediate shaft.
18. Install the transmission lower rear mount on the transmission.
19. Install the front beam (A) by aligning both reference marks (B) on both rear beams (C), and tighten the bolts.
20. Install the transmission lower mount nuts (D).
21. Connect the vacuum tube (E), and install the power steering fluid pipe (F) on its clamp.
22. Install the damper forks (A), then install the ball joints on each lower arm (B) with the castle nuts (C) and new cotter pins (D).
23. Install the radius rods (E) on each lower arm.
24. Remove the jack from the transmission.
25. Install the splash shield.
26. Install and tighten the nut on the front mount.
27. Remove the engine hanger from the engine.
28. Only for Premium; Install the power steering speed sensor.
29. Install the ATF warmer (A) with new O-rings (B) on the transmission housing. Do not cinch the O-rings.
30. Connect the transmission range switch connector (A), then install it on its connector bracket (B). Install the harness clamp on the bracket.
31. Install the joint connector (C) on its connector bracket (D).
32. Connect the connector to the countershaft speed sensor (E).
33. Connect the connectors to the torque converter clutch solenoid valve (A) and shift solenoid valve B (B).
34. Connect the connectors to A/T clutch pressure control solenoid valves A and B. then install the harness clamp on the bracket.
35. Connect the 8P connector (c), then install it on its connector bracket (D).
36. Install the transmission ground cable (A).
37. Connect the connectors to the mainshaft speed sensor (B), 4th clutch pressure switch (C), A/T clutch pressure control solenoid valve C (D), and shift solenoid valves A (E) and C (F), then install the harness clamps on the clamp brackets. Do not allow water, fluid, oil, dust, or other foreign particles to enter any of the connectors.
38. Install the starter (A) on the torque converter housing. Connect the starter cables (B) to the starter, and install the harness clamp on the clamp bracket. Make sure the crimped side of the starter cable ring terminal facing out.
39. Install the battery base bracket and battery base.
40. Install the battery cable clamps on the battery base.
41. Install the battery tray and battery, then secure the battery with its hold-down bracket.
42. Install the intake air duct.
- Premium; Install the intake air duct.
- Type S; Install the intake air duct-TCS control valve assembly.
43. Install the rear engine cover and the front engine cover.
44. Install the front strut support beam (torque 22 Nm, 2.2 kgf-cm, 22 ft. lbs.), and the front bulkhead cover.
45. Refill the transmission with ATF.
46. Connect the battery positive terminal, then connect the negative terminal.
47. Set the parking brake. Start the engine, and shift the transmission through all gears three times.
48. Check the shift lever operation, A/T gear position indicator operation, and shift cable adjustment.
49. Check and adjust the front wheel alignment.
50. Reattach the right and left hood support struts.
51. Let the engine reach normal operating temperature (the radiator fan comes on) with the transmission in the [P] or [N] position, and continue to run the engine at idle for more than 5 minutes to calibrate the engine idle control system in the PCM.
52. Turn the engine off and check the ATF level).
53. Perform the power window control unit reset procedure ('02-03 models).
54. Perform a road test.
55. Enter the anti-theft codes for the radio and the navigation system, then enter the radio station presets, and set the clock.
56. Loosen the front mount nut after the road test, then retighten the nut to the specified torque.