Operation CHARM: Car repair manuals for everyone.
Manuals through 2025 now available!

Our trusted friends have launched a new website named LEMON, which has newer manuals. It also contains all the CHARM manuals.

LEMON is the spiritual successor to CHARM, I recommend you try it!

Link: lemon-manuals.la or lemon-manuals.org.ua

(Some people have issue connecting. LEMON is investigating. For now, use Firefox or change your DNS server)

Or, hide this message: temporarily or permanently

Engine Installation

Installation





1. Install the brackets. Tighten their bolts and nuts to the specified torques.
2. Position the engine under the vehicle. Attach the chain hoist to the engine, then lift the engine into position in the vehicle.

NOTICE: Reinstall the mounting bolts/nuts in the sequence given. Failure to follow this sequence may cause excessive noise and vibration, and reduce bushing life.





3. Install the transmission lower rear mount (A/T).





4. Install the rear mount bracket (A) (A/T).





5. Install the A/C compressor.





6. Install the front beam (A) by aligning both reference marks (B) on both rear beams (C) and tighten the bolts.
7. Connect the vacuum hose (D), and install the Power Steering (P/S) line (E) on its clamp.





8. Tighten the flange bolts on the radius rods.





9. Install the transmission mount/beam assembly (M/T).





10. Tighten the transmission lower mount nuts (A/T).
11. Lower the hoist.





12. Tighten the front mount bracket support nut (A).
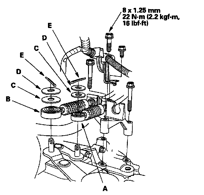
13. Install the front engine damper (B) (M/T).





14. Tighten the rear mount bracket support nut (A) and mounting bolt (B) (A/T).





15. Tighten the rear mount support bolt (A) and rear engine damper mounting bolts (B) (M/T).





16. Install the side engine mount bracket, then tighten the mounting bolts in the numbered sequence shown.
17. Remove the chain hoist from the engine.
18. Raise the hoist to full height.
19. Install a new spring clip on the end of each driveshaft, then install the driveshafts. Make sure each clip "clicks" into place in the differential.
20. Connect the suspension lower arm ball joints. Use new cotter pins.
21. Install the damper forks.





22. Install the control lever (A) with the shift cable, on the control shaft. Do not bend the shift cable any more than is necessary to install the control lever (A/T).
23. Install the lock bolt (B) with a new lock washer (C), then bend the lock tab of the lock washer (A/T).
24. Install the shift cable cover (D), then install the shift cable holder (E) on the shift cable cover (A/T).





25. Install exhaust pipe A (A), using new gaskets (B) and new self-locking nuts(C).





26. Install the splash shield.
27. Install the front tires/wheels.
28. Lower the hoist.





29. Install the P/S hose clamp to the rear beam.
30. Install the radiator.





31. Install the heater hoses.





32. Install the upper radiator hose (A) and lower radiator hose (B).





33. Push the Engine Control Module (ECM)/Powertrain Control Module (PCM) connectors through the bulkhead. Install the grommet, and tighten the mounting nuts (A).





34. Connect the ECM/PCM connector (A), and install the harness clamps (B).





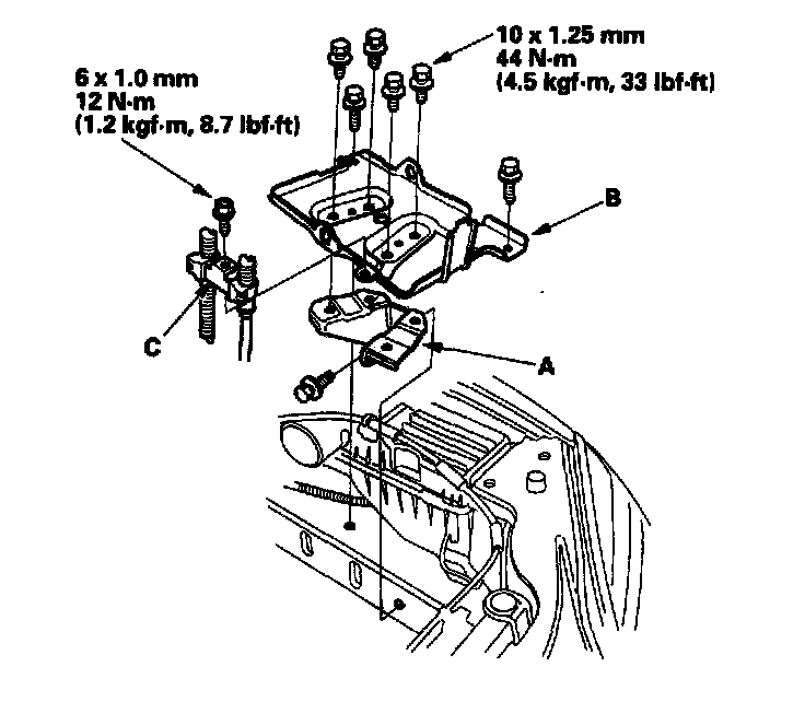
35. Install the under-hood fuse relay box (A), and tighten the flange bolt (B).
36. Install the battery cables (C) on the under-hood fuse relay box. Install the harness clamps (D). Install the battery cable grommet (E).





37. Install the engine wire harness clamps.





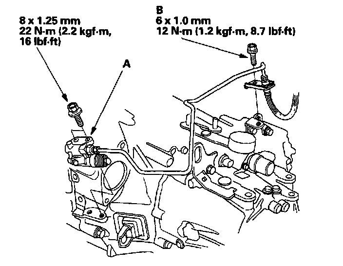
38. Install the brake booster vacuum hose (A) and vacuum hose (B)





39. Install the fuel feed hose (A) using new washers.
40. Install the fuel return hose (C).





41. Connect the Primary Heated Oxygen Sensor (primary H2OS) connector.





42. Install the select cable (A) and shift cable (B) using the plastic washers (C), washers (D) and new cotter pins (E) (M/T).





43. Install the clutch slave cylinder (A) and clutch line bracket mounting bolt (B) (M/T).





44. Install the starter cable (A) and ground cable (B).





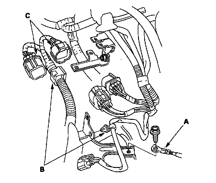
45. Install the ground cable (A) and harness clamps (B). Connect the engine wire harness connectors (C).





46. Install the battery base bracket (A), then install the battery base (B) and harness clamp (C).
47. Install the intake air duct (A), then install the vacuum hose (B) and breather pipe (C).





J32A1 engine, J32A2 engine (M/T)





J32A2 engine (A/T)

48. Install the evaporative emission (EVAP) control canister hose (D).
49. Loosely install the P/S pump belt and pump, then adjust the P/S pump belt.
50. Install the alternator belt.
51. Install and adjust the cruise control cable.
52. Install the throttle cable, then adjust the cable.
53. Install the intake manifold cover.





J32A2 engine shown





54. Tighten the bolt (A) securing the TCS control valve bracket. Connect the TCS control valve angle sensor connector (B), TCS control valve actuator connector (C) and water bypass hoses (D) on the TCS control valve assembly (J32A2 engine (A/T)).
55. Clean the battery posts and cable terminals with sandpaper, then assemble them and apply grease to prevent corrosion.
56. Move the shift lever to each gear, and verify that the A/T gear position indicator follows the transmission range switch (A/T).
57. Check that the transmission shifts into gear smoothly (M/T).
58. Inspect for fuel leaks. Turn the ignition switch ON (II) (do not operate the starter) so the fuel pump runs for about 2 seconds and pressurizes the fuel line. Repeat this operation two or three times, then check for fuel leakage at any point in the fuel line.
59. Refill the engine with engine oil.
60. Refill the transmission with fluid:
^ Manual transmission.
^ Automatic transmission.
61. Refill the radiator with engine coolant, and bleed air from the cooling system with the heater valve open.
62. Perform the Engine Control Module (ECM)/ Powertrain Control Module (PCM) idle learn procedure.
63. Inspect the idle speed.
64. Inspect the ignition timing.
65. Check the wheel alignment.
66. Perform the power window control unit reset procedure.
67. Enter the anti-theft code for the radio, then enter the customer's radio station presets.