Operation CHARM: Car repair manuals for everyone.
Manuals through 2025 now available!

Our trusted friends have launched a new website named LEMON, which has newer manuals. It also contains all the CHARM manuals.

LEMON is the spiritual successor to CHARM, I recommend you try it!

Link: lemon-manuals.la or lemon-manuals.org.ua

(Some people have issue connecting. LEMON is investigating. For now, use Firefox or change your DNS server)

Or, hide this message: temporarily or permanently

Compressor HVAC: Service and Repair

Compressor Replacement

1. If the compressor is marginally operable, run the engine at idle speed, and let the air conditioning work for a few minutes, then shut the engine off.
2. Make sure you have the anti-theft code for the radio and the navigation system, then write down the frequencies for the radio's preset buttons.
3. Disconnect the negative cable from the battery.
4. Recover the refrigerant with a recovery/recycling/charging station.
5. Remove the alternator.




6. Remove the compressor clutch connector (A) from the condenser fan shroud (B), then disconnect the compressor clutch connector. Disconnect the condenser fan connector (C), then remove the wire harness clips (D) from the condenser fan shroud. Remove the cruise control actuator cable (E) from the clamp. Loosen the lower mounting bolt, then remove the upper mounting bolts and the condenser fan shroud. Be careful not to damage the radiator fins when removing the condenser fan shroud.




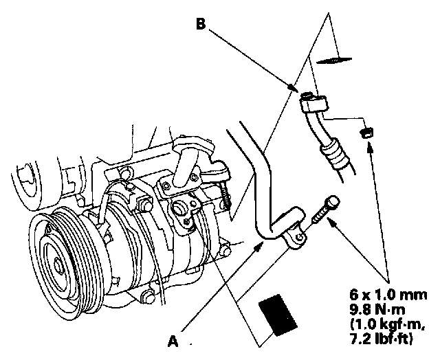
7. Remove the bolt and the nut, then disconnect the suction line (A) and discharge line (B) from the compressor. Plug or cap the lines immediately after disconnecting them to avoid moisture and dust contamination.




8. Remove the mounting bolts and the compressor. Be careful not to damage the radiator fins when removing the compressor.




9. If necessary, remove the mounting bolts and the compressor bracket.
10. Install the compressor in the reverse order of removal, and note these items:

- If you're installing a new compressor, you must calculate the amount of refrigerant oil to be removed from it.
- Replace the O-rings with new ones at each fitting, and apply a thin coat of refrigerant oil before installing them. Be sure to use the right O-rings for HFC-134a (R-134a) to avoid leakage.
- Use refrigerant oil (DENSO ND-OIL 8) for HFC-134a DENSO piston type compressor only.
- To avoid contamination, do not return the oil to the container once dispensed, and never mix it with other refrigerant oils.
- Immediately after using the oil, reinstall the cap on the container, and seal it to avoid moisture absorption.
- Do not spill the refrigerant oil on the vehicle; it may damage the paint; if the refrigerant oil contacts the paint, wash it off immediately.
- Be careful not to damage the radiator fins when installing the compressor and the condenser fan shroud.
- Charge the system.
- Enter the anti-theft code for the radio and the navigation system, then enter the customer's radio station presets.
- For '03 models: Perform the engine control module (ECM)/powertrain control module (PCM) idle learn procedure, and the power window control unit reset procedure.