Operation CHARM: Car repair manuals for everyone.
Manuals through 2025 now available!

Our trusted friends have launched a new website named LEMON, which has newer manuals. It also contains all the CHARM manuals.

LEMON is the spiritual successor to CHARM, I recommend you try it!

Link: lemon-manuals.la or lemon-manuals.org.ua

(Some people have issue connecting. LEMON is investigating. For now, use Firefox or change your DNS server)

Or, hide this message: temporarily or permanently

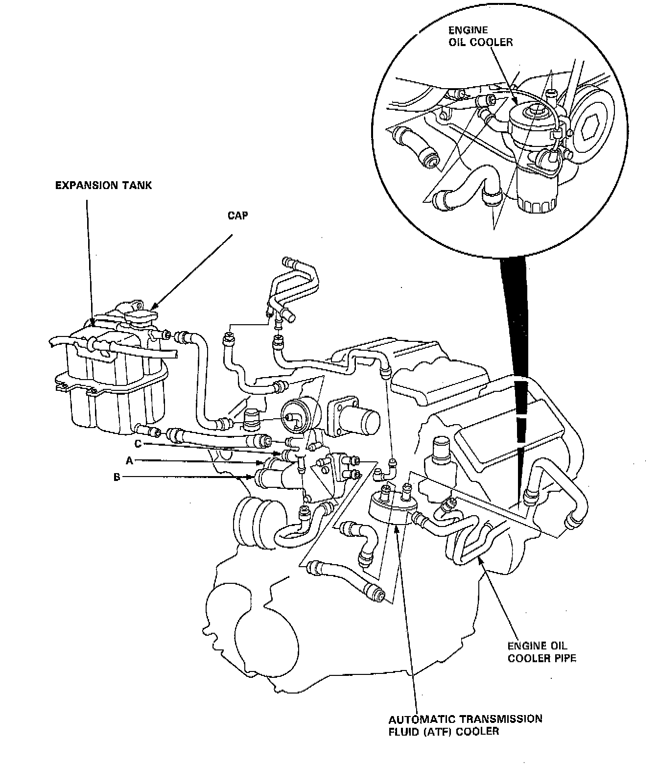
System Diagram








WARNING: System is under high pressure when the engine is hot. To avoid danger of releasing scalding engine coolant, remove the cap only when the engine is cool.

Total Cooling System Capacity: Including expansion tank 2.1 l (2.2 US quart, 1.8 Imp quart)
M/T: 16.0 l (17.0 US quart, 14.1 Imp quart)
A/T: 16.5 l (17.4 US quart, 14.5 Imp quart)


NOTE:
- Check all cooling system hoses for damage, leaks or deterioration and replace if necessary.
- Check all hose clamps and retighten if necessary.
- Use new O-rings when reassembling.