Operation CHARM: Car repair manuals for everyone.
Manuals through 2025 now available!

Our trusted friends have launched a new website named LEMON, which has newer manuals. It also contains all the CHARM manuals.

LEMON is the spiritual successor to CHARM, I recommend you try it!

Link: lemon-manuals.la or lemon-manuals.org.ua

(Some people have issue connecting. LEMON is investigating. For now, use Firefox or change your DNS server)

Or, hide this message: temporarily or permanently

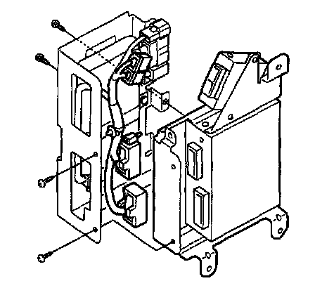
Onstar System Radio Frequency Modulator

OnStar System Radio Frequency Modulator Unit Input Test/Replacement

'03 model:

1. Open the trunk lid, and remove the OnStar system control compartment assembly cover.
2. Remove the OnStar control compartment with bracket.
3. Remove the four screws which install the OnStar control unit and OnStar system interface unit onto bracket.




4. Disconnect the five connectors from the OnStar control unit and OnStar system interface unit.
5. Release the clip on the bracket, and remove the OnStar system radio frequency modulator unit.




6. Disconnect the 25P connector (A) from the OnStar system radio frequency modulator unit (B).
7. Reconnect all connectors to the OnStar control unit and OnStar system interface unit.







8. Inspect the connector and socket terminals to be sure they are all making good contact.

- If the terminals are bent, loose or corroded, repair them as necessary, and recheck the system.
- If the terminals look OK, make the following input tests at the connector.
- If any test indicates a problem, find and correct the cause, then recheck the system.
- If all the input tests prove OK, the control unit must be faulty; replace it.