Operation CHARM: Car repair manuals for everyone.
Manuals through 2025 now available!

Our trusted friends have launched a new website named LEMON, which has newer manuals. It also contains all the CHARM manuals.

LEMON is the spiritual successor to CHARM, I recommend you try it!

Link: lemon-manuals.la or lemon-manuals.org.ua

(Some people have issue connecting. LEMON is investigating. For now, use Firefox or change your DNS server)

Or, hide this message: temporarily or permanently

Engine Removal

Removal

NOTE:
^ Use fender covers to avoid damaging painted surfaces.
^ To avoid damage, unplug the wiring connectors carefully while holding the connector portion.
^ Mark all wiring and hoses to avoid Disconnection. Also, be sure that they do not contact other wiring or hoses, or interfere with other parts.





1. Remove the support struts (A) from the engine hood. Move the hood to a vertical position, then reinstall the support strut as shown.

NOTE: Do not attempt to close the hood with the support strut in the vertical position, as it will damage the support strut and hood.

2. Make sure you have the anti-theft code for the radio, then write down the frequencies for the radio's preset buttons.
3. Disconnect the battery negative terminal first, then the positive terminal.
4. Remove the battery.





5. Remove the intake manifold cover.
J32A2 engine shown





6. Remove the water bypass hoses (A). Disconnect the TCS control valve actuator connector (B) and the TCS control valve angle sensor connector (C) from the TCS control valve assembly, then remove the bolt (D) securing the TCS control valve bracket (J32A2 engine (A/T)).
7. Remove the Evaporative Emission (EVAP) canister hose (A).





J32A1 engine, J32A2 engine (M/T)





J32A2 engine (A/T)

8. Remove the vacuum hose (B) and breather pipe (C), then remove the intake air duct (D).





9. Remove the harness clamp (A), then remove the battery base (B).
10. Remove the battery base bracket (C).





11. Remove the starter cable (A) and ground cable (B).





12. Remove the clutch slave cylinder (A) and clutch line bracket mounting bolt (B) (M/T).





13. Remove the shift cable (A) and select cable (B) (M/T).





14. Remove the throttle cable (A) and cruise control cable (B) by loosening the locknuts (C), then slipping the cable ends out of the accelerator linkage. Take care not to bend the cables when removing them. Always replace any kinked cable with a new one.





15. Remove the ground cable (A) and harness clamps (B), then disconnect the engine wire harness connectors (C) on the left side of the engine compartment.
16. Relieve fuel pressure.





17. Remove the fuel feed hose (A) and fuel return hose (B).





18. Remove the brake booster vacuum hose (A) and vacuum hose (B).





19. Remove the engine wire harness clamps.





20. Disconnect the Primary Heated Oxygen Sensor (primary HO2S) connector.





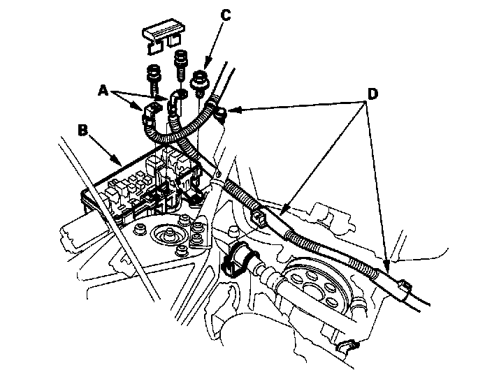
21. Remove the battery cables (A) from the under-hood fuse relay box (B).
22. Remove the flange bolt (C), then remove the underhood fuse relay box.
23. Remove the harness clamps (D).





24. Disconnect the Engine Control Module (ECM)/ Powertrain Control Module (PCM) connectors (A) from the ECM/PCM, and remove the harness clamps (B).





25. Remove the grommet mounting nuts (A), then pull out the engine wire harness.





26. Move the auto-tensioner (A) to remove tension from the alternator belt (B), then remove the alternator belt.





27. Loosen the adjusting nut (A), remove the locknut (B) and mounting bolt (C), then remove the Power Steering (P/S) pump belt (D) and pump without disconnecting the P/S hoses.
28. Remove the P/S hose clamp (E).
29. Remove the radiator cap.
30. Raise the hoist to full height.
31. Remove the front tires/wheels.





32. Remove the splash shield.
33. Loosen the drain plug in the radiator to drain the engine coolant.
34. Drain the transmission fluid:
^ Manual transmission.
^ Automatic transmission.
35. Drain the engine oil. Reinstall the drain bolt using a new washer.





36. Remove exhaust nine A





37. Remove the bolts (A) securing the shift cable holder (B), then remove the shift cable cover (C). To prevent damage to the control lever joint, be sure to remove the bolts securing the shift cable holder before removing the bolts securing the shift cable cover (A/T).
38. Remove the lock bolt (D) securing the control lever (E), then remove the shift cable (F) with the control lever. Take care not to bend the shift cable while removing it (A/T).
39. Remove the damper forks.
40. Disconnect the suspension lower arm ball joints).
41. Remove the driveshafts. Coat all precision finished surfaces with clean engine oil. Tie plastic bags over the driveshaft ends.
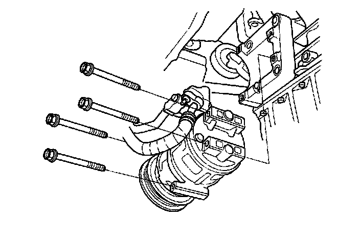
42. Lower the hoist.





43. Remove the upper radiator hose (A) and lower radiator hose (B).





44. Remove the heater hoses.





45. Remove the P/S hose clamp from the rear beam.
46. Remove the radiator.





47. Attach the chain hoist to the engine as shown.





48. Remove the side engine mount bracket.





49. Remove the front mount bracket support nut (A) (M/T).
50. Remove the front engine damper (B) (M/T).





51. Remove the rear mount bracket support nut (A) and mounting bolt (B) (A/T).





52. Remove the rear mount support bolt (A) and rear engine damper mounting bolts (B) (M/T).
53. Make sure the hoist brackets are positioned properly. Raise the hoist to full height.





54. Remove the flange bolts securing the radius rods.





55. Remove the transmission mount/beam assembly (M/T).





56. Remove the nuts securing the transmission lower mounts (A/T).





57. Make a reference mark (A) across the front beam (B) and the rear beam (C).





58. Disconnect the vacuum hose (A) on the front beam (B), and unlatch the P/S line clamps (C) on the front beam.
59. Remove the front beam.





60. Remove the A/C compressor without disconnecting the A/C hoses.





61. Remove the rear mount bracket (A) (A/T).





62. Remove the transmission lower rear mount (A/T).
63. Check that the engine/transmission is completely free of vacuum hoses, fuel and coolant hoses and electrical wiring.
64. Slowly lower the engine about 150 mm (6 inch). Check once again that all hoses and wires are disconnected from the engine/transmission.
65. Lower the engine all the way. Disconnect the chain hoist from the engine.
66. Remove the engine from under the vehicle.