Operation CHARM: Car repair manuals for everyone.
Manuals through 2025 now available!

Our trusted friends have launched a new website named LEMON, which has newer manuals. It also contains all the CHARM manuals.

LEMON is the spiritual successor to CHARM, I recommend you try it!

Link: lemon-manuals.la or lemon-manuals.org.ua

(Some people have issue connecting. LEMON is investigating. For now, use Firefox or change your DNS server)

Or, hide this message: temporarily or permanently

Fuel Injector: Service and Repair

Injector Replacement
1. Relieve fuel pressure.
2. J32A1 engine: Remove the intake manifold covers and the intake manifold.
J32A2 engine: Remove the intake manifold covers and the intake manifold.




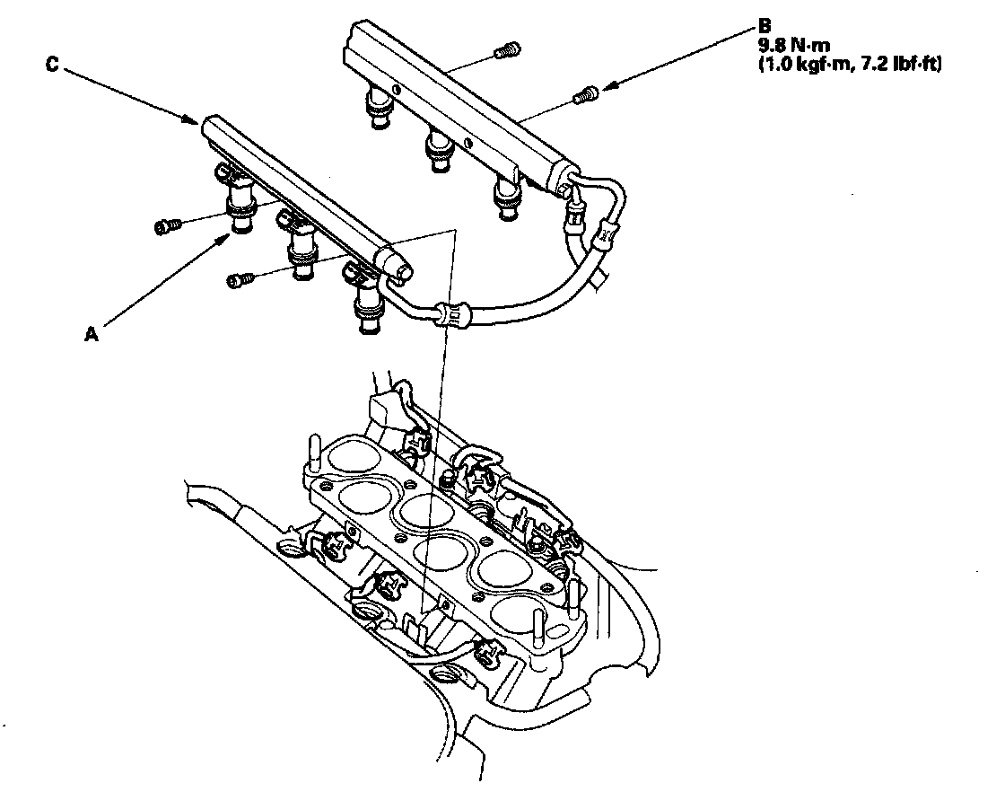
3. Disconnect the connectors from the injectors (A).
4. Remove the fuel rail mounting bolts (B) from the fuel rail (C).
5. Remove the fuel rails.
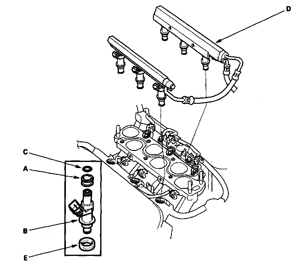
6. Remove the injectors from the fuel rails.




7. Slide new cushion rings (A) onto the injectors (B).
8. Coat the new O-rings (C) with clean engine oil, and put them on the injectors.
9. Insert the injectors into the rail (D) first.
10. Coat new seal rings (E) with clean engine oil, and press them into the intake manifold.
11. To prevent damage to the O-rings, install the fuel rails first, then install then install them in the intake manifold.
12. Install the fuel rail mounting bolts.
13. Install the connectors on the injectors.
14. Install the intake manifold and the intake manifold cover.
15. Turn the ignition switch ON (II), but do not operate the starter. After the fuel pump runs for approximately two seconds, the fuel pressure in the fuel line rises. Repeat this two or three times, then check for fuel leakage.