Operation CHARM: Car repair manuals for everyone.
Manuals through 2025 now available!

Our trusted friends have launched a new website named LEMON, which has newer manuals. It also contains all the CHARM manuals.

LEMON is the spiritual successor to CHARM, I recommend you try it!

Link: lemon-manuals.la or lemon-manuals.org.ua

(Some people have issue connecting. LEMON is investigating. For now, use Firefox or change your DNS server)

Or, hide this message: temporarily or permanently

Fuel Pressure: Testing and Inspection

Fuel Pressure Test

Special Tools Required
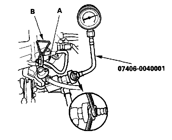
- Fuel pressure gauge 07406-0040001
- Fuel pressure gauge attachment 07VAJ-0040100

1. Make sure you have the anti-theft code for the radio, then write down the frequencies for the radio's preset buttons.
2. Disconnect the battery negative cable from the battery negative terminal.
3. Remove the fuel fill cap.




4. Use a wrench on the fuel pulsation damper (A) at the fuel rail.
5. Place a rag or shop towel (B) over the fuel pulsation damper.
6. Slowly loosen the fuel pulsation damper one complete turn.




7. Remove the fuel pulsation damper from its fitting, and attach the fuel pressure gauge attachment.




8. Attach the fuel pressure gauge.
9. Disconnect the vacuum hose (A) from the fuel pressure regulator, and pinch it closed with a clamp (B).
10. Start the engine and let it idle.
- If the engine starts, go to step 12.
- If the engine does not start, go to step 11.

11. Check to see if the fuel pump is running: hold your ear near the fuel injector rails underneath the intake manifold cover while an assistant turns the ignition switch ON (II). You should hear the fuel flow through the injector rails for about two seconds when the ignition switch is turned ON (II).
- If the pump runs, go to step 12.
- If the pump does not run, test the fuel pump.

12. Read the pressure gauge (with the fuel pressure regulator vacuum hose disconnected and clamped). The pressure should be 324 - 373 kPa (3.3 - 3.8 kgf/sq.cm, 47 - 54 psi).
- If the pressure is OK and engine is running, go to step 13. If not running, repair the cause, then continue this test.
- If the pressure is out of spec, go to step 14.

13. With the engine running, reconnect the vacuum hose and read the gauge again. The pressure should be 270 - 320 kPa (2.75 - 3.25 kgf/sq.cm, 40 - 46 psi).
- If the fuel pressure is OK, the test is complete. Go to step 15.
- If the pressure is out of spec, go to step 14.

14. Disconnect the vacuum hose from the pressure regulator again while you watch the pressure gauge. The pressure should rise when you disconnect the hose.
- If the pressure did not rise, check the vacuum hose for leakage, clogging or loose connections. If it's OK, then replace the fuel pressure regulator and recheck the fuel pressure.
- If the pressure rose, and all your readings were within spec, go to step 15.
- If the pressure rose, but your readings were out of spec, check for these problems:
- If the pressure is too low, check for a clogged fuel filter and for leaks in the fuel lines.
- If the pressure is too high, check for a pinched or clogged fuel return hose or line.

15. Reconnect the vacuum hose, remove the pressure gauge, and reinstall the fuel pulsation damper with a new washer. Tighten the fuel pulsation damper to 22 N.m (2.2 kgf.m, 16 lbf.ft).

NOTE: Disassemble and clean the fuel pressure gauge attachment thoroughly after use.