Operation CHARM: Car repair manuals for everyone.
Manuals through 2025 now available!

Our trusted friends have launched a new website named LEMON, which has newer manuals. It also contains all the CHARM manuals.

LEMON is the spiritual successor to CHARM, I recommend you try it!

Link: lemon-manuals.la or lemon-manuals.org.ua

(Some people have issue connecting. LEMON is investigating. For now, use Firefox or change your DNS server)

Or, hide this message: temporarily or permanently

Valve Clearance: Adjustments

Adjustment

NOTE: Adjust the valves only when the cylinder head temperature is less than 100°F (38°C).





1. Remove the strut brace.





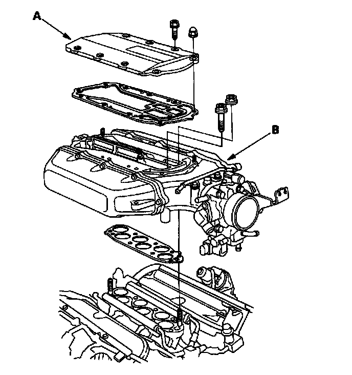
2. Remove the intake manifold cover (A) and ignition coil cover (B).





3. Remove the water bypass hoses (A). Disconnect the TCS control valve actuator connector (B) and TCS control valve angle sensor connector (C) from the TCS control valve assembly, then remove the bolt (D) securing the TCS control valve bracket (J32A2 engine (A/T)).
4. Remove the Evaporative Emission (EVAP) canister hose (A).





J32A1 engine, J32A2 (M/T)





J32A2 engine (A/T)

5. Remove the vacuum hose (B) and breather pipe (C), then remove the intake air duct (D).





6. Remove the throttle cable (A) and cruise control cable (B) by loosening the locknuts (C), then slipping the cable ends out of the accelerator linkage. Take care not to bend the cables when removing them. Always replace any kinked cable with a new one.





7. Remove the breather hose (A) and water bypass hose (B).





8. Remove the brake booster vacuum hose (A), vacuum hoses (B) and Positive Crankcase Ventilation (PCV) hose (C).





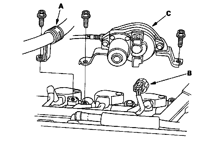
9. Remove the P/S hose clamp (A). Disconnect the Intake Manifold Runner Control (IMRC) actuator connector (B), then remove the IMRC actuator (C) (J32A2 engine).





10. Remove two bolts securing the wire harness holder.
11. Remove the engine wire harness connectors and wire harness clamps from the intake manifold.
^ Intake Air Temperature (IAT) sensor connector
^ Idle Air Control (IAC) valve connector
^ Throttle Position (TP) sensor connector
^ Manifold Absolute Pressure (MAP) sensor connector





12. Remove the upper cover (A), then remove the intake manifold (B).
13. Remove the cylinder head covers.





14. Set the No. 1 Piston at Top Dead Center (TDC). Align the pointer (A) on the front upper cover with the No. 1 Piston TDC mark (B) on the front camshaft pulley.








15. Select the correct thickness feeler gauge for the valves you're going to check.
Intake: 0.20 - 0.24 mm (0.008 - 0.009 inch)
Exhaust: 0.28 - 0.32 mm (0.011 - 0.013 inch)
Adjusting screw locations





16. Insert the feeler gauge (A) between the adjusting screw (B) and the end of the valve stem and slide it back and forth; you should feel a slight amount of drag.





17. If you feel too much or too little drag, loosen the locknut (A), and turn the adjusting screw (B) until the drag on the feeler gauge is correct.
18. Tighten the locknut and recheck the clearance. Repeat the adjustment if necessary.





19. Rotate the crankshaft clockwise. Align the pointer (A) on the front upper cover with the No. 4 piston TDC mark (B) on the front camshaft pulley.
20. Check and, if necessary, adjust the valve clearance on No. 4 cylinder.





21. Rotate the crankshaft clockwise. Align the pointer (A) on the front upper cover with the No. 2 piston TDC mark (B) on the front camshaft pulley.
22. Check and, if necessary, adjust the valve clearance on No. 2 cylinder.





23. Rotate the crankshaft clockwise. Align the pointer (A) on the front upper cover with the No. 5 piston TDC mark (B) on the front camshaft pulley.
24. Check and, if necessary, adjust the valve clearance on No. 5 cylinder.





25. Rotate the crankshaft clockwise. Align the pointer (A) on the front upper cover with the No. 3 piston TDC mark (B) on the front camshaft pulley.
26. Check and, if necessary, adjust the valve clearance on No. 3 cylinder.





27. Rotate the crankshaft clockwise. Align the pointer (A) on the front upper cover with the No. 6 piston TDC mark (B) on the front camshaft pulley.
28. Check and, if necessary, adjust the valve clearance on No. 6 cylinder.
29. Reinstall all removed parts.