Campaign - Front Camshaft Replacement: Overview
02-033November 11, 2002
Applies To:
2003 3.2CL - From VIN 19UYA424.3A000135 thru 19UYA424.3A009909 and
- From VIN 19UYA425.3A001004 thru 19UYA425.3A009434
Product Update: 2003 3.2CL Front Camshaft
BACKGROUND
On certain 2003 3.2CLs (except Type-S), the front camshaft was made to an incorrect design specification. Because of this, there can be a slight loss of power at engine speeds over 4,000 rpm.
CUSTOMER NOTIFICATION
All owners of affected vehicles will be mailed a notification of this product update. An example of the notification letter is shown in this service bulletin.
Not all of the vehicles in the listed VIN range are affected by this campaign. Before beginning work, verify that the vehicle is eligible by checking at least one of the following:
^ The customer has a notification letter.
^ The vehicle is shown on your campaign responsibility report.
^ The vehicle is shown as eligible on a VIN Status Inquiry using the iN.
CORRECTIVE ACTION
Replace the camshaft in the front cylinder head.
PARTS INFORMATION
Camshaft Kit (includes the front camshaft, and all necessary engine gaskets): P/N 14100-P8E-999
WARRANTY CLAIM INFORMATION
Operation Number: 110154
Flat Rate Time: 3.0 hours
Failed Part: P/N 14100-PGE-A00
Defect Code: 5CL
Contention Code: L74
Template ID: 02-033A
Skill Level: Repair Technician
REPAIR PROCEDURE
1. Make sure you have the audio system anti-theft code and the navigation system security code (if equipped). Write down the customer's radio station presets.
2. Disconnect the battery, and remove it from the vehicle.
3. Remove the intake manifold cover and the ignition coil front cover.
4. Remove the front ignition coils.
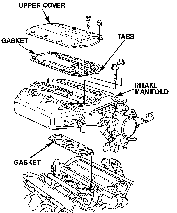
5. Remove the intake manifold upper cover and the intake manifold. Note the tab locations on the upper gasket, and save both gaskets for reuse.
6. Remove the front cylinder head cover, and save its gasket for reuse.
7. Loosen the power steering adjusting nut, and remove the locknut and mounting bolt. Remove the ground cable. Remove the power steering pump belt and the pump without disconnecting the power steering hoses.
8. Set the No. 1 piston at top dead center (TDC). Align the pointer on the timing belt front upper cover with the No. 1 piston TDC mark on the front camshaft pulley.
9. Remove the timing belt front and rear upper covers.
10. Grind the end of one of the battery clamp bolts as shown.
11. Screw the battery clamp bolt into the timing belt adjuster boss to hold the adjuster in its current position. Tighten the bolt by hand; do not use a wrench.
12. Loosen the timing belt idler pulley.
13. Remove the intake and exhaust rocker arm assemblies from the front cylinder head:
^ To avoid damaging the valves or the rocker arms, loosen the rocker shaft mounting bolts two turns at a time, in the sequence shown.
^ When you remove the rocker arms, leave the mounting bolts in the rocker shafts. This helps to keep the springs and arms on the shafts.
14. Secure the timing belt to the front camshaft pulley with wire ties at 10 o'clock and 2 o'clock. Then remove the pulley from the camshaft.
15. Remove the EGR valve from the water passage, and discard the gasket.
16. Remove the thrust cover from the front camshaft, and discard the 0-ring.
17. Note the position of the front camshaft; you'll need to install the new one the same way. Pull out the front camshaft from the cylinder head.
18. Remove the camshaft pulley back cover from the front cylinder head. Replace the camshaft seal, then install the back cover. Torque the bolts to 22 N.m (16 lb-ft).
19. Insert the new camshaft into the cylinder head.
20. Install the camshaft thrust cover with a new 0-ring, and torque the bolts to 22 N.m (16 lb-ft).
21. Install the EGR valve with a new gasket, and torque the bolts to 22 N.m (16 lb-ft).
22. Install the camshaft pulley. Apply engine oil to the pulley bolt, then torque the bolt to 90 N.m (67 lb-ft). Remove the wire ties.
23. Apply engine oil to the rocker arm shaft bolts. Set the rocker arm assemblies in place, and hand-tighten the shaft bolts. Make sure the rocker arms are correctly positioned over the valve stems.
24. Tighten the rocker shaft bolts two turns at a time, in the sequence shown, to 24 N.m (17 lb-ft).
25. Torque the timing belt idler pulley bolt to 44 N.m (33 lb-ft).
26. Remove the battery clamp bolt from the timing belt adjuster boss.
27. Install the timing belt front and rear upper covers, and torque the bolts to 12 N.m (8.7 lb-ft)
25. Loosely install the power steering pump and the power steering belt.
29. Adjust the power steering belt to the "used belt" specification (see page 17-12 of the 2001-03 3.2CL Service Manual).
30. Adjust the valve clearance (see page 6-18 of the Service Manual).
31. Install the front cylinder head cover with the original gasket. Tighten the bolts in two or three steps, using the sequence shown. In the final step, torque the bolts to 12 N.m (8.7 lb-ft).
32. Install the intake manifold with its original gasket. Tighten the nuts and bolts in two or three steps, using the sequence shown. In the final step, torque the nuts and bolts to 22 N.m (16 lb-ft).
33. Install the intake manifold upper cover with its original gasket. Make sure the gasket is positioned with its small tab behind the large tab. Tighten the nuts and bolts in two or three steps, using the sequence shown. In the final step, torque the nuts and bolts to 12 N.m (8.7 lb-ft).
34. Install the ignition coils, and torque the bolts to 12 N.m (8.7 ft-lb).
35. Install the intake manifold cover and the ignition coil front cover. Torque the bolts to 12 N.m (8.7 lb-ft).
36. Install the battery, and reconnect the terminals.
37. Do the idle learn procedure:
^ With all electrical items off (radio, A/C, lights, etc.) start the engine, and hold it at 3,000 rpm until the radiator fan comes on.
^ Let the engine idle for 5 minutes with the throttle fully closed. If the radiator fan comes on, do not include its running time in the 5 minutes.
35. Reset the driver's window AUTO function:
^ With the engine running, open the driver's window fully.
^ Close the window fully, and hold the switch for a second or two more.
39. Enter the audio system anti-theft code and the customer's radio station presets. Enter the navigation system security code (if equipped). Set the clock.
40. Center-punch a completion mark above the fourth character of the engine compartment VIN.
Disclaimer