Operation CHARM: Car repair manuals for everyone.
Manuals through 2025 now available!

Our trusted friends have launched a new website named LEMON, which has newer manuals. It also contains all the CHARM manuals.

LEMON is the spiritual successor to CHARM, I recommend you try it!

Link: lemon-manuals.la or lemon-manuals.org.ua

(Some people have issue connecting. LEMON is investigating. For now, use Firefox or change your DNS server)

Or, hide this message: temporarily or permanently

Transmission Installation

Installation





1. Install the transmission lower front mount.





2. Install the torque converter assembly (A) on the mainshaft (B) with a new O-ring (C).
3. Install the 14 mm dowel pin (D) and 10 mm dowel pin (E) in the torque converter housing (F).
4. Place the transmission on a transmission jack, and raise it to engine level.





5. Attach the transmission to the engine, then install the transmission housing mounting bolts (A) and rear mount bracket bolt (B).





6. Install the transmission housing mounting bolts.





7. Install the front mount bracket.





8. Install the torque converter housing mounting bolts (A).
9. Attach the torque converter to the drive plate (B) with eight bolts (C). Rotate the crankshaft pulley as necessary to tighten the bolts to 1/2 of the specified torque, then to the final torque, in a crisscross pattern. After tightening the last bolt, check that the crankshaft rotates freely.
10. Install the torque converter cover (D).
11. Tighten the crankshaft pulley bolt as necessary (see step 2).





12. Install the control lever (A) with the shift cable (B) on the control shaft (C). Do not bend the shift cable excessively.
13. Install the lock bolt (D) with a new lock washer (E), then bend the lock washer tab against the bolt.
14. Install the shift cable cover (F), then install the shift cable holder (G) on the shift cable cover.

NOTE: To prevent damage to the control lever joint, be sure to install the shift cable holder after installing the shift cable cover to the torque converter housing.





15. Clean the areas where the intermediate shaft contacts the transmission (differential) with solvent or carburetor cleaner, and dry with compressed air. Then install the intermediate shaft in the differential. While installing the intermediate shaft, be sure not to allow dust or other foreign particles to enter the transmission.
16. Install set rings on the right and left driveshafts.
17. Install the right and left driveshaft. While installing the left driveshaft in the differential, be sure not to allow dust or other foreign particles to enter the transmission.

NOTE:
- Clean the areas where the left driveshaft contacts the transmission (differential) with solvent or carburetor cleaner, and dry with compressed air.
- Turn the right and left steering knuckle fully outward, and slide the left driveshaft into the differential until you feel its spring clip engage the side gear. Slide the right driveshaft into the intermediate shaft until you feel its spring clip engage the intermediate shaft.





18. Install the transmission lower rear mount on the transmission.





19. Install the front beam (A) by aligning both reference marks (B) on both rear beams (C), and tighten the bolts.
20. Install the transmission lower mount nuts (D).
21. Connect the vacuum tube (E), and install the power steering fluid pipe (F) on its clamps.





22. Install the damper forks (A), then install the ball joints on each lower arm (B) with the castle nuts (C) and new cotter pins (D).
23. Install the radius rods (E) on each lower arm.
24. Remove the transmission jack from the transmission.





25. Install the splash shield.





26. Install and tighten the nut on the front mount.
27. Remove the engine hanger from the engine.





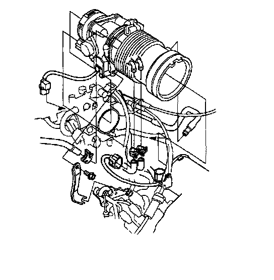
28. Install the ATF warmer (A) with new O-rings (B) on the transmission housing. Do not pinch the O-rings.





29. Install the harness cover (A) on the bracket (B).
30. Connect the transmission range switch connector (C), then install it on its connector bracket (D). Install the harness clamp (E) on the bracket (F).
31. Install the joint connector (G) on its connector bracket (H).
32. Connect the countershaft speed sensor connector (I).





33. Connect the connectors to the torque converter clutch solenoid valve (A) and the shift solenoid valve B (B).





34. Connect the connectors to the A/T clutch pressure control solenoid valves A (A) and B (B), then install the harness clamp on the bracket.
35. Connect the 8P connector (C), then install it on its connector bracket (D).





36. Install the transmission ground cable terminal (A).
37. Connect the connectors to the mainshaft speed sensor (B), 4th clutch pressure switch (C), A/T clutch pressure control solenoid valve C (D), and shift solenoid valves A (E) and C (F), then install the harness clamps on the clamp brackets. Do not allow water, fluid, oil, dust, or other foreign particles to enter any of the connectors.





38. Install the starter (A) on the torque converter housing. Connect the starter cables (B) to the starter, and install the harness clamp on the clamp bracket. Make sure the crimped side of the starter cable ring terminal faces out.
39. Install the battery base bracket and battery base.
40. Install the battery cable clamps on the battery base.
41. Install the battery tray and battery, then secure the battery with its hold-down bracket.





42. Install the intake air duct:
- For PREMIUM models: Install the intake air duct.
- For TYPE S models: Install the intake air duct-TCS control valve assembly.





43. Install the engine covers.
44. Install the front strut support beam (Torque 22 Nm, 2.2 kgf-cm, 22 ft. lbs.), and the front bulkhead cover.
45. Refill the transmission with ATF.
46. Connect the battery positive terminal, then connect the negative terminal.
47. Set the parking brake. Start the engine, and shift the transmission through all gears three times.
48. Check the shift lever operation, A/T gear position indicator operation, and shift cable adjustment.
49. Check and adjust the front wheel alignment.
50. Reinstall the hood support strut mount bolt to the proper location on the right side of the hood. Reattach the right and left hood support struts.
51. Start the engine and let it reach normal operating temperature (the radiator fan comes on) with the transmission in the P or N position, then turn it off and check the ATF level.
52. Perform a road test.
53. Enter the anti-theft code for the radio, then enter the radio station presets, and set the clock.





54. Loosen the front mount nut after the road test, then retighten the nut to the specified torque.