Operation CHARM: Car repair manuals for everyone.
Manuals through 2025 now available!

Our trusted friends have launched a new website named LEMON, which has newer manuals. It also contains all the CHARM manuals.

LEMON is the spiritual successor to CHARM, I recommend you try it!

Link: lemon-manuals.la or lemon-manuals.org.ua

(Some people have issue connecting. LEMON is investigating. For now, use Firefox or change your DNS server)

Or, hide this message: temporarily or permanently

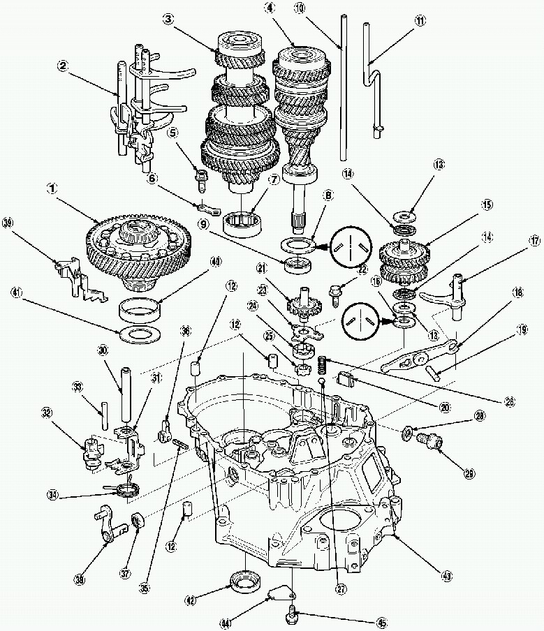
Transmission Disassembly



Manual Transmission Disassembly















NOTE: Place the clutch housing on two pieces of wood thick enough to keep the mainshaft from hitting the workbench.




1. Remove the strainer cover (A), O-ring (B), strainer set spring (C), and oil pump strainer (D).




2. Remove the transmission harness stay (A), reverse lockout solenoid (B), and back-up light switch (C).




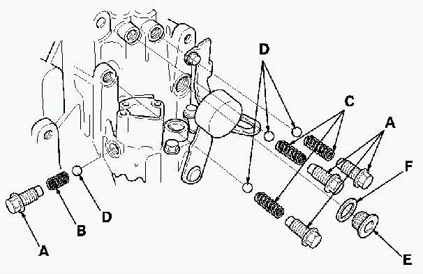
3. Remove the set screws (A), 22 mm spring (B), 27.4 mm springs (C), steel balls (D), oil filler plug (E), and washer (F).




4. Remove the set screws (A), 22 mm spring (B), 27.4 mm springs (C), steel balls (D), countershaft speed sensor (E), mainshaft speed sensor (F), and O-rings (G).




5. Remove the oil check bolt (A), 6 mm washer (B), drain plug (C), and 14 mm washer (D).




6. Remove the transmission hanger (A), transmission hanger (B), ground bracket (C), and 8 x 1.25 mm flange bolt (D). Remove the 10 mm flange bolts in a crisscross pattern in several steps.




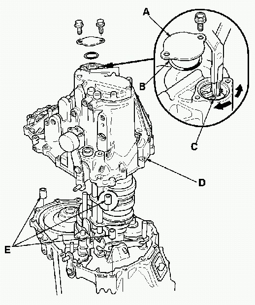
7. Remove the transmission case cap (A) and 37.7 mm O-ring (B).
8. Expand the 75 mm snap ring (C) on the countershaft ball bearing, and remove it from the groove using a pair of snap ring pliers.
9. Remove the transmission housing (D) and 14 x 20 mm dowel pins (E).




10. Remove the oil guide pipe A (A), ail guide pipe (B), and magnet (C).




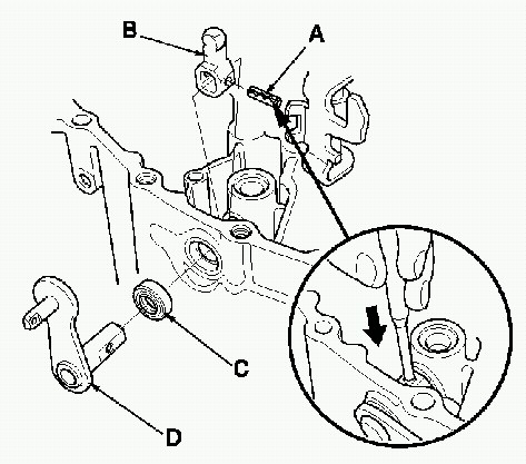
11. Remove the pin (A) and reverse shaft lever (B).




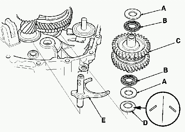
12. Remove the 20 mm thrust washers (A), 20 mm thrust needle bearings (B), reverse idler gear shaft assembly (C), 33 mm spring washer (D), and reverse shift fork (E) as an assembly.




13. Remove the pin (A), select return spring (B), shift piece shaft (C), shift piece (D), and interlock (E).




14. Remove the 5 mm spring pin (A), select arm (B), 14 x 20 mm dust seal (C), and select lever (D).




15. Apply tape to the mainshaft splines to protect the seal, then remove the mainshaft assembly (A) and countershaft assembly (B) with the shift forks (C) from the clutch housing (D).
16. Remove the 64 mm spring washer (E).




17. Remove the oil pump shaft (A), differential assembly (B), and oil gutter plate (C).




18. Remove the oil pump plate (A), oil pump inner rotor (B), oil pump outer rotor (C), relief valve spring (D), and steel ball (E).




19. Remove the 82 mm shim (A) from the transmission housing (B).




20. Remove the 8 mm special bolt (A), 8 mm spring washer (B), shift arm (C), changed lever (D), and 16 x 23 x 5 mm dust seal (E).