Operation CHARM: Car repair manuals for everyone.
Manuals through 2025 now available!

Our trusted friends have launched a new website named LEMON, which has newer manuals. It also contains all the CHARM manuals.

LEMON is the spiritual successor to CHARM, I recommend you try it!

Link: lemon-manuals.la or lemon-manuals.org.ua

(Some people have issue connecting. LEMON is investigating. For now, use Firefox or change your DNS server)

Or, hide this message: temporarily or permanently

Transmission Reassembly



Manual Transmission Reassembly

NOTE: Prior to reassembling, clean all parts in solvent, dry them, and apply lubricant to any contact surfaces.




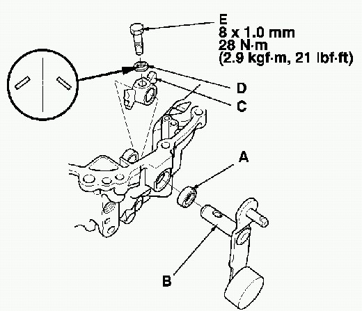
1. Press the new dust seal (A) into the transmission housing surface, then install the shift lever (B), shift arm (C), 8 mm spring washer (D), and 8 mm special bolt (E).




2. Select the proper size 82 mm shim (A) according to the measurements made during the mainshaft thrust clearance adjustment. Adjustments Install it into the transmission housing (B).




3. Install the steel ball (A), relief valve spring (B), oil pump outer rotor (C), oil pump inner rotor (D), and oil pump plate (E).




4. Install the oil gutter plate (A), differential assembly (B), and oil pump shaft (C).




5. Install the 64 mm spring washer (A). Note the installation direction of the 64 mm spring washer.
6. Apply vinyl tape to the mainshaft splines (B) to protect the seal. Install the mainshaft and countershaft (C) into the shift forks (D), and install them as an assembly.




7. Press the new dust seal (A) into the clutch housing surface, then install the select lever (B), select arm (C), and new 5 mm spring pin (D).




8. Set the select return spring (A), pin (B), and interlock (C) as shown.




9. Install the shift piece (A) and shift piece shaft (B).




10. Install the 33 mm spring washer (A). Note the installation direction of the spring washer (A).
11. Install the 20 mm thrust needle bearing (B), 20 mm thrust washers (C), reverse idler gear shaft assembly (D), and reverse shift fork (E) as an assembly.




12. Install the reverse shift lever (A), and pin (B).




13. Install the oil guide pipe A (A), oil guide pipe (B), and magnet (C).




14. Remove the dirt and oil from the transmission housing sealing surface. Apply liquid gasket (P/N 08718-0001) to the sealing surface. Be sure to seal the entire circumference of the bolt holes to prevent oil leakage.

NOTE: If 5 minutes have passed after applying liquid gasket, reapply it and assemble the housing. Allow it to cure at least 20 minutes after assembly before filling the transmission with oil.








15. Install the 14 x 20 mm dowel pins (A).
16. Lower the transmission housing the rest of the way as you expand the 75 mm snap ring (B). Release the snap ring so it seats in the groove of the countershaft bearing.
17. Check that the 75 mm snap ring is securely seated in the groove of the countershaft bearing.

Dimension (1) as installed 9.91-11.52 mm (0.390-0.454 in)

18. Install the new 37.7 mm O-ring (C) and transmission case cap (D).

NOTE: Check the operation of the shift lever.




19. Install the transmission hanger (A), transmission hanger (B), ground bracket (C), 8 x 1.25 mm flange bolt (D), and the 10 mm flange bolts finger-tight.




20. Tighten the 10 mm flange bolts in a crisscross pattern in several steps.

Torque 44 Nm (20 ft lbs)




21. Install the oil check bolt (A), new 6 mm washer (B), drain plug (C), and new 14 mm washer (D).




22. Apply liquid gasket (P/N 08718-0001) to set screws, then install the set screws (A), 22 mm spring (B), 27.4 mm spring (C), steel balls (D), countershaft speed sensor (E), mainshaft speed sensor (F), and new O-rings (G).




23. Apply liquid gasket (P/N 08718-0001) to set screws, then install the set screws (A), 22 mm spring (B), 27.4 mm spring (C), steel balls (D), oil filler plug (E), and new washer (F).




24. Remove the dirt and oil from the reverse lockout solenoid sealing surface. Apply liquid gasket (P/N 08718-0001) to the sealing surface.

NOTE: If 5 minutes have passed after applying liquid gasket, reapply it and assemble the housing. Allow it to cure at least 20 minutes after assembly before filling the transmission with oil.




25. Install the transmission harness stay (A), reverse lockout solenoid (B), and back-up light switch (C).

NOTE: Apply liquid gasket (P/N 08718-0001) to the threads of the back-up light switch (C).




26. Install the strainer cover (A), new O-ring (B), strainer set spring (C), and oil pump strainer (D).