Operation CHARM: Car repair manuals for everyone.
Manuals through 2025 now available!

Our trusted friends have launched a new website named LEMON, which has newer manuals. It also contains all the CHARM manuals.

LEMON is the spiritual successor to CHARM, I recommend you try it!

Link: lemon-manuals.la or lemon-manuals.org.ua

(Some people have issue connecting. LEMON is investigating. For now, use Firefox or change your DNS server)

Or, hide this message: temporarily or permanently

Intake Manifold: Service and Repair

Intake Manifold Removal and Installation






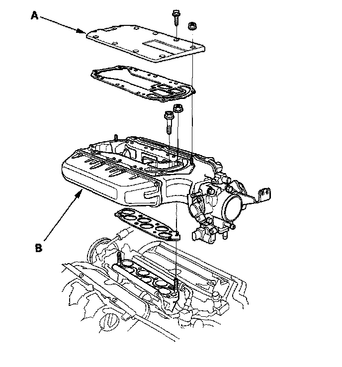
Exploded View-J32A1 engine ('00-03 models)





Exploded View-J32A2 engine

Removal





1. Remove the intake manifold cover (A) and ignition coil cover(s) (B).





2. Remove the water bypass hoses (A). Disconnect the TCS control actuator connector (B) and the TCS control valve angle sensor connector (C) from the TCS control valve assembly, then remove the bolt (D) securing the TCS control valve bracket (J32A2 engine).





3. Remove the Evaporative Emission (EVAP) canister hose (A) from the throttle body.
4. Remove the vacuum hose (B) and breather pipe (C), then remove the intake air duct (D).





5. Remove the throttle cable (A) and cruise control cable (B) by loosening the locknuts (C), then slipping the cable ends out of the accelerator linkage. Take care not to bend the cables when removing them. Always replace any kinked cable with a new one.
6. Remove the engine wire harness connectors and wire harness clamps from the intake manifold.
^ Intake Air Temperature (IAT) sensor connector
^ Idle Air Control (IAC) valve connector
^ Throttle Position (TP) sensor connector
^ Manifold Absolute Pressure (MAP) sensor connector
7. Remove the Intake Manifold Runner Control (IMRC) cable from the intake manifold side (J32A2 engine).





8. Remove the brake booster vacuum hose (A), vacuum hoses (B) and Positive Crankcase Ventilation (PCV) hose (C).





9. Remove the breather hose (A) and water bypass hoses (B).






10. Remove the upper cover (A), then remove the intake manifold (B) ('00-03 models).

Installation





1. Install the intake manifold. Tighten the bolts and nuts sequentially in two or three steps. Always use a new intake manifold gasket.





2. Install the upper cover. Tighten the bolts and nuts sequentially two or three steps. Always use a new gasket ('00-03 models).





3. Install the brake booster vacuum hose (A), vacuum hoses (B) and positive crankcase ventilation (PCV) hose (C).





4. Install the breather hose (A) and water bypass hoses (B).
5. Install the throttle cable, then adjust the cable.
6. Install the cruise control cable, then adjust the cable.





7. Install the intake air duct (A), then install the vacuum hose (B) and breather pipe (C).
8. Install the Evaporative Emission (EVAP) canister hose (D).





9. Tighten the bolt (A) securing the TCS control valve bracket. Connect the TCS control valve angle sensor connector (B), TCS control valve actuator connector (C) and water bypass hoses (D) on the TCS control valve assembly (J32A2 engine).





10. Install the ignition coil cover(s) (A) and intake manifold cover (B).
11. Clean up any spilled engine coolant.
12. After installation, check that all tubes, hoses and connectors are installed correctly.
13. Refill the radiator with engine coolant, and bleed air from the cooling system with the heater valve open.