Operation CHARM: Car repair manuals for everyone.
Manuals through 2025 now available!

Our trusted friends have launched a new website named LEMON, which has newer manuals. It also contains all the CHARM manuals.

LEMON is the spiritual successor to CHARM, I recommend you try it!

Link: lemon-manuals.la or lemon-manuals.org.ua

(Some people have issue connecting. LEMON is investigating. For now, use Firefox or change your DNS server)

Or, hide this message: temporarily or permanently

Clutch: Service and Repair

Replacement

Special Tools Required
- Clutch alignment shaft 07ZAF-PR8A100
- Clutch alignment disc 07JAF-PM7011A
- Remover handle 07936-3710100.
- Ring gear holder 07LAB-PV00100 or 07924-PD20003

Pressure Plate and Clutch Disc Removal





1. Check the diaphragm spring fingers for height using the special tools and a feeler gauge (A). If the height is more than the service limit, replace the pressure plate.





2. Install the special tools.
3. To prevent warping, unscrew the pressure plate mounting bolts (A) in a crisscross pattern in several steps, then remove the pressure plate (B).





4. Inspect the pressure plate (A) surface for wear, cracks, and burning.
5. Inspect the fingers of the diaphragm spring (B) for wear at the release bearing contact area.





6. Inspect for warpage using a straight edge (A) and feeler gauge (B). Measure across the pressure plate (C). If the warpage is more than the service limit, replace the pressure plate.





7. Remove the clutch disc and special tools.





8. Inspect the lining of the clutch disc for signs of slipping or oil. If the clutch disc is burned black or oil soaked, replace it.
9. Measure the clutch disc thickness. If the thickness is less than the service limit, replace the clutch disc.





10. Measure the rivet depth from the clutch disc lining surface (A) to the rivets (B) on both sides. If the rivet depth is less than the service limit, replace the clutch disc.

Flywheel Inspection
1. Inspect the ring gear teeth for wear and damage.
2. Inspect the clutch disc mating surface on the flywheel for wear, cracks and burning.





3. Measure the flywheel (A) runout using a dial indicator (B) through at least two full turns with the engine installed. Push against the flywheel each time you turn it to take up the crankshaft thrust washer clearance. If the runout is more than the service limit, replace the flywheel and recheck the runout. Resurfacing the flywheel is not recommended.

Flywheel Replacement





1. Install the special tool.
2. Remove the flywheel mounting bolts in a crisscross pattern in several steps, then remove the flywheel.
3. Install the flywheel on the crankshaft, and install the mounting bolts finger-tight.





4. Install the special tool, then torque the flywheel mounting bolts in a crisscross pattern in several steps.

Clutch Disc and Pressure Plate Installation





1. Install the ring gear holder.
2. Apply Super High Temp Urea Grease (P/N 08798-9002) to the splines (A) of the clutch disc (B), then install the clutch disc using the special tools.





3. Install the pressure plate (A) and the mounting bolts (B) finger-tight.





4. Torque the mounting bolts in a crisscross pattern. Tighten the bolts in several steps to prevent warping the diaphragm spring.
5. Remove the special tools.
6. Make sure the diaphragm spring fingers are all the same height.

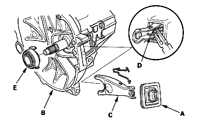
Release Bearing Replacement





1. Remove the release fork boot (A) from the clutch housing (B).
2. Remove the release fork (C) from the clutch housing (B) by squeezing the release fork set spring (D) with pliers. Remove the release bearing (E).





3. Check the release bearing for play by spinning it by hand. If there is excessive play, replace the release bearing with a new one.

NOTE: The release bearing is packed with grease. Do not wash it in solvent.





4. Apply Super High Temp Urea Grease (P/N 08798-9002) to the release fork (A), the release fork bolt (B), the release bearing (C), and the release bearing Guide (D) in the shaded areas.
5. With the release fork slid between the release bearing pawls, install the release bearing on the mainshaft while inserting the release fork through the hole in the clutch housing.
6. Align the detent of the release fork with the release fork bolt, then press the release fork over the release fork bolt squarely.
7. Install the release fork boot (E), make sure the boot seals around the release fork and clutch housing.





8. Move the release fork (A) right and left to make sure that it fits properly against the release bearing (B), and that the release bearing slides smoothly.