Operation CHARM: Car repair manuals for everyone.
Manuals through 2025 now available!

Our trusted friends have launched a new website named LEMON, which has newer manuals. It also contains all the CHARM manuals.

LEMON is the spiritual successor to CHARM, I recommend you try it!

Link: lemon-manuals.la or lemon-manuals.org.ua

(Some people have issue connecting. LEMON is investigating. For now, use Firefox or change your DNS server)

Or, hide this message: temporarily or permanently

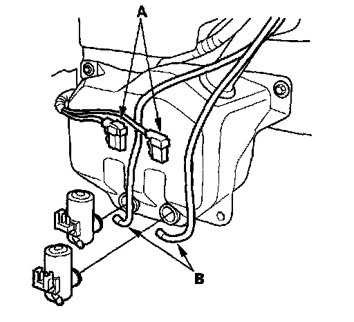
Windshield Washer Reservoir: Service and Repair

Washer Reservoir Replacement

1. Remove the left inner fender.




2. Disconnect the 2P connector(s) (A) and washer tube (B).




3. Remove the four bolts and washer reservoir (A).
4. Install the reservoir in the reverse order of removal. Check the washer motor operation.