Operation CHARM: Car repair manuals for everyone.
Manuals through 2025 now available!

Our trusted friends have launched a new website named LEMON, which has newer manuals. It also contains all the CHARM manuals.

LEMON is the spiritual successor to CHARM, I recommend you try it!

Link: lemon-manuals.la or lemon-manuals.org.ua

(Some people have issue connecting. LEMON is investigating. For now, use Firefox or change your DNS server)

Or, hide this message: temporarily or permanently

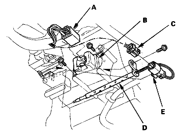
Evaporator Temperature Sensor / Switch: Service and Repair

Evaporator Temperature Sensor Replacement

1. Remove the passenger's dashboard under cover.




2. Disconnect the 4P connector (A) from the power transistor (B) then remove the self-tapping screws and carefully pull out the power transistor. Disconnect the 2P connector (C) from the evaporator temperature sensor (D), then remove the connector clip (E). Remove the self-tapping screw, and carefully pull out the evaporator temperature.
3. Install in the reverse order of removal.