Operation CHARM: Car repair manuals for everyone.
Manuals through 2025 now available!

Our trusted friends have launched a new website named LEMON, which has newer manuals. It also contains all the CHARM manuals.

LEMON is the spiritual successor to CHARM, I recommend you try it!

Link: lemon-manuals.la or lemon-manuals.org.ua

(Some people have issue connecting. LEMON is investigating. For now, use Firefox or change your DNS server)

Or, hide this message: temporarily or permanently

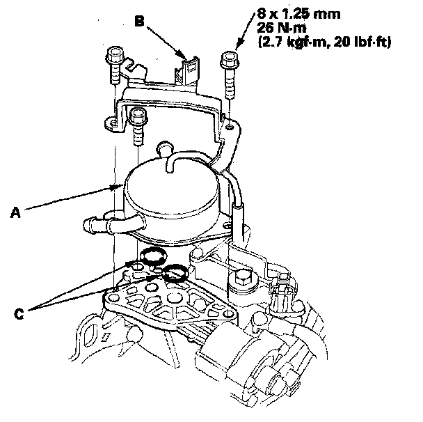
ATF Warmer Replacement

ATF Warmer Replacement

NOTE: Replace the ATF warmer with a new one whenever the transmission assembly is replaced.

1. Drain the engine coolant.
2. Remove the left side engine compartment cover.
3. Remove the air intake duct and air cleaner housing.





4. Remove the harness clamps (A) and harness cover (B) from the harness clamp bracket (C), and remove the bolt securing the bracket.
5. Disconnect the water hoses (D) from the ATF warmer (E).





6. Put a shop rugs around the ATF warmer (A) to catch the ATF that flows out.
7. Remove the bolts securing the ATF warmer and the bracket (B), then remove the ATF warmer from the transmission.
8. Clean the mounting surfaces and fluid passages. Do not allow dust or other foreign particles to enter the transmission.
9. Install the new ATF warmer with the new O-rings (C) and the bracket. Do not pinch the O-rings.
10. Connect the water hoses on the ATF warmer, and secure the hoses with the clips.
11. Install the harness clamp bracket bolt, and install the harness clamps and harness cover on the bracket.
12. Install the air intake duct and air cleaner housing.
13. Install the left side engine compartment cover.
14. Fill the radiator with the engine coolant, then bleed air from the cooling system.