Operation CHARM: Car repair manuals for everyone.
Manuals through 2025 now available!

Our trusted friends have launched a new website named LEMON, which has newer manuals. It also contains all the CHARM manuals.

LEMON is the spiritual successor to CHARM, I recommend you try it!

Link: lemon-manuals.la or lemon-manuals.org.ua

(Some people have issue connecting. LEMON is investigating. For now, use Firefox or change your DNS server)

Or, hide this message: temporarily or permanently

Flywheel: Service and Repair

Clutch Replacement
Special Tools Required
- Pressure plate compressor 07AAE-P8EA000
- Clutch alignment shaft 07AAF-P8EA000
- Pressure plate compressor adapter 07AAK-P8EA000
- Ring gear holder 07LAB-PV00100 or 07924-PD20003
- Attachment, 37 x 40 mm 07746-0010200
- Driver 07749-0010000

NOTICE: You must use the special tools required to remove and install the clutch pressure plate or you will irreversibly damage it.

Pressure Plate and Clutch Disc Removal





1. Check the height of the diaphragm spring fingers using the special tools and a feeler gauge. If the height is more than the service limit, replace the pressure plate and clutch disc as a set.





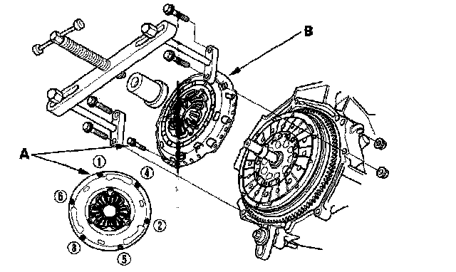
2. Install the special tools.
3. Turn the center screw (A) clockwise by hand to apply pressure on the diaphragm spring. Continue turning the center screw until it stops.





4. Loosen the pressure plate mounting bolts (A) in the pattern shown in several steps, then remove the bolts.
5. Turn the center screw on the pressure plate compressor counterclockwise by hand to release the pressure, then install two pressure plate mounting bolts, hand-tight, to hold the pressure plate (B). Remove the special tools and the pressure plate.





6. Inspect the fingers of the diaphragm spring (A) for wear at the release bearing contact area.





7. Inspect the pressure plate surface (A) for wear, cracks, and burning.





8. Inspect for warpage using a straight edge (A) and a feeler gauge (B). Measure across the pressure plate (C). If the warpage is more than the service limit, replace the pressure plate and clutch disc as a set.





9. Remove the clutch disc and special tools.
10. Inspect the lining of the clutch disc for signs of slipping or oil. If the clutch looks burnt or is oil soaked, replace it and the pressure plate as a set. Find and repair the source of the oil leak if the clutch disc is soaked.





11. Measure the clutch disc thickness. If the thickness is less than the service limit, replace the clutch disc and pressure plate as a set.





12. Measure the rivet depth from the clutch disc lining surface (A) to the rivets (B) on both sides. If the rivet depth is less than the service limit, replace the clutch disc and pressure plate as a set.

Flywheel and Pilot Bearing Inspection
1. Inspect the ring gear teeth for wear and damage.
2. Inspect the clutch disc mating surface on the flywheel for wear, cracks, and burning.





3. Measure the flywheel (A) runout using a dial indicator (B) through at least two full turns with the engine installed. Push against the flywheel each time you turn it to take up the crankshaft thrust washer clearance. If the runout is not within the standard, replace the flywheel, and recheck the runout. Resurfacing the flywheel is not recommended.





4. Turn the inner race of the pilot bearing with your finger. The pilot bearing should turn smoothly and quietly. Check that the pilot bearing outer race fits tightly in the flywheel. If the race does not turn smoothly, quietly, or fit tight in the flywheel, replace the pilot bearing.

Flywheel and Pilot Bearing Replacement





1. Install the special tool.
2. Remove the flywheel mounting bolts in a crisscross pattern in several steps, then remove the flywheel.





3. Remove the pilot bearing (A) from the flywheel (B).





4. Install the new pilot bearing (A) into the flywheel using the special tools. Apply a light coat of oil to the bearing outer surface.
5. Install the flywheel and mounting bolts, finger-tight.





6. Install the special tool, then torque the flywheel mounting bolts in a crisscross pattern in several steps.

Clutch Disc and Pressure Plate Installation

NOTE: The clutch disc and pressure plate are a matched set and must be replaced together.

1. Temporarily install the clutch disc onto the splines of the transmission mainshaft. Make sure the clutch disc slides freely on the mainshaft.
2. Install the ring gear holder.





3. Apply super high temp urea grease (P/N 08798-9002) to the splines (A) of the clutch disc (B), then install the clutch disc using the special tools.





4. Align a point mark (A) across the pressure plate (B) and flywheel (C).
5. Install the pressure plate and the mounting bolts (D), finger-tight.
6. Install the special tools.





7. Turn the center screw (A) clockwise by hand to apply pressure on the diaphragm spring. Continue turning the center screw until it stops.





8. Be careful not to damage the pressure plate (A). Tighten (180 degrees apart) the pressure plate mounting bolts (B) in the pattern as shown in several steps.
9. Turn the center screw on the pressure plate compressor counterclockwise by hand to release the pressure, then remove the special tools.
10. Make sure the diaphragm spring fingers are all the same height.

Release Bearing Replacement





1. Remove the release fork boot (A) from the clutch housing (B).
2. Remove the release fork (C) from the clutch housing by squeezing the release fork set spring (D). Remove the release bearing (E).





3. Check the play of the release bearing by spinning it with your hand. If there is excessive play, replace the release bearing.

NOTE: The release bearing is packed with grease. Do not wash it in solvent.





4. Apply super high temp urea grease (P/N 08798-9002) to the release fork (A), the release fork bolt (B), and the release bearing (C), in the shaded areas.
5. With the release fork slid between the release bearing pawls, install the release bearing on the mainshaft while inserting the release fork through the hole in the clutch housing.
6. Align the detent of the release fork with the release fork bolt, then squarely press the release fork over the release fork bolt.
7. Install the release fork boot (E). Make sure the boot seals around the release fork and clutch housing.





8. Move the release fork (A) right and left to make sure that it fits properly against the release bearing (B) and that the release bearing slides smoothly. Wipe off any excess grease.