Operation CHARM: Car repair manuals for everyone.
Manuals through 2025 now available!

Our trusted friends have launched a new website named LEMON, which has newer manuals. It also contains all the CHARM manuals.

LEMON is the spiritual successor to CHARM, I recommend you try it!

Link: lemon-manuals.la or lemon-manuals.org.ua

(Some people have issue connecting. LEMON is investigating. For now, use Firefox or change your DNS server)

Or, hide this message: temporarily or permanently

Evaporative Emissions System: Description and Operation




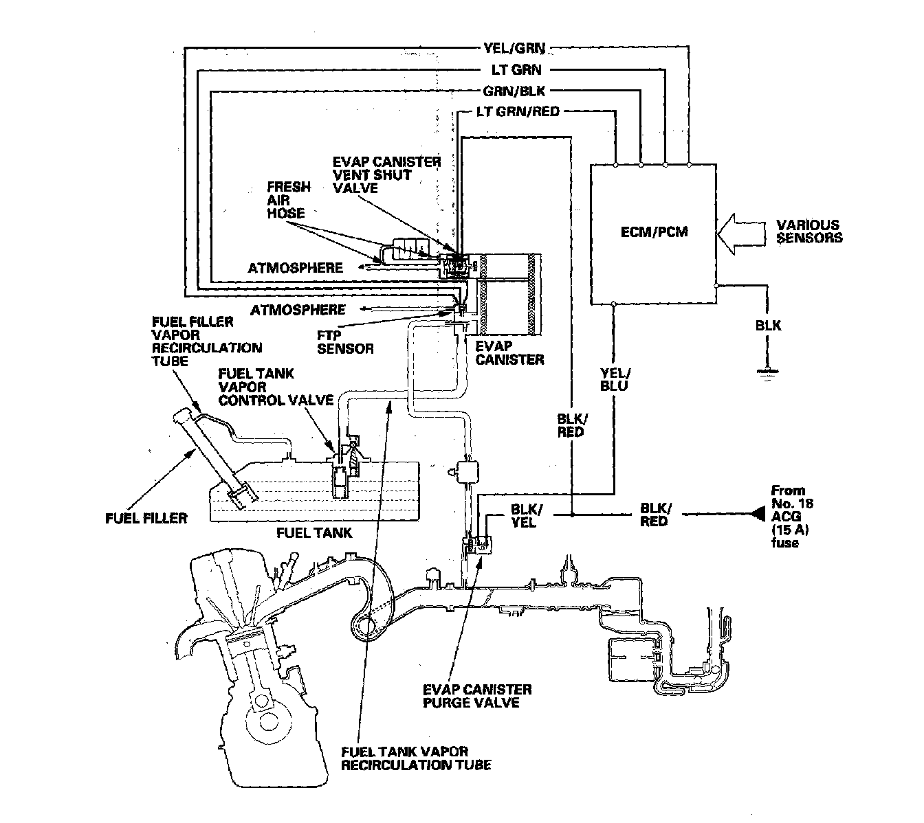
Evaporative Emission (EVAP) Control System

The EVAP controls minimize the amount of fuel vapor escaping to the atmosphere. Vapor from the fuel tank is temporarily stored in the EVAP canister until it can be purged from the canister into the engine and burned.

The EVAP canister is purged by drawing fresh air through it and into a port on the intake manifold.
The purging vacuum is controlled by the EVAP canister purge valve, which operates whenever engine coolant temperature is above 131 °F (55 °C).

EVAP Canister
The EVAP canister temporarily stores fuel vapor from the fuel tank until it can be purged from the EVAP canister into the engine and burned.

EVAP Canister Purge Valve
When the engine coolant temperature is below 131 °F (55 °C), the ECM/PCM turns off the EVAP canister purge valve which cuts vacuum to the EVAP canister.




Fuel Tank Pressure (FTP) Sensor
The FTP sensor converts fuel tank absolute pressure into an electrical input to the ECM/PCM.




EVAP Canister Vent Shut Valve
The EVAP canister vent shut valve is on the EVAP canister.
The EVAP canister vent shut valve controls the venting of the EVAP canister.