Operation CHARM: Car repair manuals for everyone.
Manuals through 2025 now available!

Our trusted friends have launched a new website named LEMON, which has newer manuals. It also contains all the CHARM manuals.

LEMON is the spiritual successor to CHARM, I recommend you try it!

Link: lemon-manuals.la or lemon-manuals.org.ua

(Some people have issue connecting. LEMON is investigating. For now, use Firefox or change your DNS server)

Or, hide this message: temporarily or permanently

Transmission Removal

Transmission Removal

Special Tools Required
- Engine hanger adapter VSB02C000015
- Engine support hanger, A and Reds AAR-T-12566 (Available through the Honda Tool and Equipment Program 888-424-6857)
- Front subframe adapter VSB02C000016

1. Get the customer's radio anti-theft code (navigation code), and write down the radio station presets.
2. Set the wheels in the straight ahead position.
3. Lock the steering wheel.





4. Remove the steering joint cover (A).
5. Make a reference mark (B) across the steering joint and steering gearbox pinion shaft. Remove the steering joint bolt (C), and disconnect the steering joint (D) by removing the steering joint toward the steering column. Hold the slider shaft (E) on the column with a piece of wire (F) between the joint yoke (G) on the slider shaft to the joint yoke on the upper shaft.





6. Remove the power steering pump outlet line (A) from the power steering pump (B). Wipe off any spilled fluid at once.
7. Remove the bolt securing the power steering hose clamp (C).
8. Raise the vehicle, and make sure it is supported securely.
9. Remove the splash shield.





10. Remove the drain plug (A), and drain the automatic transmission fluid ATF
11. Reinstall the drain plug with a new sealing washer (B).
12. Disconnect the battery negative terminal, then disconnect the battery positive terminal.
13. Remove the battery hold-down bracket, then remove the battery cover, battery, and battery tray.
14. Remove the intake air duct and air cleaner housing.
15. Loosen the two bolts securing the battery base from under the vehicle, and remove the two bolts securing the battery base in the engine compartment, then remove the battery base.





16. Disconnect the A/T clutch pressure control solenoid valve A connector, and 2nd clutch transmission fluid pressure switch connector (B), and remove the harness clamps (C) from the clamp brackets (D).





17. Remove the transmission range switch connector (A) from its bracket (B), then disconnect it.
18. Remove the A/F sensor connector (C) from its bracket (D), then disconnect it.
19. Disconnect the input shaft (mainshaft) speed sensor connector (E) and output shaft (countershaft) speed sensor connector (F), and remove the harness clamps (G) from the clamp brackets (H).





20. Disconnect the 3rd clutch transmission fluid pressure switch connector (A), and remove the harness clamp (B) from the clamp bracket (C).





21. Disconnect the shift solenoid harness connector (A), A/T clutch pressure control solenoid valve B connector, and solenoid valve C connector, and remove the harness clamp (D) from the clamp bracket (E).





22. Remove the ATF cooler hoses (A) from the ATF cooler lines (B). Turn the ends of the ATF cooler hoses up to prevent ATF from flowing out, then plug the ATF cooler hoses and lines.
23. Check for any signs of leakage at the hose joints.





24. Remove the ATF cooler hose (A) from the hose clamp (B).
25. Disconnect the ATF cooler hose (C) from the ATF cooler line (D), then plug the hose end.





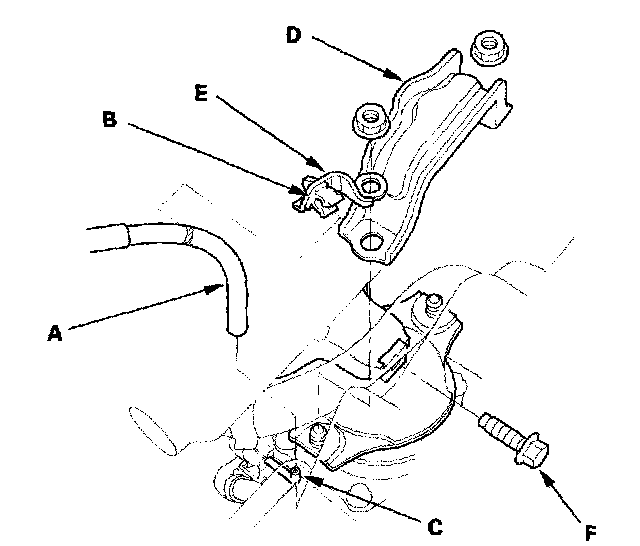
26. Remove the ground cable (A), transmission upper mount bracket plate (B), and transmission upper mount bracket (C).





27. Remove the harness clamp (A) and hose (B), and remove the bolts (C) securing the hose clamps. Remove the mounting nuts (D) and strut brace (E)





28. To attach the special tool adapter (VSB02C000015), remove the clamp bracket.





29. Attach the special tool adapter (VSB02C000015) to the threaded hole in the cylinder head.





30. Install the engine support hanger (AAR-T-12566) to the vehicle, and attach the hook (A) to the special tool adapter (B). Tighten the wing nut (C) by hand, and lift and support the engine.





31. Remove the vacuum hose (A) from its clamp (B), then disconnect the hose from the vacuum line (C).
32. Remove the front mount stop (D) and clamp bracket (E), and remove the front mount bolt (F).





33. Remove the rear mount stop (A), and remove the rear mount bolt (B).





34. Insert a 6 mm Allen wrench (A) in the top of the ball joint pin (B), and remove the nuts (C), then separate the stabilizer link (D) from the lower arms (E).
35. Remove the cotter pins (F), castle nuts (G), damper pinch bolts (H), self-locking nuts (I), bolts (J), and damper forks (K), then separate the ball joints from the lower arms.
36. Remove the cotter pins (L) and nuts (M), and separate the tie-rod end ball joints (N) from the knuckles.





37. Remove the exhaust pipe A and its mount rubber.





38. Remove the power steering fluid hose (A) from the power steering fluid line (B). Turn the end of the hose up to prevent power steering fluid from flowing out, then plug the hose and line.





39. Disconnect the power steering pressure switch connector.





40. Remove the engine stiffener (A), and remove the drive plate bolts (B) while rotating the crankshaft pulley.





41. Remove the three bolts securing the shift cable holder (A), then remove the shift cable cover (B).
42. Remove the spring clip (C) and control pin (D), then separate the shift cable (E) from the control lever (F). Do not bend the shift cable excessively.





43. Remove the transmission lower mounts nuts.





44. Remove the both mid-mounts.





45. Make the appropriate reference lines (A) at both ends of the subframe (B) that line up with the edge (C) of the stiffeners (D).





46. Attach the special tool to the subframe with hanging the belt of the special tool over the front of the subframe, then secure the belt with its stop.
47. Raise the jack and line up the slots in the arms with the bolt holes on the corner of the jack base, then attach them with bolts securely.





48. Remove the four bolts securing the stiffeners (A), and four bolts securing the subframe (B), and lower the subframe.





49. Remove the transmission lower mounts.
50. Pry out the driveshafts from the differential and the intermediate shaft.





51. Remove the intermediate shaft.
52. Coat all precision finished surfaces with clean engine oil, then the plastic bags over driveshaft ends and intermediate shaft ends.





53. Remove the rear mount bracket.
54. Place a jack under the transmission.





55. Remove the transmission housing mounting bolts.





56. Remove the front mount bracket.





57. Remove the transmission housing mounting bolts on the front of the transmission.





58. Remove the transmission housing mounting bolts on the rear of the transmission.
59. Slide the transmission away from the engine to remove it from the vehicle.





60. Remove the torque converter.
61. Inspect the drive plate, and replace it if it's damaged.





62. Check the transmission lower front mount (A) and lower rear mount (B). If the mount rubber(C) is worn or damaged, replace the mount. It is no need to replace the lower rear mount if its submount rubber (D) has ruptured or cracks, reuse it.