Operation CHARM: Car repair manuals for everyone.
Manuals through 2025 now available!

Our trusted friends have launched a new website named LEMON, which has newer manuals. It also contains all the CHARM manuals.

LEMON is the spiritual successor to CHARM, I recommend you try it!

Link: lemon-manuals.la or lemon-manuals.org.ua

(Some people have issue connecting. LEMON is investigating. For now, use Firefox or change your DNS server)

Or, hide this message: temporarily or permanently

Shift Cable: Service and Repair

Shift Cable Replacement
1. Raise the vehicle, and make sure it is securely supported.
2. Remove the center console cover.
3. Shift the transmission into the R position.





4. Remove the nut securing the shift cable end.





5. Press the holder lock release (A), and pull out the socket holder (B) on the shift cable (C) of the shift lever bracket base (D).
6. Remove the heat shield under the shift cable grommet.





7. Remove the shift cable bracket (A) and grommet (B).





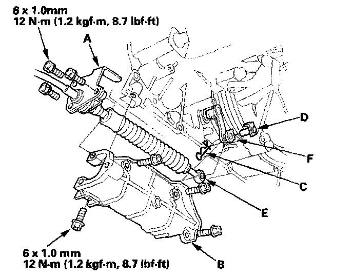
8. Remove the three bolts securing the shift cable holder (A), then remove the shift cable cover (B).
9. Remove the spring clip (C) and control pin (D), then separate the shift cable (E) from the control lever (F).
10. Insert the new shift cable through the grommet hole. Do not bend the shift cable excessively.
11. Install the shift cable bracket on the body, then install the grommet.
12. Verify that the transmission is in the R position at the control lever.
13. Attach the shift cable end to the control lever, then insert the control pin into the control lever through the shift cable end, and secure the control pin with the spring clip.
14. Install the shift cable cover, then secure the shift cable holder to the shift cable cover with the two bolts.
15. Install the heat shield.
16. Turn the ignition switch ON (II), and verify that the R position indicator comes on.





17. If necessary, push the shift cable until it stops, then release it. Pull the shift cable back one step so that the shift position is in R. Do not hold the shift cable guide (A) to adjust the shift cable (B).
18. Turn the ignition switch OFF.





19. Insert a 6.0 mm (0.24 inch) pin (A) through the positioning hole (B) on the shift lever bracket base and into the positioning hole (C) on the shift lever. The shift lever is secured in the R position





20. Align the socket holder (A) on the shift cable (B) with the slot in the bracket base (C), then slide the holder into base. Install the shift cable end (D) over the mounting stud (E) by aligning its square hole (F) with the square fitting (G) at the bottom of the stud. Push the holder until it snaps securely in place. Do not install the shift cable by holding the shift cable guide (H).





21. Verify that the shift cable end (A) is properly installed on the mounting stud (B).
22. If improperly installed, remove the shift cable from the bracket base, and reinstall the shift cable. Do not install the shift cable end on the mounting stud while the shift cable is on the bracket base.





23. Install and tighten the nut.
24. Remove the 6.0 mm (0.24 inch) pin that was installed to hold the shift lever.
25. Move the shift lever to each position, and verify that the A/T gear position indicator follows the transmission range switch.
26. Allow the front wheels to rotate freely.
27. Start the engine, and check the shift lever operation in all gears.
28. Push the shift lock release, and verify that the shift lever releases.
29. Reinstall the center console cover.