Operation CHARM: Car repair manuals for everyone.
Manuals through 2025 now available!

Our trusted friends have launched a new website named LEMON, which has newer manuals. It also contains all the CHARM manuals.

LEMON is the spiritual successor to CHARM, I recommend you try it!

Link: lemon-manuals.la or lemon-manuals.org.ua

(Some people have issue connecting. LEMON is investigating. For now, use Firefox or change your DNS server)

Or, hide this message: temporarily or permanently

Engine Installation

Engine Installation

Special Tools Required
^ Frame positioning guide pin 070AG-SJAA10S
^ Front subframe adapter EQS02BMDXSB0 *
^ Engine support hanger A and Reds AAR-T-12566 *
^ Engine hanger balance bar VSB02C000019 *
^ Engine hanger adapter set VSB02C000031 *
* These special tools are available through the Acura Tool and Equipment program, 1-888-424-6857.

1. Install the engine mount bracket and accessory brackets, and tighten their bolts to the specified torque.





2. Position the engine/transmission under the vehicle. Be sure that they are properly aligned. Carefully lower the vehicle until the engine and transmission are properly positioned in the engine compartment. Make sure the vehicle is not resting on any part of the engine or transmission. Lift and support the engine with a chain hoist (A), and carefully raise the engine/transmission into place.

NOTE: Reinstall the mounting bolts/support nuts in the sequence given in the following steps. Failure to follow this sequence may cause excessive noise and vibration, and reduce engine mount life.





3. Remove the service caps (A) for the front damper flange nuts from the cowl cover (B). Position the engine hanger adapters (VSB02C000031) with the "FRONT" mark facing forward over the damper flange nuts.





4. Install the engine hanger balance bar (VSB02C000019); attach the front arm (A) to the front cylinder head with a spacer (B) and 10 x 1.25 mm bolt (C), attach the rear arm (D) to the rear cylinder head with 8 x 1.25 mm bolt (E).





5. Install the engine support hanger (AAR-T-12566) to the vehicle, and attach the hook to the slotted hole in the engine hanger balance bar. Tighten the wing nut (F) by hand to lift and support the engine/transmission.
6. Install new mounting bolts into the upper half of the side engine mount bracket. Tighten the bolts to the specified torque.





7. Remove the chain hoist, then raise the vehicle on the lift to full height.
8. Using the subframe adapter (EQS02BMDXSB0) and a jack, raise the front subframe up to the body.





9. Loosely install the new front subframe mounting bolts (four) (B), the 12 x 1.25 mm bolts (six) (C) (D), and the stiffeners (E).
10. Loosely tighten the right rear subframe mounting bolt (A); insert the frame positioning guide pin (070AG-SJAA10S) through the positioning hole (B) on the rear stiffener, through the positioning hole (C) on the subframe, and into the positioning hole (D) on the body, then tighten the subframe mounting bolt.





11. Loosely tighten the left rear subframe mounting bolt in the same manner in step 10.
12. Loosely tighten the right and left front subframe mounting bolts.
13. Loosen the right rear mounting bolt, then tighten the bolt to the specified torque.
14. Tighten the left rear mounting bolt to the specified torque.
15. Tighten the right and left front mounting bolts to the specified torque.
16. Check that the positioning holes and slot are aligned using the frame positioning guide pin.
17. Tighten the rear and front stiffener mounting bolts to the specified torque.
18. Remove the jack and front subframe adapter.
19. Tighten the transmission lower mount bolts (A) and ground cable (B).





20. Tighten the rear mount bolts (A) and power steering line bracket (B).





21. Tighten the front mount bolts (A), then connect the front engine mount control solenoid valve tube (B).





22. Lower the vehicle on the lift.
23. Loosen the mounting bolts for the upper half of the side engine mount bracket, then retighten them to the specified torque.





24. Remove the engine support hanger and engine hanger balance bar.
25. Install the A/C compressor (A), then connect the A/C compressor clutch connector (B).





26. Install the radiator.
27. Raise the vehicle on the lift to full height.
28. Install the power steering (P/S) hose (A).





29. Connect the power steering pressure switch connector.





30. Install the transfer assembly.
31. Install the propeller shaft onto the transfer shaft flange.
32. Wipe the driveshaft clean. Install a new set ring on the end of each driveshaft, then install the driveshafts. Make sure each ring "clicks" into place in the differential and intermediate shaft.
33. Connect the suspension lower arms to the knuckles.
34. Connect the tie-rod end ball joints to the knuckles.
35. Connect the stabilizer links to the dampers.
36. Install exhaust pipe A using new gaskets (B) and new self-locking nuts (C).





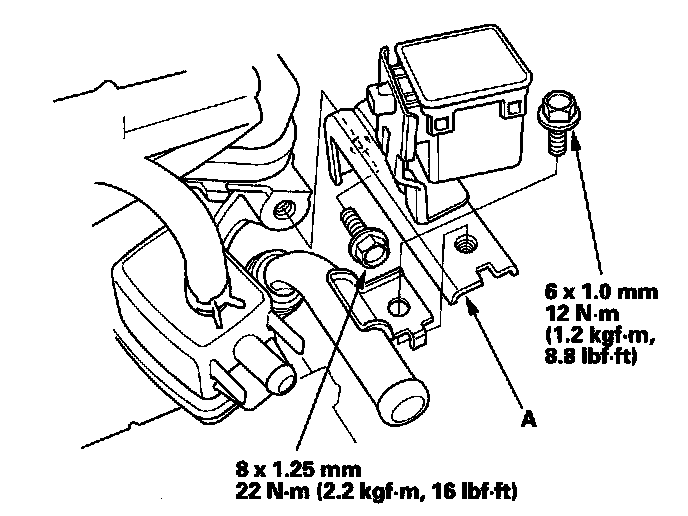
37. With active damper system: Connect the front suspension stroke sensor connectors (A), then install the harness clamps (B).





38. Install the front subframe stiffener using new bolts.





39. Install the splash shield.





40. Install the front wheels.
41. Lower the vehicle on the lift.
42. Install the upper radiator hose (A) and lower radiator hose (B).





43. Install the heater hoses.





44. Install the automatic transmission fluid (ATF) cooler hoses to the transmission, and secure the hoses with the clamps.

NOTE: Check the installation location of the clamps.





45. Install the connector bracket to the front cylinder head.





46. Install the bracket (A) to the rear cylinder head.





47. Install the power steering (P/S) pump outlet hose (A) with a new O-ring (B), and install the P/S pump inlet hose (C).





48. Install the P/S hose clamp (D) to the cylinder head cover.
49. Install the drive belt.
50. Connect the powertrain control module (PCM) connectors (A) and engine wire harness connector (B), then install the harness clamps (C).





51. Install the PCM cover (A), then install the bracket (B).





52. Install the coolant reservoir to the bracket.
53. Install the alternator cable (A) to the main underhood fuse box.





54. Align the reference mark (A) on the steering joint and steering gearbox pinion shaft. Connect the steering joint (B) to the steering gearbox pinion shaft (C). Tighten the steering joint bolt.





55. Install the steering joint cover (D).
56. Install the steering wheel.
57. Install the brake booster vacuum hose (A) and evaporative emission (EVAP) canister hose (B).





58. Connect the EVAP canister purge valve connector (C).
59. Connect the fuel feed hose (A), then install the quick-connect fitting cover (B).





60. Install the shift cable.
61. Install the positive starter cable (A).





62. Install the battery base (A), then install the harness clamps (B).





63. Install the harness clamps (A), then install the main under-hood fuse box (B).





64. Install the air cleaner assembly.
65. Install the air intake duct (A), then install the breather pipe (B).





66. Install the engine cover.





67. Install the bulkhead cover.
68. Install the service caps on the cowl cover.
69. Install the battery. Clean the battery posts and cable terminals, then assemble them and apply grease to prevent corrosion.
70. Refill the engine with engine oil.
71. Refill the transmission with ATF.
72. Install the return hose to the power steering fluid reservoir. Refill the power steering system fluid.
73. Move the shift lever to each gear, and verify that the A/T gear position indicator follows the transmission range switch.
74. Check for fuel leaks. Turn the ignition switch ON (II) (do not operate the starter) so the fuel pump runs for about 2 seconds and pressurizes the fuel line. Repeat this operation three times, then check for fuel leaks at any point in the fuel line.
75. Refill the radiator with engine coolant, and bleed air from the cooling system with the heater valve open.
76. Do the crankshaft position (CKP) pattern clear/CKP pattern learn procedure.
77. Inspect the idle speed.
78. Inspect the ignition timing.
79. Do the steering column position memorization.
80. Do the headlight initial position learning procedure.
81. Enter the anti-theft codes for the audio system and navigation system (if equipped).
82. Set the clock (on vehicles without navigation).