Operation CHARM: Car repair manuals for everyone.
Manuals through 2025 now available!

Our trusted friends have launched a new website named LEMON, which has newer manuals. It also contains all the CHARM manuals.

LEMON is the spiritual successor to CHARM, I recommend you try it!

Link: lemon-manuals.la or lemon-manuals.org.ua

(Some people have issue connecting. LEMON is investigating. For now, use Firefox or change your DNS server)

Or, hide this message: temporarily or permanently

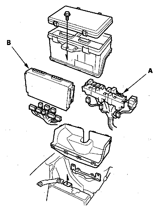
Under-Hood Fuse/Relay Box

Removal and Installation

Removal

1. Make sure you have the anti-theft codes for the audio system and the navigation system (if equipped).
2. Make sure the ignition switch is in the LOCK (0) position.
3. Disconnect the negative battery cable, then disconnect the positive cable, and wait at least 3 minutes.
4. Remove the cover of the under-hood fuse/relay box, and carefully remove the relays by prying under the base of the relay.

NOTE: Do not use pliers. Pliers will damage the relays, which could cause the engine to stall or not start.






5. Remove the under-hood fuse/relay box from the bracket.
6. Remove the relay block part (A) from the under-hood fuse/relay box.
7. Remove the relay control module part (B) from the under-hood fuse/relay box, then disconnect the connectors from the relay control module.

Installation

1. Install the relay control module and relays, then connect the connectors to the under-hood fuse/relay box.
2. Install the cover to the bottom of the under-hood fuse/relay box.
3. Install the under-hood fuse/relay box and the removed parts in the reverse order of removal.
4. Connect the positive cable to the battery, then connect the negative cable to the battery.
5. Do the steering column position memorization.
6. Enter the anti-theft codes for the audio system and the navigation system (if equipped). Set the clock (on vehicles without navigation).
7. Confirm that all systems work properly.