Operation CHARM: Car repair manuals for everyone.
Manuals through 2025 now available!

Our trusted friends have launched a new website named LEMON, which has newer manuals. It also contains all the CHARM manuals.

LEMON is the spiritual successor to CHARM, I recommend you try it!

Link: lemon-manuals.la or lemon-manuals.org.ua

(Some people have issue connecting. LEMON is investigating. For now, use Firefox or change your DNS server)

Or, hide this message: temporarily or permanently

Power Steering Pressure Switch: Service and Repair

Power Steering Hose, Line, and Pressure Switch Replacement
Note these items during installation:
^ Connect each hose to the corresponding line securely until it contacts the stop on the line. Install the clamp or adjustable clamp at the specified distance from the hose end as shown.
^ Check all clamps for deterioration or deformation; replace the clamps with new ones if necessary.
^ Add the recommended power steering fluid to the specified level on the reservoir and check for leaks.





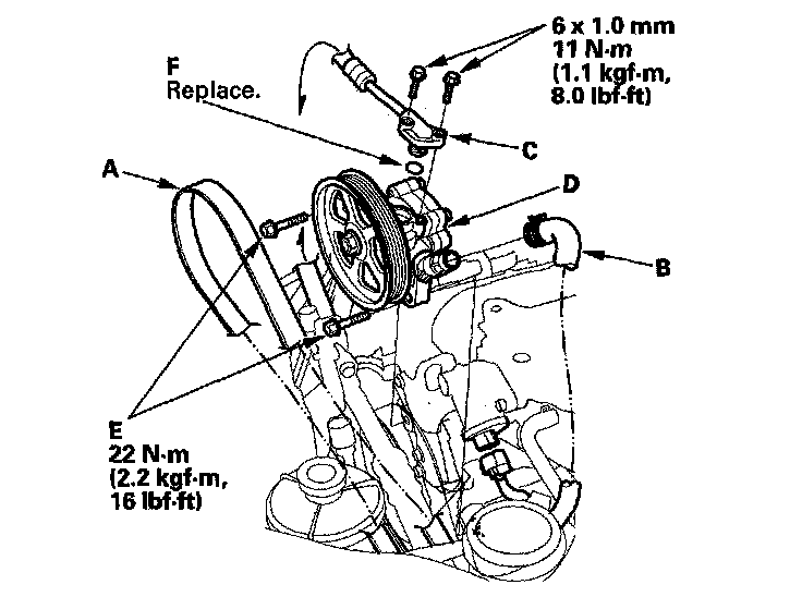
Pump Replacement
1. Place a suitable container under the vehicle.
2. Drain the power steering fluid from the reservoir.
3. Remove the engine cover.
4. Remove the drive belt (A) from the pump pulley.





5. Cover the auto-tensioner, alternator, and A/C compressor with several shop towels to protect them from spilled power steering fluid. Disconnect the pump inlet hose (B) and pump outlet hose (C) from the pump (D), and plug them. Take care not to spill the fluid on the body or parts. Wipe off any spilled fluid at once. Do not turn the steering wheel with the pump removed.
6. Remove the pump mounting bolts (E).
7. Cover the opening of the pump with a piece of tape to prevent foreign material from entering the pump.
8. Connect the pump inlet hose and pump outlet hose onto the new pump with the new O-ring
9. Loosely install the pump in the pump bracket with the mounting bolts, then tighten the pump fittings securely.
10. Tighten the pump mounting bolts to the specified torque.
11. Install the drive belt (A).

Note these items during drive belt installation:
^ Make sure then the belt is properly positioned on the pulleys (B).
^ Do not get power steering fluid or grease on the auto tensioner, alternator, A/C compressor, and drive belt or pulley faces. Clean off any fluid or grease before installation.





12. Fill the reservoir to the upper level line.