Operation CHARM: Car repair manuals for everyone.
Manuals through 2025 now available!

Our trusted friends have launched a new website named LEMON, which has newer manuals. It also contains all the CHARM manuals.

LEMON is the spiritual successor to CHARM, I recommend you try it!

Link: lemon-manuals.la or lemon-manuals.org.ua

(Some people have issue connecting. LEMON is investigating. For now, use Firefox or change your DNS server)

Or, hide this message: temporarily or permanently

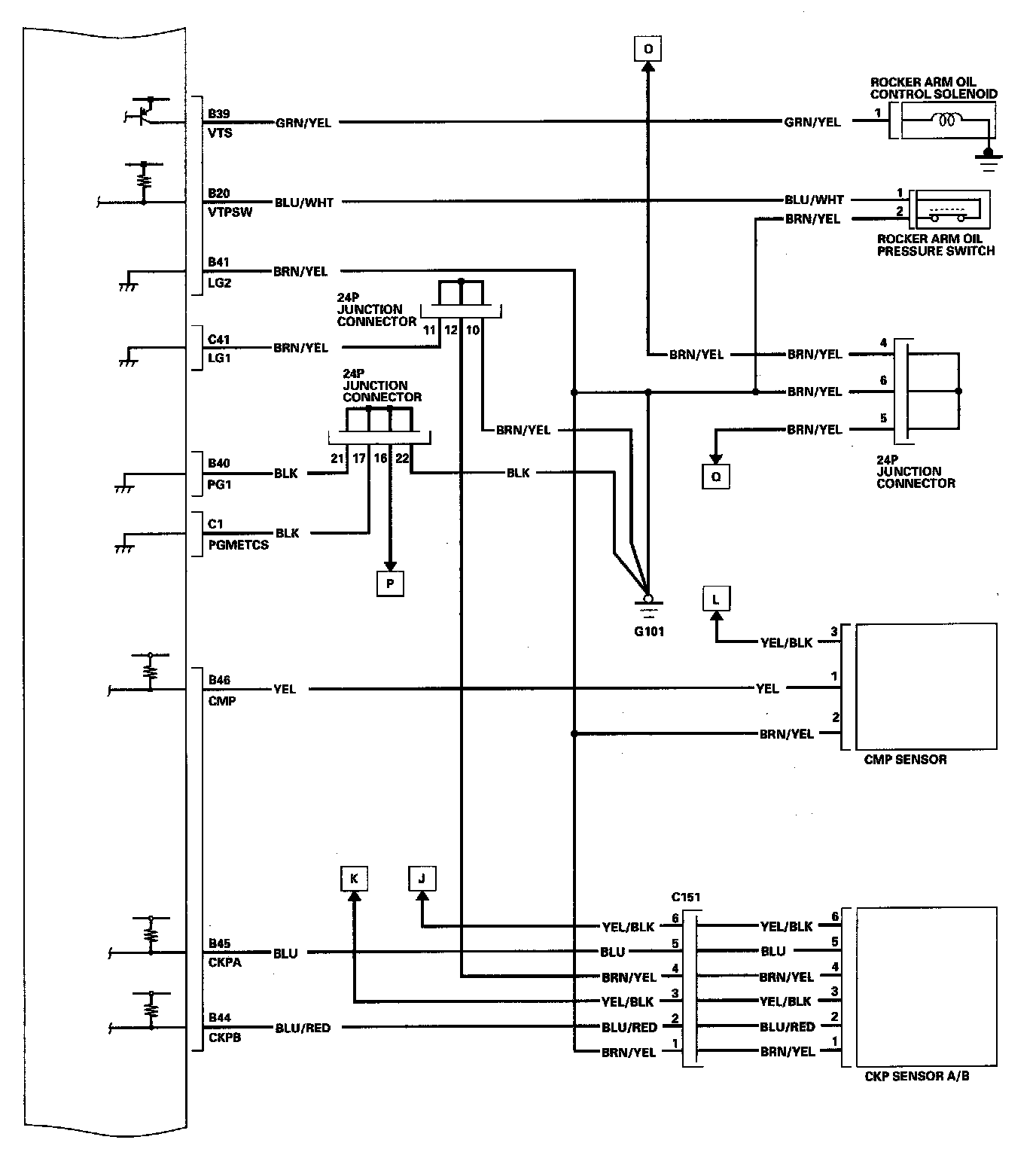
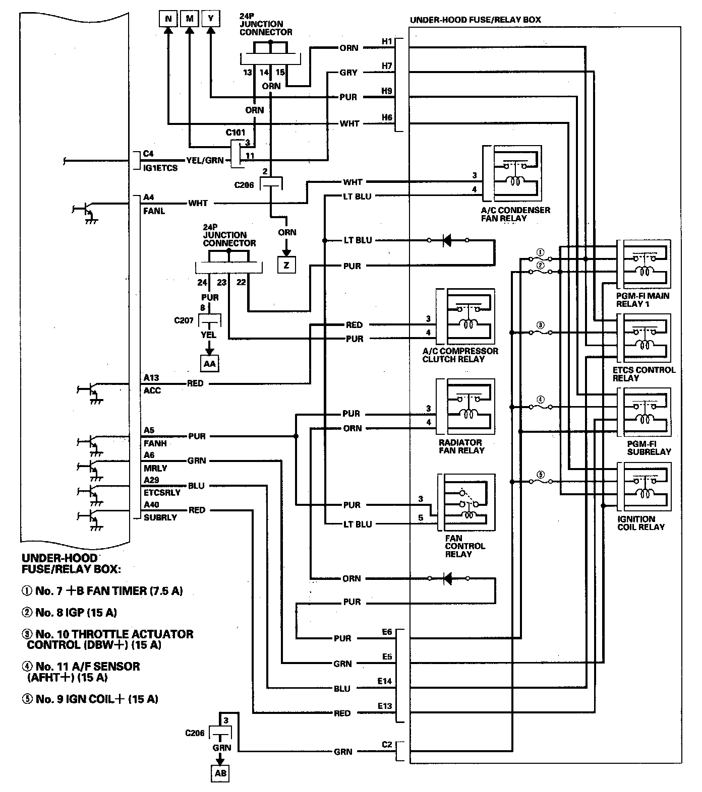
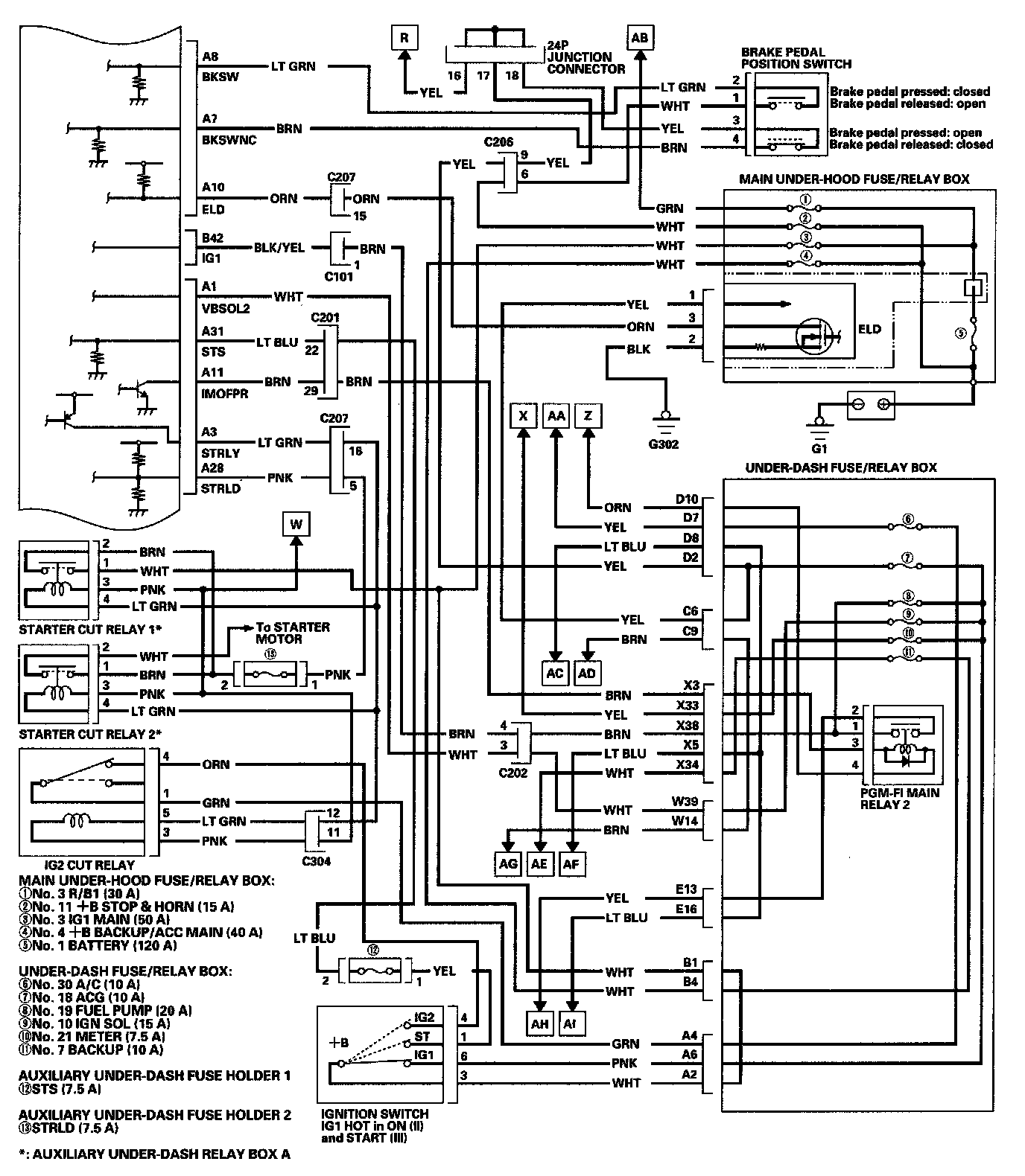
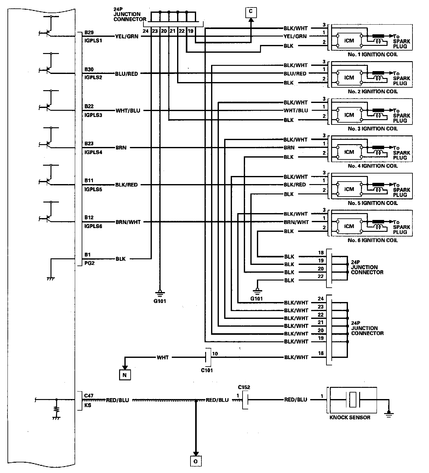
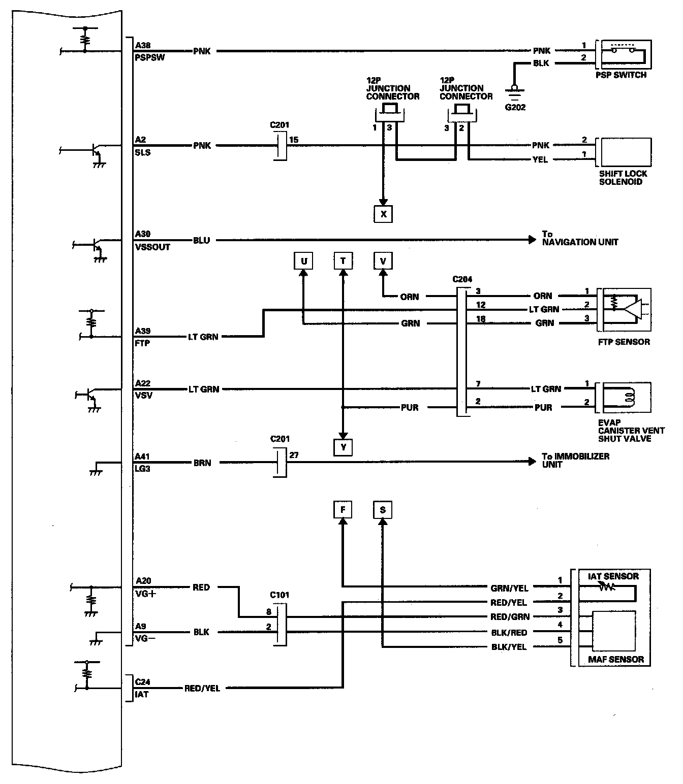
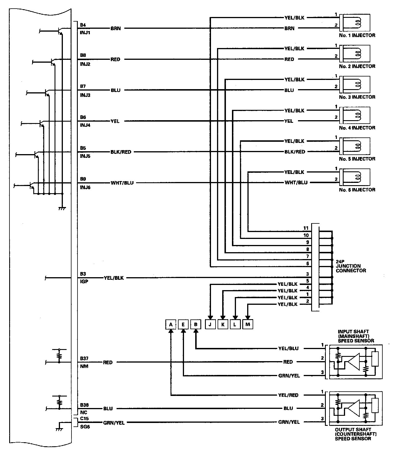
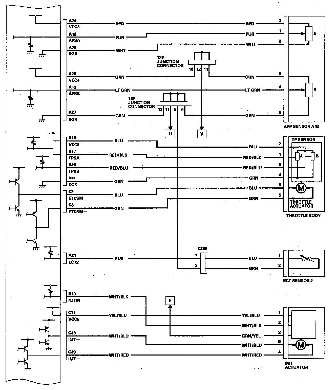
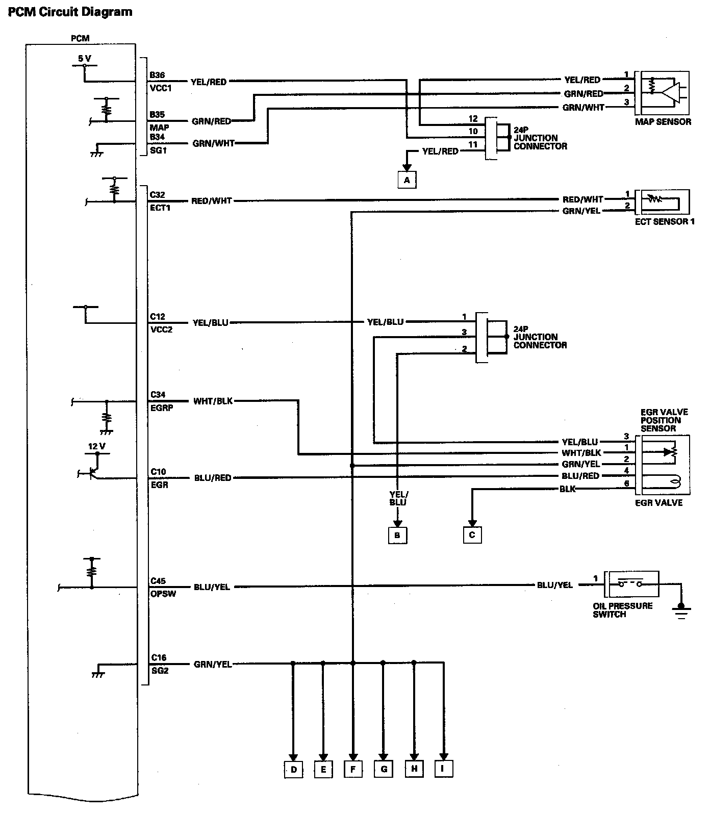
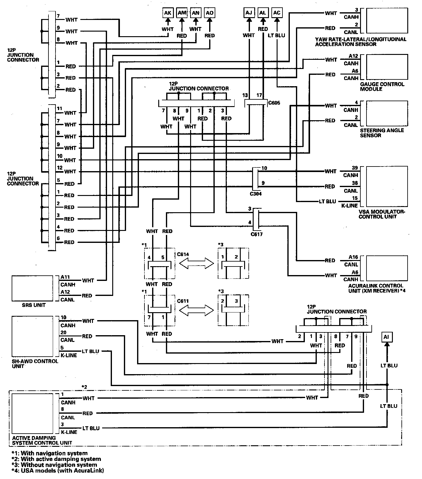
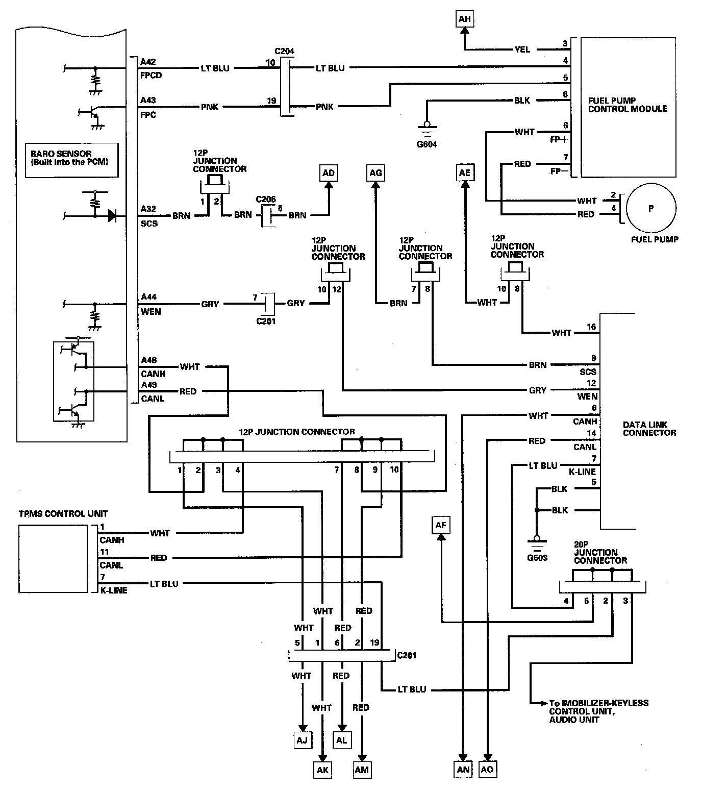
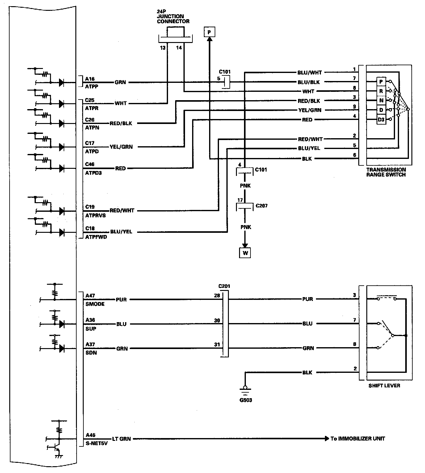
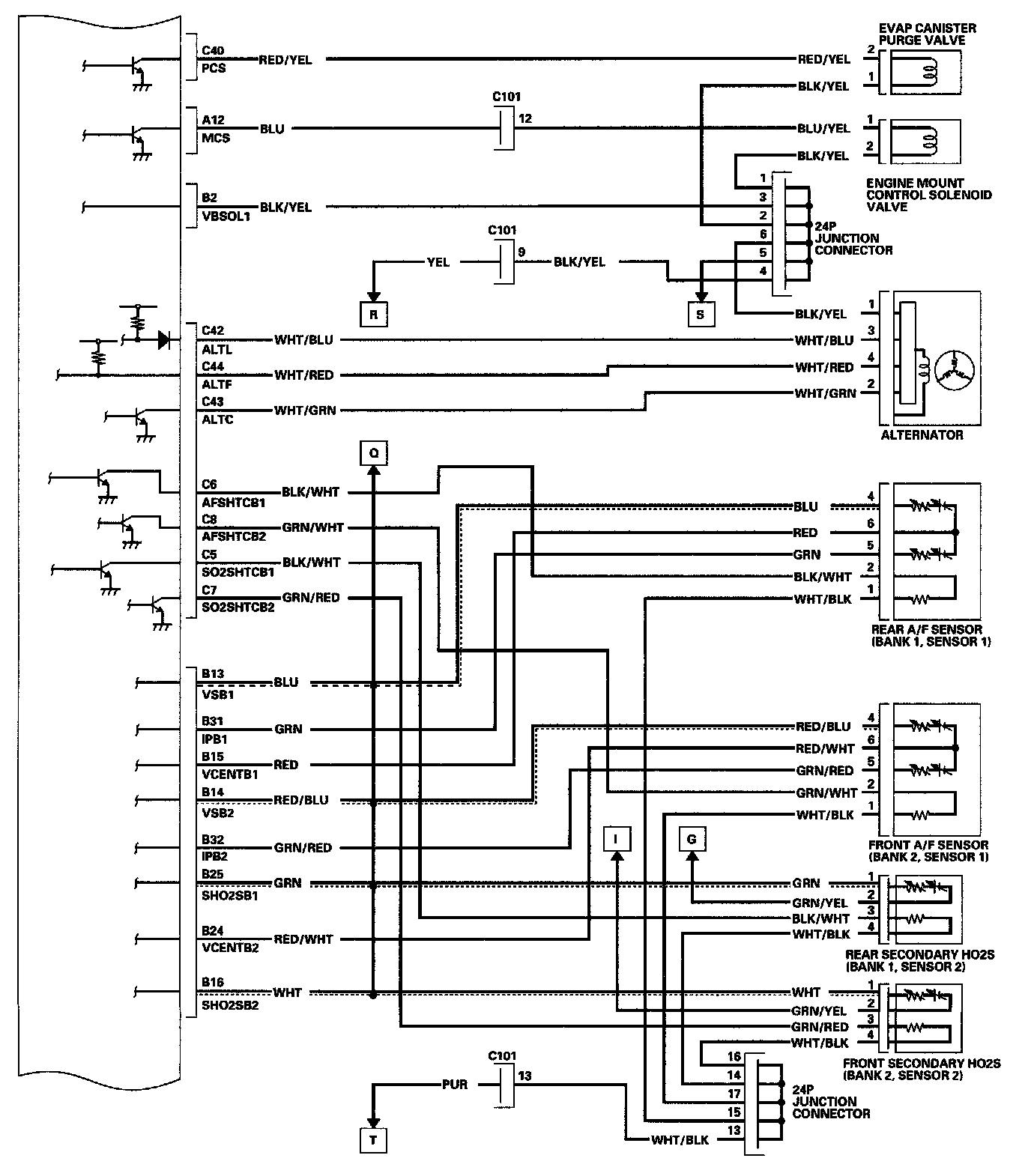
PCM Circuit Diagrams

PCM Circuit Diagram (Part 1):



PCM Circuit Diagram (Part 2):



PCM Circuit Diagram (Part 3):



PCM Circuit Diagram (Part 4):



PCM Circuit Diagram (Part 5):



PCM Circuit Diagram (Part 6):



PCM Circuit Diagram (Part 7):



PCM Circuit Diagram (Part 8):



PCM Circuit Diagram (Part 9):



PCM Circuit Diagram (Part 10):



PCM Circuit Diagram (Part 11):



PCM Circuit Diagram (Part 12):



PCM Circuit Diagram (Part 13):