Operation CHARM: Car repair manuals for everyone.
Manuals through 2025 now available!

Our trusted friends have launched a new website named LEMON, which has newer manuals. It also contains all the CHARM manuals.

LEMON is the spiritual successor to CHARM, I recommend you try it!

Link: lemon-manuals.la or lemon-manuals.org.ua

(Some people have issue connecting. LEMON is investigating. For now, use Firefox or change your DNS server)

Or, hide this message: temporarily or permanently

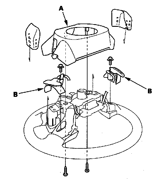
Adaptive Cruise Control (ACC) System

Cruise Control Combination Switch Replacement

1. Remove the steering wheel.
2. Remove the steering wheel rear cover (A) and the paddle shift switches (B).






3. Remove the cruise control combination switch assembly (A).






4. Install the parts in the reverse order of removal.