Operation CHARM: Car repair manuals for everyone.
Manuals through 2025 now available!

Our trusted friends have launched a new website named LEMON, which has newer manuals. It also contains all the CHARM manuals.

LEMON is the spiritual successor to CHARM, I recommend you try it!

Link: lemon-manuals.la or lemon-manuals.org.ua

(Some people have issue connecting. LEMON is investigating. For now, use Firefox or change your DNS server)

Or, hide this message: temporarily or permanently

Distance Sensor: Service and Repair

Millimeter Wave Radar Unit Removal/Installation

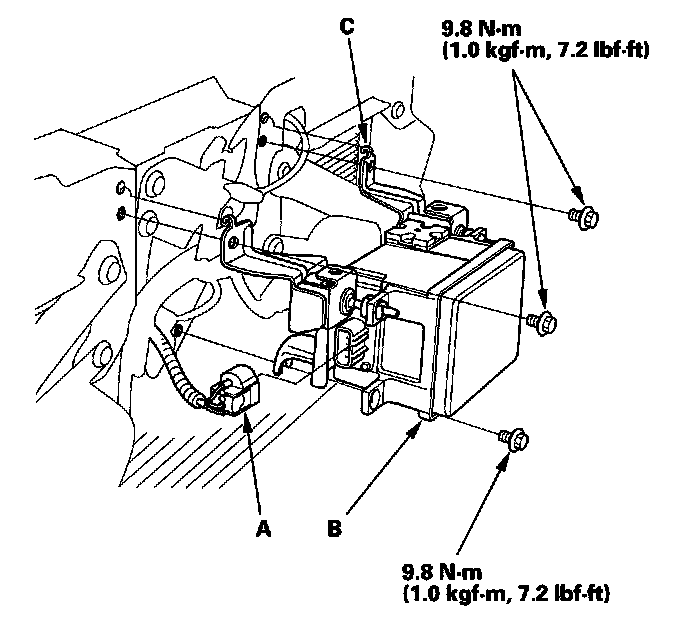
1. Remove the upper grille.
2. Disconnect the 5P connector (A) from the millimeter wave radar unit (B).






3. Remove the bolts and the millimeter wave radar unit.

NOTE: Go to step 7 if it is not necessary to disassemble the millimeter wave radar unit and main bracket (C).

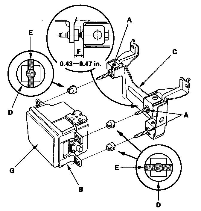
4. Loosen the aiming bolts (A) a little at a time, and remove the millimeter wave radar unit (B) from the main bracket (C).






NOTE:
- Do not disassemble the millimeter wave radar unit.
- If you disassemble the main bracket, always use new screw grommets (D).

5. Install new screw grommets on the millimeter wave radar unit. Position the left side grommet grooves (E) horizontally, and position the right side grommet groove (E) vertically.
6. Tighten the main bracket bolts a little at a time until the clearance between the millimeter wave radar unit and the main bracket is 0.43 - 0.47 in. (11 - 12 mm) (F). Make sure the millimeter wave radar unit is parallel with the main bracket.
7. Clean the surface of the millimeter wave radar unit (G), then install it in the reverse order of removal.
8. Aim the millimeter wave radar unit.