Operation CHARM: Car repair manuals for everyone.
Manuals through 2025 now available!

Our trusted friends have launched a new website named LEMON, which has newer manuals. It also contains all the CHARM manuals.

LEMON is the spiritual successor to CHARM, I recommend you try it!

Link: lemon-manuals.la or lemon-manuals.org.ua

(Some people have issue connecting. LEMON is investigating. For now, use Firefox or change your DNS server)

Or, hide this message: temporarily or permanently

Intake Manifold: Service and Repair

Intake Manifold Removal and Installation

Intake Manifold:





Removal





1. Remove the intake manifold cover.
2. Remove the air intake duct.





3. Remove the positive crankcase ventilation (PCV) hose (A), brake booster vacuum hose (B), and vacuum hose (C).





4. Remove the evaporative emission (EVAP) canister purge hose (A) and water bypass hoses (B), then plug the water bypass hoses.
5. Remove the engine wire harness connectors and wire harness clamps from the intake manifold.
^ Intake air temperature (IAT) sensor connector
^ Throttle actuator connector
^ Manifold absolute pressure (MAP) sensor connector
^ Evaporative emission (EVAP) canister purge valve connector
^ Intake manifold tuning (IMT) valve actuator connector





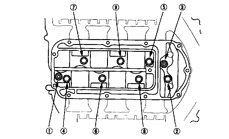
6. Remove the upper cover mounting bolts and nuts sequentially in two or three steps, remove the upper cover.





7. Remove the intake manifold mounting bolts and nuts sequentially in two or three steps.
8. Remove the intake manifold.

NOTE: Do not screw and unscrew the 6 mm bolts securing the upper intake manifold and lower intake manifold.

Installation





1. Install the intake manifold. Tighten the bolts and nuts sequentially in two or three steps. Always use a new intake manifold gasket.





2. Install the upper cover. Tighten the bolts and nuts sequentially in two or three steps. Always use a new gasket.





3. Install the EVAP canister purge hose (A) and water bypass hoses (B).





4. Install the positive crankcase ventilation (PCV) hose (A), brake booster vacuum hose (B), and vacuum hose (C).
5. Connect the engine wire harness connectors, and install the wire harness clamps to the intake manifold.
^ Intake air temperature (IAT) sensor connector
^ Throttle actuator connector
^ Manifold absolute pressure (MAP) sensor connector
^ Evaporative emission (EVAP) canister purge valve connector
^ Intake manifold tuning (IMT) valve actuator connector

6. Install the intake air duct.
7. Clean up any spilled engine coolant.
8. After installation, check that all tubes, hoses, and connectors are installed correctly.





9. Install the intake manifold cover.
10. Refill the radiator with engine coolant, then bleed air from the cooling system with the heater valve open.