Operation CHARM: Car repair manuals for everyone.
Manuals through 2025 now available!

Our trusted friends have launched a new website named LEMON, which has newer manuals. It also contains all the CHARM manuals.

LEMON is the spiritual successor to CHARM, I recommend you try it!

Link: lemon-manuals.la or lemon-manuals.org.ua

(Some people have issue connecting. LEMON is investigating. For now, use Firefox or change your DNS server)

Or, hide this message: temporarily or permanently

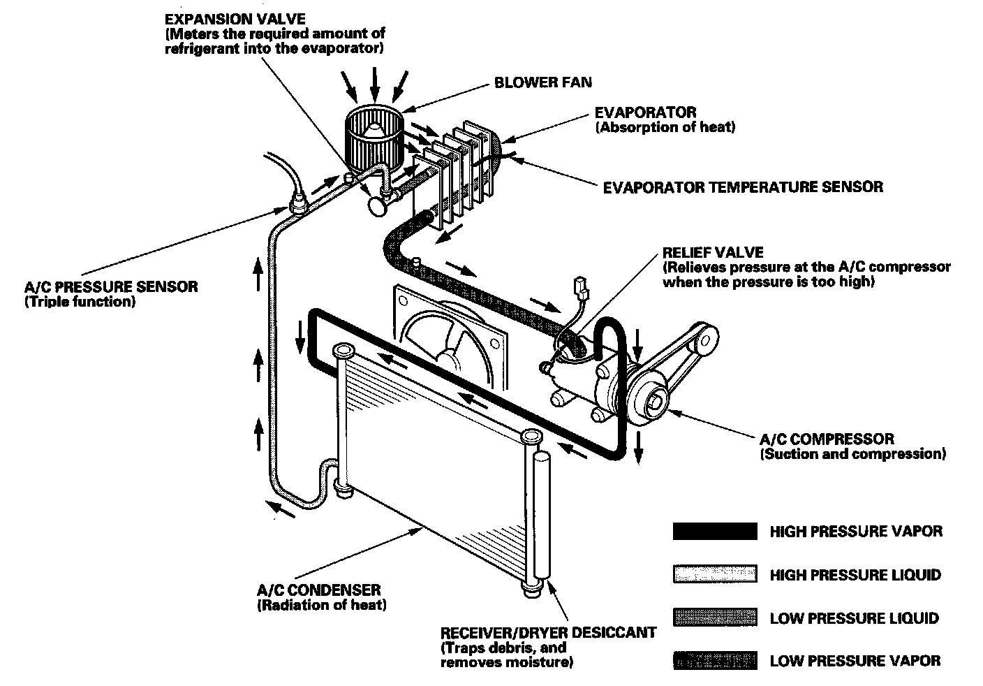
Heating and Air Conditioning: Description and Operation

System Description

The air conditioning system removes heat from the passenger compartment by transferring heat from the ambient air to the evaporator. The evaporator cools the air with the refrigerant that is circulating through the evaporator. The refrigerant expands in the evaporator, and the evaporator becomes very cold and absorbs the heat from the ambient air. The blower fan pushes air across the evaporator where the heat is absorbed, and then it blows the cool air into the passenger compartment.






This vehicle uses HFC-134a (R-134a) refrigerant, which does not contain chlorofluorocarbons. Pay attention to the following service items:

- Do not mix refrigerants CFC-12 (R-12) and HFC-134a (R-134a). They are not compatible.
- Use only the recommended polyalkyleneglycol (PAG) refrigerant oil (DENSO ND-OIL8) designed for the R-134a A/C compressor. Intermixing the recommended (PAG) refrigerant oil with any other refrigerant oil will result in A/C compressor failure.
- All A/C system parts (A/C compressor, discharge line, suction line, evaporator, A/C condenser, receiver/dryer, expansion valve, O-rings for joints) are designed for refrigerant R-134a. Do not exchange with R-12 parts.
- Use a halogen gas leak detector designed for refrigerant R-134a.
- R-12 and R-134a refrigerant servicing equipment are not interchangeable. Use only a recovery/recycling/charging station that is U.L.-listed and is certified to meet the requirements of SAE J2210 to service the R-134a air conditioning systems.
- Always recover refrigerant R-134a with an approved recovery/recycling/charging station before disconnecting any A/C fitting.

A/C Pressure Sensor

The A/C pressure sensor converts A/C pressure into electrical signals to the PCM.

NOTE: The pressures can be monitored using the HDS PGM-FI Data List.






The response of the A/C pressure sensor is shown in the graph.






Continuously Variable Capacity Compressor

When the shaft rotates, the slope plate rotates by means of the lug plate which is attached to the shaft. The rotational movement of the slope plate is converted through the use of shoes to the reciprocal movement of the pistons, which in turn take in, compress, and discharge the refrigerant.

The inner pressure of the slope plate chamber is controlled between low to mid range, and the pressure determines the slope angle, determining the piston stroke as well and further controlling the discharge amount, resulting in the continuously variable capacity.

The amperage to the variable capacity control solenoid valve is controlled to obtain continuously variable low pressure, further achieving the continuous control of variable compressor capacity resulting in the continuous control of the cooling capacity.

On/Off of the compressor clutch is eliminated in the system, hence no shock of the clutch engaging/disengaging, and the idle speed becomes stable.















i-Dual Climate Control System

This system automatically controls the temperature and the vent mode of the air direction to the driver and passenger's side depending on the angle of the sun and the direction of the vehicle. It calculates information such as date, time, longitude, and latitude from the navigation system, as well as the irradiate strength of the sun from the sunlight sensor, to determine the appropriate mode position and temperature to be directed to each side.






In the event that the navigation system malfunctions, or when driving in areas where the navigation cannot determine the vehicle position (non-coverage areas, tunnels, etc.), the climate control system will operate the same as a vehicle without navigation.

Climate Control Unit Inputs and Outputs

Climate Control Inputs And Outputs: