Operation CHARM: Car repair manuals for everyone.
Manuals through 2025 now available!

Our trusted friends have launched a new website named LEMON, which has newer manuals. It also contains all the CHARM manuals.

LEMON is the spiritual successor to CHARM, I recommend you try it!

Link: lemon-manuals.la or lemon-manuals.org.ua

(Some people have issue connecting. LEMON is investigating. For now, use Firefox or change your DNS server)

Or, hide this message: temporarily or permanently

Evaporator Temperature Sensor / Switch: Service and Repair

Evaporator Temperature Sensor Replacement

1. Remove the driver's dashboard undercover.
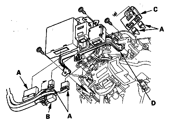
2. Disconnect the connectors (A) from the power tilt/telescopic steering control unit, the adaptive front lighting control unit, the electronically controlled power steering control unit, and the daytime running lights control unit. Remove the relay (B) and the power tilt/telescopic steering control unit (C), then remove the self-tapping screws and the bracket (D).






3. Disconnect the connectors (A) from the evaporator temperature sensor and the driver's cool vent control motor, then remove the connector clip (B). Remove the self-tapping screw and the evaporator temperature sensor (C).






4. Install the sensor in the reverse order of removal.