Operation CHARM: Car repair manuals for everyone.
Manuals through 2025 now available!

Our trusted friends have launched a new website named LEMON, which has newer manuals. It also contains all the CHARM manuals.

LEMON is the spiritual successor to CHARM, I recommend you try it!

Link: lemon-manuals.la or lemon-manuals.org.ua

(Some people have issue connecting. LEMON is investigating. For now, use Firefox or change your DNS server)

Or, hide this message: temporarily or permanently

Shift Solenoid Valve Test and Replacement

Shift Solenoid Valve Test and Replacement

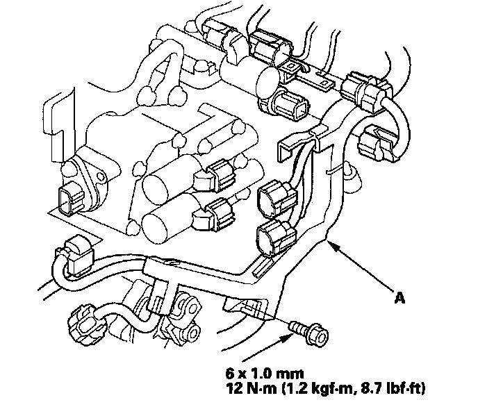
1. Connect the HDS to the DLC (A).





2. Select SHIFT SOLENOID A, B, C, and D in the MISCELLANEOUS TEST MENU on the HDS.

NOTE: If the HDS does not communicate with the PCM, troubleshoot the DLC circuit.

3. Check that shift solenoid valves A, B, C, and D operate with the HDS. A clicking sound should be heard.

^ If a clicking sound is heard, the valves are OK.
^ If no clicking sound is heard, go to step 4.

4. The shift solenoid test is finished if the tests are OK. If no sound is heard, remove the shift solenoid valve, and test the solenoid valve.
5. Make sure you have the anti-theft codes for the audio system and the navigation system.
6. Remove the battery trim and left upper fender cover.
7. Disconnect the negative terminal from the battery, then disconnect the positive terminal.
8. Remove the battery hold-down bracket, and remove the battery and battery tray.
9. Remove the air cleaner.
10. Remove the battery base.
11. Remove the nuts securing the shift cable bracket (A).





12. Remove the spring clip/washer (B) and the control pin (C), then separate the shift cable end (D) from the control lever (E). Check the bushing (F) in the shift cable end for a proper fit and wear. If the bushing is loose or worn, replace the shift cable.
13. Disconnect the connectors from A/T clutch pressure control solenoid valves A and B, solenoid harness, transmission range switch, ATF temperature sensor, output shaft (countershaft) speed sensor, input shaft (mainshaft) speed sensor, 3rd clutch transmission fluid pressure switch, and 4th clutch transmission fluid pressure switch.
14. Remove the bolt securing the harness cover (A).





15. Remove A/T clutch pressure control solenoid valves A and B, ATF pipes (C), and gasket (D).





16. Replace the gasket and O-rings (E) with new ones when installing A/T clutch pressure control solenoid valves A and B.
17. Remove the solenoid valve cover (A), dowel pins (B), and gasket (C).





18. Replace the gasket with a new one when installing the solenoid cover.
19. Disconnect each solenoid valve connector.





20. Measure the resistance between each connector terminal of the shift solenoid valve and body ground.

Standard: 12-25 Ohms

^ Replace the solenoid valve if the resistance is out of standard.
^ If the resistance is within the standard, go to step 21.

21. Connect the negative battery terminal to the body ground, and connect the positive battery terminal to each solenoid terminal individually.

^ If a clicking sound is heard, go to step 22 and replace the solenoid harness.
^ If no clicking sound is heard, go to step 23 and replace the shift solenoid valve.

22. Remove the solenoid harness, install a new O-ring (A) on the solenoid harness connector (B), and install the connector in the transmission housing.





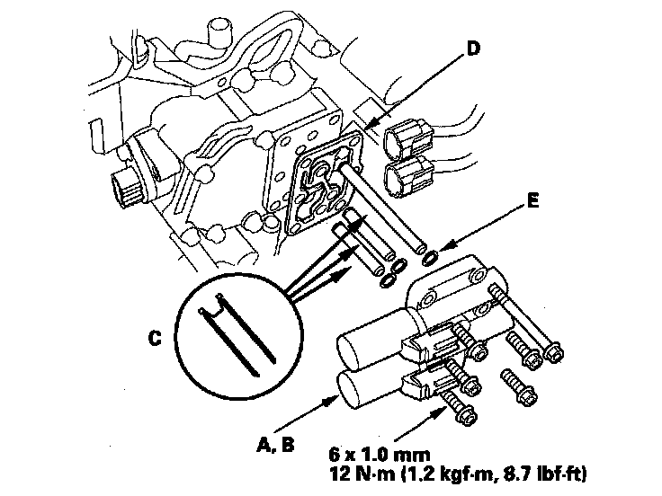
23. Remove the mounting bolts, then remove the solenoid valves.





24. Install new O-rings (E) on each solenoid valve.

NOTE: A new solenoid valve comes with new O-rings. If you install a new solenoid valve, use the O-rings provided with it.

25. Install shift solenoid valve D (black connector) by holding the shift solenoid valve body; make sure the mounting bracket contacts the accumulator body.

NOTE: Do not hold the solenoid valve connector to install the solenoid valve. Be sure to hold the solenoid valve body.

26. Install shift solenoid valve A (black connector) by holding the shift solenoid valve body; make sure the mounting bracket contacts the accumulator body.
27. Install shift solenoid valve C (brown connector) by holding the shift solenoid valve body; make sure the mounting bracket contacts the bracket of shift solenoid valve A.

NOTE: Do not install shift solenoid valve C before installing shift solenoid valve A. If shift solenoid valve C is installed before installing shift solenoid valve A, it may damage the hydraulic control system.

28. Install shift solenoid valve B (brown connector) by holding the shift solenoid valve body; make sure the mounting bracket contacts the accumulator body.
29. Connect the harness terminals to the solenoids:

^ YEL wire connector to shift solenoid valve A.
^ GRN wire connector to shift solenoid valve C.
^ RED wire connector to shift solenoid valve B.
^ ORN wire connector to shift solenoid valve D.

30. Install the shift solenoid valve cover, dowel pins, and a new gasket.
31. Install the new solenoid valve body gasket on the solenoid valve cover, and install the ATF pipes with the filter end in the transmission housing. Install new O-rings over the ATF pipes.
32. Install A/T clutch pressure control solenoid valves A and B.
33. Secure the harness cover with the bolt.
34. Check the connectors for rust, dirt, or oil, clean or repair if necessary, then connect the connectors securely.
35. Apply molybdenum grease to the hole in the bushing in the shift cable end. Attach the shift cable end to the control lever, then insert the control pin into the control lever hole through the shift cable end, and secure the control pin with the spring clip/washer.
36. Secure the shift cable bracket with the nuts.
37. Install the battery base.
38. Install the air cleaner.
39. Install the battery tray, battery, and battery hold-down bracket, then connect the battery terminals.
40. Install the left upper fender cover and battery trim.
41. Enter the anti-theft codes for the audio system and the navigation system.
42. Do the steering column memorization.