Operation CHARM: Car repair manuals for everyone.
Manuals through 2025 now available!

Our trusted friends have launched a new website named LEMON, which has newer manuals. It also contains all the CHARM manuals.

LEMON is the spiritual successor to CHARM, I recommend you try it!

Link: lemon-manuals.la or lemon-manuals.org.ua

(Some people have issue connecting. LEMON is investigating. For now, use Firefox or change your DNS server)

Or, hide this message: temporarily or permanently

Electronic Brake Control Module: Service and Repair

VSA Modulator-Control Unit Removal and Installation

NOTE:
^ Do not spill brake fluid on the vehicle; it may damage the paint; if brake fluid gets on the paint, wash it off immediately with water.
^ Be careful not to damage or deform the brake lines during removal and installation.
^ To prevent the brake fluid from flowing, plug and cover the hose ends and joints with a shop towel or equivalent material.

Removal

1. Make sure the ignition switch is OFF.
2. Remove the right upper fender trim.
3. Remove the A/C line mounting bolt (A).





4. Remove the engine mount bracket mounting bolts (B).
5. Remove the upper portion of the washer reservoir (C).
6. Remove the power steering fluid reservoir (D) bracket.
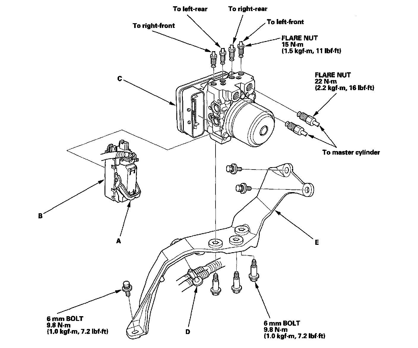
7. Pull down the lock (A) of the VSA modulator-control unit 47P connector (B), and the connector disconnects itself.





8. Disconnect the six brake lines from the VSA modulator-control unit (C).
9. Disconnect the harness clip (D).
10. Remove the three 6 mm bolts, then remove the VSA modulator-control unit with bracket (E) from the body.
11. Remove the three 6 mm bolts, then remove the VSA modulator-control unit from the bracket.

Installation

1. Install the VSA modulator-control unit to the bracket, then tighten the three 6 mm bolts.
2. Install the VSA modulator-control unit/bracket on the body, then tighten the three 6 mm bolts.
3. Reconnect the six brake lines, then tighten the nuts.
4. Align the connecting surface of the VSA modulator-control unit 47P connector.
5. Carefully push in the lock of the VSA modulator-control unit 47P connector until you hear it click into place, then confirm the connector is fully seated.
6. Install the power steering fluid reservoir bracket and upper portion of the washer reservoir.
7. Install the engine mount bracket mounting bolts.
8. Install the A/C line mounting bolt.
9. Install the right upper fender trim.
10. Bleed the brake system, starting with the front wheels.
11. Do the VSA sensor neutral position memorization. Neutral Position Memorization
12. Do the adaptive front lighting control unit learning procedure.
13. Start the engine, and check that the ABS and VSA indicators go off.
14. Test-drive the vehicle, and check that the ABS and VSA indicators do not come on.
15. If the brake pedal is now spongy, there may be air trapped in the modulator and then induced into the normal brake system during modulation. Bleed the brake system again, starting with the front wheels.