Operation CHARM: Car repair manuals for everyone.
Manuals through 2025 now available!

Our trusted friends have launched a new website named LEMON, which has newer manuals. It also contains all the CHARM manuals.

LEMON is the spiritual successor to CHARM, I recommend you try it!

Link: lemon-manuals.la or lemon-manuals.org.ua

(Some people have issue connecting. LEMON is investigating. For now, use Firefox or change your DNS server)

Or, hide this message: temporarily or permanently

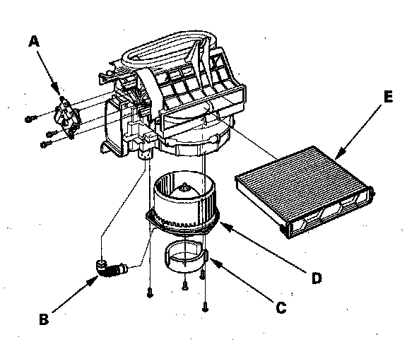
Blower Unit Component Replacement

Blower Unit Component Replacement

Note these items when overhauling the blower unit:

- The recirculation control motor (A), blower motor cooling hose (B), blower motor cover (C), the blower motor (D), and the dust and pollen filter (E) can be replaced without removing the blower unit.
- Before reassembly, make sure that the recirculation control linkage and doors move smoothly without binding.
- After reassembly, make sure the recirculation control motor runs smoothly.