Operation CHARM: Car repair manuals for everyone.
Manuals through 2025 now available!

Our trusted friends have launched a new website named LEMON, which has newer manuals. It also contains all the CHARM manuals.

LEMON is the spiritual successor to CHARM, I recommend you try it!

Link: lemon-manuals.la or lemon-manuals.org.ua

(Some people have issue connecting. LEMON is investigating. For now, use Firefox or change your DNS server)

Or, hide this message: temporarily or permanently

Blower Unit Removal/Installation

Blower Unit Removal/Installation

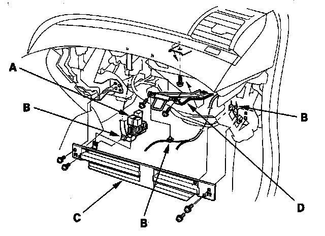
1. Remove the glove box housing.
2. Remove the relays (A) and the wire harness clips (B), then remove the bolts and the glove box frame (C). Remove the self tapping screws, and the glove box striker (D).






3. Disconnect the connectors (A) from the blower motor, and the recirculation control motor, then remove the wire harness clip (B) and the connector clip (C). Remove the mounting nuts, the mounting bolts and the blower unit (D).

NOTE: One of the upper nuts is hidden behind the sound insulation. Look for a cut-out in the sound insulation.






4. Install the unit in the reverse order of removal. Make sure that there is no air leakage.