Operation CHARM: Car repair manuals for everyone.
Manuals through 2025 now available!

Our trusted friends have launched a new website named LEMON, which has newer manuals. It also contains all the CHARM manuals.

LEMON is the spiritual successor to CHARM, I recommend you try it!

Link: lemon-manuals.la or lemon-manuals.org.ua

(Some people have issue connecting. LEMON is investigating. For now, use Firefox or change your DNS server)

Or, hide this message: temporarily or permanently

Compressor HVAC: Service and Repair

A/C Compressor Replacement

NOTE: Do not install an A/C compressor into a system unless you are completely sure that the system is free of contamination. Installing an A/C compressor into a contaminated system can result in premature A/C compressor failure.

1. If the A/C compressor is marginally operable, run the engine at idle speed, and let the air conditioning work for a few minutes, then shut the engine off.
2. Make sure you have the anti-theft codes for the audio system and the navigation system (if equipped).
3. Make sure the ignition is in LOCK (0), then disconnect the negative cable from the battery.
4. Recover the refrigerant with a recovery/recycling/charging station.
5. Remove the engine cover, and the alternator.
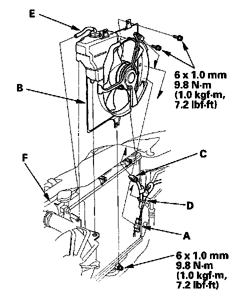
6. Remove the A/C compressor clutch connector (A) from the A/C condenser fan shroud (B). Disconnect the A/C condenser fan connector (C), then remove the wire harness clip (D) from the A/C condenser fan shroud. Remove the hose (E) from the radiator (F). Loosen the lower mounting bolt, then remove the upper mounting bolts and the radiator fan shroud. Be careful not to damage the radiator fins when removing the A/C condenser fan shroud.






7. Disconnect the A/C compressor clutch connector (A). Remove the bolt and the nuts, then disconnect the suction line (B) and discharge line (C) from the A/C compressor. Plug or cap the lines immediately after disconnecting them to avoid moisture and dust contamination.






8. Remove the mounting bolts and the A/C compressor. Be careful not to damage the radiator fins when removing the A/C compressor.






9. Install the A/C compressor in the reverse order of removal, and note these items:

- Inspect the A/C lines for any signs of contamination. Purge the system if necessary before installing the A/C compressor.
- If you're installing a new A/C compressor, you must calculate the amount of refrigerant oil to be removed from it. A new A/C compressor comes with a full charge of oil.
- Replace the O-rings with new ones at each fitting, and apply a thin coat of refrigerant oil before installing them. Be sure to use the correct O-rings for HFC-134a (R-134a) to avoid leakage.
- Use refrigerant oil (DENSO ND-OIL 8) for HFC-134a DENSO piston type A/C compressor only.
- To avoid contamination, do not return the oil to the container once dispensed, and never mix it with other refrigerant oils.
- Immediately after using the oil, reinstall the cap on the container, and seal it to avoid moisture absorption.
- Do not spill the refrigerant oil on the vehicle; it may damage the paint; if the refrigerant oil contacts the paint, wash it off immediately.
- Be careful not to damage the radiator fins when installing the A/C compressor and the A/C condenser fan shroud.
- Charge the system.
- Enter the anti-theft codes for the audio system and the navigation system (if equipped).
- Set the clock (on vehicles without navigation).