Operation CHARM: Car repair manuals for everyone.
Manuals through 2025 now available!

Our trusted friends have launched a new website named LEMON, which has newer manuals. It also contains all the CHARM manuals.

LEMON is the spiritual successor to CHARM, I recommend you try it!

Link: lemon-manuals.la or lemon-manuals.org.ua

(Some people have issue connecting. LEMON is investigating. For now, use Firefox or change your DNS server)

Or, hide this message: temporarily or permanently

System Description

System Description

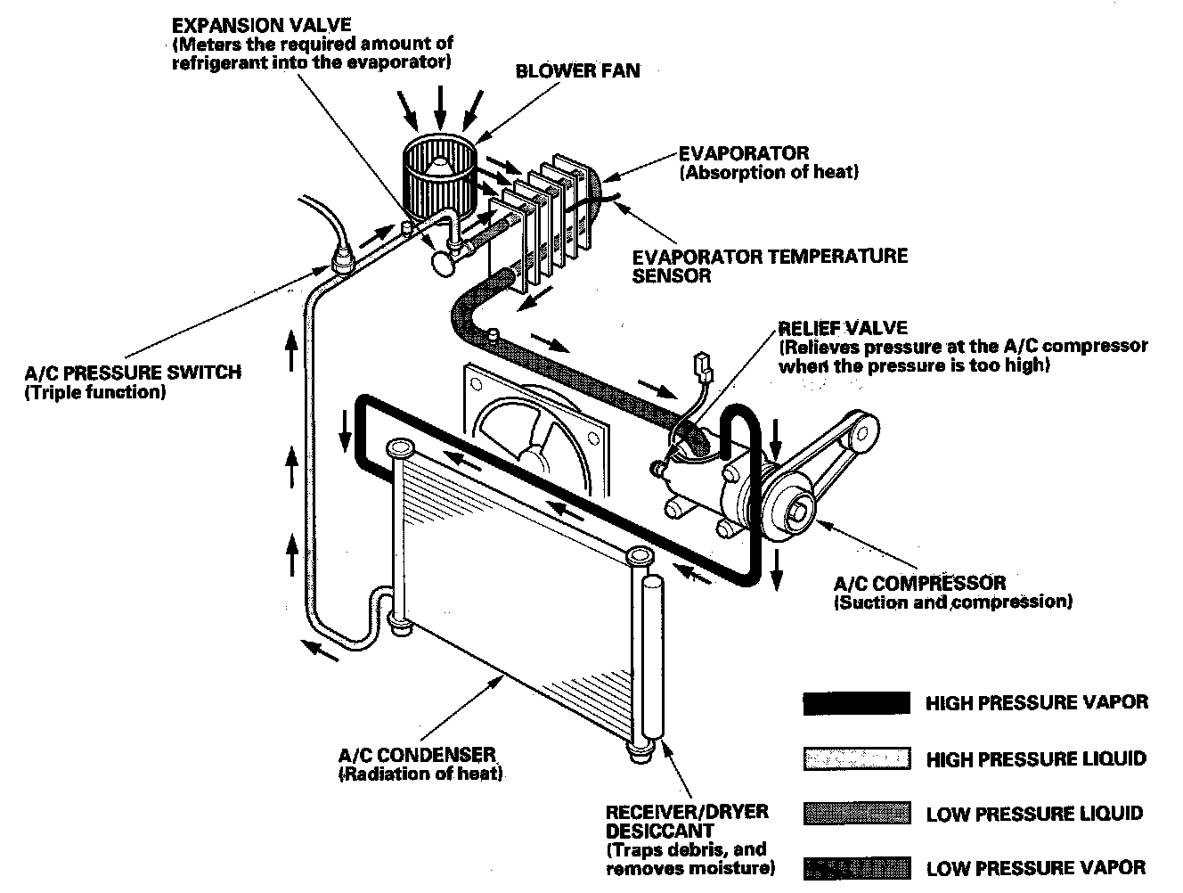
The air conditioning system removes heat from the passenger compartment by transferring heat from the ambient air to the evaporator. The evaporator cools the air with the refrigerant that is circulating through the evaporator. The refrigerant expands in the evaporator, and the evaporator becomes very cold and absorbs the heat from the ambient air. The blower fan pushes air across the evaporator where the heat is absorbed, and then it blows the cool air into the passenger compartment.






This vehicle uses HFC-134a (R-134a) refrigerant which does not contain chlorofluorocarbons. Pay attention to the following service items:

- Do not mix refrigerants CFC-12 (R-12) and HFC-134a (R-134a). They are not compatible.
- Use only the recommended polyalkyleneglycol (PAG) refrigerant oil (DENSO ND-OIL 8) designed for the R-134a A/C compressor. Intermixing the recommended (PAG) refrigerant oil with any other refrigerant oil will result in A/C compressor failure.
- All A/C system parts (compressor, discharge line, suction line, evaporator, A/C condenser, receiver/dryer, expansion valve, O-rings for joints) are designed for refrigerant R-134a. Do not exchange with R-12 parts.
- Use a halogen gas leak detector designed for refrigerant R-134a.
- R-12 and R-134a refrigerant servicing equipment are not interchangeable. Use only a recovery/recycling/charging station that is U.L.-listed and is certified to meet the requirements of SAE J2210 to service R-134a air conditioning system.
- Always recover the refrigerant R-134a with an approved recovery/recycling/charging station before disconnecting any A/C fitting.

A/C Pressure Switch

The A/C pressure switch consists of a high-low pressure switch (A/C pressure switch A) and a middle pressure switch (A/C pressure switch B).

- High-low pressure switch
If the refrigerant pressure becomes too high (due to blockage or lack of airflow at the A/C condenser), or too low (due to leakage), the A/C pressure switch stops the A/C request signal to the ECM/PCM and the A/C compressor stops operating.






- Middle pressure switch
If the refrigerant pressure goes above 1,520 kPa (15.5 kgf/sq.cm, 221 psi), the A/C pressure switch closes to signal the ECM/PCM to change the speed of the A/C condenser fan and radiator fan to high. When the refrigerant pressure drops below 930 kPa (9.5 kgf/sq.cm, 135 psi), the A/C pressure switch opens to signal the ECM/PCM to change the speed of the A/C condenser fan and radiator fan to low.






Climate Control Door Positions









Dual Air Mix Control System and Dual Mode Control System






i-Dual Climate Control System (With navigation system)

This system automatically controls the temperature and the vent mode of the air direction to the driver and passenger's side depending on the angle of the sun, and the direction of the vehicle. It calculates information such as date, time, longitude, and latitude from the navigation system, as well as the irradiate strength of the sun from the sunlight sensor, to determine the appropriate mode position and temperature to be directed to each side.






In the event that the navigation system malfunctions, or when driving in areas where the navigation cannot determine the vehicle position (non-coverage areas, tunnels, etc.), the climate control system will operate the same as a vehicle without navigation.

Climate Control Unit Inputs and outputs

Climate Control Unit Inputs And Outputs: