Operation CHARM: Car repair manuals for everyone.
Manuals through 2025 now available!

Our trusted friends have launched a new website named LEMON, which has newer manuals. It also contains all the CHARM manuals.

LEMON is the spiritual successor to CHARM, I recommend you try it!

Link: lemon-manuals.la or lemon-manuals.org.ua

(Some people have issue connecting. LEMON is investigating. For now, use Firefox or change your DNS server)

Or, hide this message: temporarily or permanently

Transmission Range Switch Replacement

Transmission Range Switch Replacement

1. Make sure you have the anti-theft codes for the audio system and the navigation system (if equipped).
2. Remove the battery trim and the left upper fender cover.
3. Disconnect the negative cable from the battery, then disconnect the positive cable.
4. Remove the battery hold-down bracket, and remove the battery and the battery tray.
5. Remove the intake air duct and the air cleaner assembly.
6. Remove the battery base.
7. Remove the nuts securing the shift cable bracket (A).





8. Remove the spring clip/washer (B) and the control pin (C), then separate the shift cable end (D) from the control lever (E).
9. Check the bushing (F) in the shift cable end for a proper fit and wear. If the bushing is loose or worn, replace the shift cable.
10. Disconnect the transmission range switch connector.
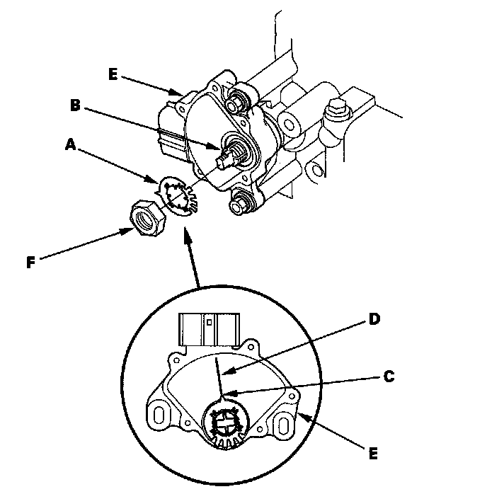
11. Pry the lock tab of the lock washer (A) on the control lever (B), and remove the nut (C), the lock washer, the spring washer (D) and the control lever.





12. Pry the lock tabs of the lock washer (E) on the transmission range switch (F), hold the control shaft (G) with a 6.0 mm wrench, and loosen the locknut(H).
13. Remove the locknut and the lock washer, then remove the transmission range switch (two bolts).
14. Set a new transmission range switch (A) to the N position. The transmission range switch clicks in the N position, and the control shaft hole (B) aligns with the N position line (C).





15. Move the control shaft from the P position to the N position by turning the control shaft using a 6.0 mm wrench.





16. Install the transmission range switch (A) gently over the control shaft (B), and install the bolts loosely.





17. Install a new lock washer (A) over the control shaft (B) while aligning the projection (C) of the lock washer with the N positioning line (D) on the transmission range switch (E), and install the locknut (F).





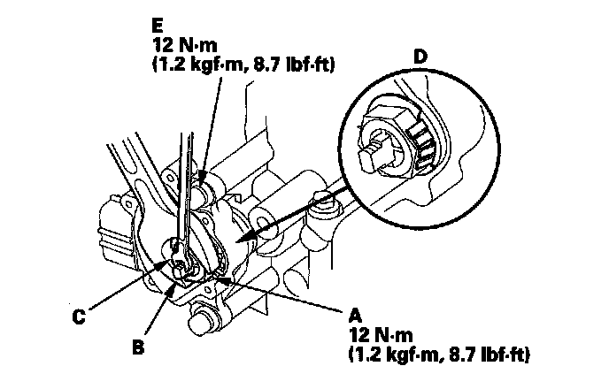
18. Push the locknut against the transmission housing to seat the transmission range switch into the control shaft, and tighten the locknut (A) to 12 N-m (1.2 kgf-m, 8.7 lbf-ft) while holding the control shaft (B) using a 6.0 mm wrench (C), then bend the lock tabs (D) of the lock washer against the locknut.





19. Tighten the bolts (E) to 12 N-m (1.2 kgf-m, 8.7 lbf-ft) securing the transmission range switch.
20. Install the control lever (A), the spring washer (B), the lock washer (C), and the locknut (D) on the control shaft (E).





21. Apply molybdenum grease to the hole in the bushing in the shift cable end. Attach the shift cable end to the control lever, then insert the control pin into the control lever hole through the shift cable end, and secure the control pin with the spring clip/washer.
22. Secure the shift cable bracket with the nuts.
23. Check the connector for rust, dirt, or oil, clean or repair if necessary, then connect the connector securely.
24. Install the battery base.
25. Install the intake air duct and the air cleaner assembly.
26. Install the battery tray, the battery, and the battery hold down bracket, then connect the battery terminals.
27. Install the left upper fender cover and the battery trim.
28. Turn the ignition switch to ON (II). Move the shift lever through all positions, and check the transmission range switch synchronization with the A/T gear position indicator.
29. Check that the engine starts in P and N, and does not start in any other shift lever position.
30. Check that the back-up lights come on when the shift lever is in R.
31. Allow all four wheels to rotate freely, then start the engine, and check the shift lever operation.
32. Enter the anti-theft codes for the audio system and the navigation system (if equipped). Set the clock (on vehicles without navigation).