Operation CHARM: Car repair manuals for everyone.
Manuals through 2025 now available!

Our trusted friends have launched a new website named LEMON, which has newer manuals. It also contains all the CHARM manuals.

LEMON is the spiritual successor to CHARM, I recommend you try it!

Link: lemon-manuals.la or lemon-manuals.org.ua

(Some people have issue connecting. LEMON is investigating. For now, use Firefox or change your DNS server)

Or, hide this message: temporarily or permanently

General Specifications

Cylinder Head

Torque the cylinder head bolts in sequence to 30 N-m (3.0 kgf-m, 22 lbf-ft). After torquing, tighten all cylinder head bolts in two steps (90° per step) if you are using a new cylinder head bolt, tighten the bolt an extra 90°.








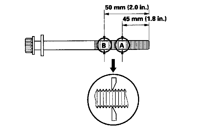
Measure the diameter of each cylinder head bolt at point A and point B.





If either diameter is less than 11.3 mm (0.44 in.), replace the cylinder head bolt.


Main Bearing Cap

Tighten the bearing cap bolts, and then the bearing cap side bolts to the specified torque in the sequence shown. Repeat the torque sequence again to make sure the bolts are properly torqued.






Rod Bearing Cap

Torque 20 N.m (2.0 kgf-m, 15 lbf-ft) + 90°


Crankshaft Pulley

1) Hold the pulley with the holder handle (A) and holder attachment (B). Torque the bolt to 65 N-m (6.5 kgf-m, 48 lbf-ft) with a torque wrench and heavy duty 19 mm socket (C).
2) Mark the bolt head (D) and crankshaft pulley (E) as shown, then tighten the bolt an additional 60° (The mark on the bolt head lines up with the mark on the crankshaft pulley).






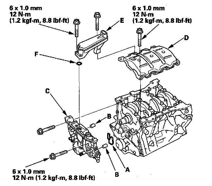
Oil Pump

Install the dowel pins (B), then align the inner rotor with the crankshaft and install the oil pump (C).






Intake Manifold





Install the intake manifold. Tighten the bolts and nuts sequentially in two or three steps.



Water Pump