Operation CHARM: Car repair manuals for everyone.
Manuals through 2025 now available!

Our trusted friends have launched a new website named LEMON, which has newer manuals. It also contains all the CHARM manuals.

LEMON is the spiritual successor to CHARM, I recommend you try it!

Link: lemon-manuals.la or lemon-manuals.org.ua

(Some people have issue connecting. LEMON is investigating. For now, use Firefox or change your DNS server)

Or, hide this message: temporarily or permanently

Shift Interlock Switch: Service and Repair

Park Pin Switch Replacement

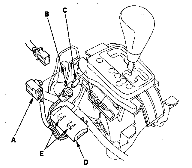
1. Remove the center console.
2. Disconnect the transmission gear selection switch/park pin switch/A/T gear position indicator panel light connector (A), then remove the connector from the shift lever bracket base.





3. Remove the A/T gear position indicator panel light bulb socket (B), then remove the bulb (C) from the socket.
4. Remove the transmission gear selection switch/park pin switch (D) by releasing the lock tabs (E).
5. Install a new switch assembly in the shift lever bracket base.
6. Install the bulb in the socket, then install the socket in the bracket base.
7. Install the switch connector on the bracket base, then connect the connector.
8. Install the center console.